第四单元内忧外患与中华民族的奋起第四单元内忧外患与中华民族的奋起广义的辛亥革命是指以孙中山为代表的资产阶级革命派为推翻清王朝帝制,...
高三地理寒假作业4(满分:100分)一、选择题(每小题只有一个正确答案。每小题2分,共40分)2011年11月2日国家主席胡锦涛抵达法国戛纳,出席...
第19课战后资本主义的新变化课时训练(人教版必修2)1.克林顿上台后实施“宏观调控、微观自主”的经济政策,下列说法正确的是()A.是凯恩...
百舸争流的思想热点探究飞天神话蕴含哲学基本问题翟志刚以自己的一小步,迈出了中国人的历史性一大步——中国从此成为世界上第三个独立掌握...
高三数学单元练习题:不等式(Ⅱ)一、选择题(本大题共12小题,每小题5分,共60分)1、若m<0,n>0,且m+n<0,则下列不等式中成立的是A、-n...
新川中学2011学年度第二学期第一次阶段测试高二物理试卷(第四册内容)80分钟完卷总分100分一、单项选择题.(本大题共12小题,每小题3分,共...
十信客【学习目标】1、把握文章脉络,理清思想内容。2、揣摩典雅而又精辟的语言。3.树立诚信为本的做人理念。【学习重点】1、学习本文描写...
浙江省宁波市北仑区2012年七年级上学期期末考试数学试题(扫描版)北师大版123456789
基本理论专题检测(时间:90分钟满分:100分)一、选择题(本题包括17小题,1~5题每题2分,6~17题每题3分,共46分)1.铅蓄电池在现代生活中...
8.3世界经济的全球化趋势同步测控3(人教版必修2)1.下列国家首先提出建立多边贸易组织倡议的是()A.美国B.英国C.德国D.意大利解析:1...
单元综合测试九(人文地理)一、单项选择题(每小题2分,共50分)(2010·广东卷)读“2005年我国东部沿海某市各圈层间人口净迁移模式图”(图),...
2012高三文综历史十套(8)一、选择题(4X12=48分)12、史家指出,中国历史上某一时期“有极关重要者四事”:一为中国版图之确立,二为中国...
第17课空前严重的资本主义世界经济危机一、单项选择题1.20世纪20年代美国的支柱产业有()①汽车工业②电气业③建筑业④飞机制造业A.①B....
美好生活的向导在中国思想史上,“天人合一”是一个基本的信念。季羡林先生对其解释为:天,就是大自然;人,就是人类;合,就是互相理解,...
暑期巩固练习1、电影⑴钱,钱,都是钱把乡情扯薄了。何山老爹喝着闷酒,忿忿地想。⑵儿子何旺下晌勾来个放电影的,破天荒愣把银幕挂在自家...
考点跟踪训练25文言句读和翻译一、(2011·广东)阅读选文,按要求回答问题。言默戒杨时邻之人有鸡夜呜,恶其不祥,烹之。越数日,一鸡旦而不...
专题11雅典往何处去(本栏目内容在学生用书中以活页形式分册装订!)一、选择题1.(2011·济宁高二检测)希腊是欧洲文明的发源地,雅典是古代希...
泗县二中2012―2013学年上学期高二年级期末测试数学试卷(考试时间120分钟,满分150分)一、选择题(本大题共10小题,每小题5分,共50分,...
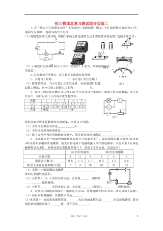
AV图1LS图2SL图4图5初三物理总复习测试综合实验二1.在“测定小灯泡额定功率”的实验中:电路如图1所示,小灯泡的额定电压为2.5V,电阻约为...
考点16苏联的社会主义建设1、(2011·海南单科·T20)“我们应该利用资本主义(特别是要把它纳入国家资本主义的轨道)作为小生产和社会主义...

