老师课时授课计划年级 数控 07-9 班 科目 数控车削编程与操作训练 老师 教材章节页次课题§3.1 成形面加工编程参考资料数控车削编...
数车编程课教案 1教学前记:本教案及课件是在学完《华中世纪星 HNC-21TD/22TD 数控车床编程与操作》一书的编程篇项目一(数控车床的认识...
数车金蓝领技师理论模拟试题 职业道德 一、单项选择题1、道德和法律是( )。(A)互不相干 (B)相辅相成、相互促进 (C)相对矛盾和...
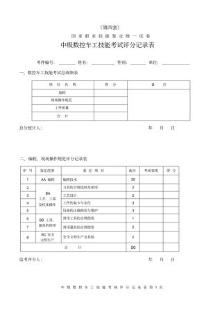
(第四套)国 家 职 业 技 能 鉴 定 统 一 试 卷中级数控车工技能考试评分记录表考件编号:姓名:性别:单位:一、数控车工技能...
数控车床高级工鉴定复习题1 齿轮传动中齿轮副由两个互相啮合齿轮组成。对()错()2 滚珠丝杠副的润滑油或润滑脂一般每半年需更换一次。...
FANUC0iMate-TC系统宏程序 B功能实例应用William.Yang FANUC0iMate-TC系统宏程序 B功能序宏程序作为一种数控程序编制指令现在已经被广大...
数控车床数车技师(高级技师)理论复习资料全套题库(带答案)一、判断题()1、液压传动系统在工作时,必须依靠油液内部的压力来传递运动...
数控实训指导书第 1 页 共 60 页第一部分数控车床、车削中心基本操作一、急停机床运行过程中,在危险或紧急情况下,按下“急停 ”按...
1/9数车中级工考题相似之处知识点一:47.镗孔精度一般可达(B)?(A)IT5-6;(B)IT7-8;(C)IT8-9;(D)IT9-10159.扩孔精度一般可达(D)?(A)IT5-6;(B)I...
金工实习数车心得体会5篇金工实习数车心得体会1“金工实习”作为工科学生进行工程训练,培养工程意识,学习工艺知识的重要实践教学环节。“...
金工实习数车实习心得5篇金工实习数车实习心得1新学期的开始我进行了为期一周的金工实习,在这一周里我学到了很多的东西。不仅仅是金属材料...
槽的加工任务引入指令讲解编程方法实际加工精品课程2011年10月10日FANUCFANUC系统数控车床编程及操作系统数控车床编程及操作课题九槽的加工...
•课程介绍•数车循环指令基础•数车循环指令应用•数车循环指令动画演示•课程总结与展望课程背景当前许多学生以及成年人对于车的需求不断...
第1页共54页编号:时间:2021年x月x日书山有路勤为径,学海无涯苦作舟页码:第1页共54页“创业杯”大赛试题库(数控车工)1基本要...
“创业杯”大赛试题库(数控车工)1基本要求什么是道德?正确解释是()CYA、人的技术水平B、人的交往能力C、人的行为规范...
《数控车工》(四级)答题卷试题代码:1.1.1-1.1.8试题名称:轴类零件编程与仿真(一~八)考生姓名:准考证号:考核时间(min):90(min...

