电脑桌面
添加小米粒文库到电脑桌面
安装后可以在桌面快捷访问

数车中级实操题和评分标准4VIP免费

数车中级实操题和评分标准4_第1页
1/3
数车中级实操题和评分标准4_第2页
2/3
数车中级实操题和评分标准4_第3页
3/3
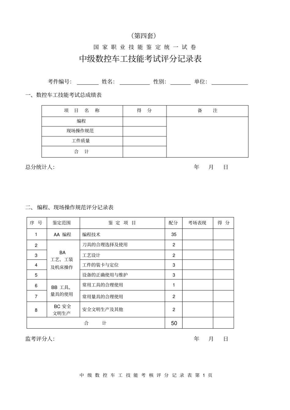
(第四套)国 家 职 业 技 能 鉴 定 统 一 试 卷中级数控车工技能考试评分记录表考件编号:姓名:性别:单位:一、数控车工技能考试总成绩表项目名称得分备注编程现场操作规范工件质量合计总分统计人:年月日二、 编程、现场操作规范评分记录表序 号鉴定范围鉴 定 项 目配分考场表现得 分1 AA 编程编程技术35 2 BA 工艺、工装及机床操作刀具的合理选择及使用2 3 工艺设计2 4 工件的装卡与定位3 5 设备的正确使用与维护3 6 BB 工具、量具的使用常用工具的合理使用1 7 常用量具的合理使用2 8 BC 安全文明生产安全文明生产及其他2 合计50 监考评分人:年月日中 级 数 控 车 工 技 能 考 核 评 分 记 录 表 第 1 页(第四套) 三、操作技能评分表(工件质量评分表)检查项目考核内容配分评 分 标 准检测结果得分核实IT Ra IT Ra 零件1 2 φ 32 Ra1.6 3 1 超差 0.01 扣 0.5 分,降级无分。φ 24 Ra1.63 1 超差 0.01 扣 0.5 分,降级无分。3 φ 24 Ra1.63 1 超差 0.01 扣 0.5 分,降级无分。4 φ 12 Ra1.63 1 超差 0.01 扣 0.5 分,超差无分。φ 8 Ra1.63 1 超差 0.01 扣 0.5 分,超差无分。5 槽φ 12 3 超差 0.01 扣 0.5 分,降级无分。6 槽宽 5 3 超差 0.01 扣 0.5 分,降级无分。7 12 2 超差 0.01 扣 0.5 分,降级无分。8 24 2 超差 0.01 扣 0.5 分,超差无分。9 81 6 超差 0.01 扣 0.5 分,超差无分。10 R3 1 不符无分。11 R3 1 不符无分。12 R4 1 不符无分。R4 1 不符无分。13 M16 X 2 外径2 超差 0.01 扣 0.5 分,超差无分。14 M16 X 2 — 5g/6g 小径2 超差 0.01 扣 0.5 分,超差无分。15 M16 X 2 — 5g/6g 中径5 超差 0.01 扣 0.5 分,扣完为止。16 2 X 45°1 不符无分。其它19 安全操作规程违反扣总分10 分/次。合计50 否定项:螺纹中径严重超差时,此件视为不合格。考核评分人:年月日中 级 数 控 车 工 技 能 考 核 评 分 记 录 表 第 2 页数控车第四套加工图纸:技术要求:1、 锐边去毛刺2、 未注倒角 1X4 5°中 级 数 控 车 工 技 能 考 核 评 分 记 录 表 第 3 页

1、当您付费下载文档后,您只拥有了使用权限,并不意味着购买了版权,文档只能用于自身使用,不得用于其他商业用途(如 [转卖]进行直接盈利或[编辑后售卖]进行间接盈利)。
2、本站所有内容均由合作方或网友上传,本站不对文档的完整性、权威性及其观点立场正确性做任何保证或承诺!文档内容仅供研究参考,付费前请自行鉴别。
3、如文档内容存在违规,或者侵犯商业秘密、侵犯著作权等,请点击“违规举报”。

碎片内容

数车中级实操题和评分标准4

您可能关注的文档

确认删除?
VIP
微信客服
  • 扫码咨询
会员Q群
  • 会员专属群点击这里加入QQ群
客服邮箱
回到顶部