下载后可任意编辑2024 年技术部个人工作总结一、技术部工作工作主要负责技术部工作计划、投诉处理、颜色的色差处理、基础设施设备维护、环...
下载后可任意编辑2024 年建筑公司技术部工作总结一、__年完成的主要工作内容一、新项目开发1)完成新项目___项,已确认量产___项,其中___...
生 产技术部经理岗位职责 一 、岗位名称: 生产技术部经理 二、直接上级: 生产副总 三、工作本职: 公司的生产组织与管理工作、公...
《生产技术部绩效考核办法》 一、考核目的 为了调动部门员工的工作积极性,激发员工工作热情,提升工作业绩,增强公司竞争力,保证公司目...
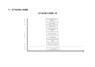
生产技术部工作流程
生产技术部工作职责 一、负责企业的日常生产组织、技术管理、现场管理和本部门人员的日常管理。 二、负责根据公司的年度生产计划,编制月...
生产技术部 2009年度质量目标 根据公司制定的2009年度质量目标内容和分解要求,按照公司质量控制程序文件《质量目标分解及考核管理办法》...
下载后可任意编辑2024 年工程技术部年终总结转眼间,辞旧迎新、平凡而又不太忙碌的一年已到尽头,不知不觉时间过的真快,悄然无息、__年的...
下载后可任意编辑2024 年工程技术部年度工作总结态度决定走向悄悄的走过,但给了你细思遐想,让你做着力所能及与不及的事,时间真是公正,...
下载后可任意编辑2024 年工程技术部年终工作总结态度决定走向悄悄的走过,但给了你细思遐想,让你做着力所能及与不及的事,时间真是公正,...
下载后可任意编辑2024 年工程技术部工作总结范本一、科学谋划,加强管理,认真做好电网建设改造工作。一是科学谋划,精心安排,做好工程项...
下载后可任意编辑2024 年工程技术部个人总结范文时间飞逝,转眼间我来到中建一局三公司已经一年的时间了,这一年里在领导和同事的关怀和教...
下载后可任意编辑2024 年工程技术部个人总结时间飞逝,转眼间我来到中建一局三公司已经一年的时间了,这一年里在领导和同事的关怀和教导下...
下载后可任意编辑2024 年安全质量技术部年终工作总结一、安全文明施工围绕着所全面安全工作要点,仔细贯彻“安全第一,预防为主,综合治理...
X X X环保工程公司 技术部部门职责说明书 一、基本信息 部门名称 技术部 部门编号 技术部负责填写 常务负责人 技术部部长 分管...
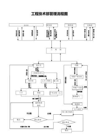
工 程 技 术 部 管 理 流 程 图 工 程 部 统计员 项目组 工程部负责人 财务部 技术部 物资部 市场部 乙方工程队 户内...
太原华润煤业 有 限 公 司 1 目 录 生产技术部岗位职责 ........................................................................
公司技术部管理制度1 总则1.1技术管理是企业对生产全过程及其生产准备科学研究的全部技术活动进行科学管理的组织工作,加强和完善技术管理...
下载后可任意编辑2024 年公司技术部年度工作总结【一】我工程技术部门在公司领导和项目领导的正确指导下,在各兄弟部门的鼎力支持下,克服...
下载后可任意编辑2024 年公司技术部个人工作总结__年即将过去,新的一年即将开始,在这辞旧迎新之际,回顾一年来的工作历程,总结一年来工...

