电脑桌面
添加小米粒文库到电脑桌面
安装后可以在桌面快捷访问

燃气公司工程技术部管理流程图VIP专享

燃气公司工程技术部管理流程图_第1页
1/12
燃气公司工程技术部管理流程图_第2页
2/12
燃气公司工程技术部管理流程图_第3页
3/12
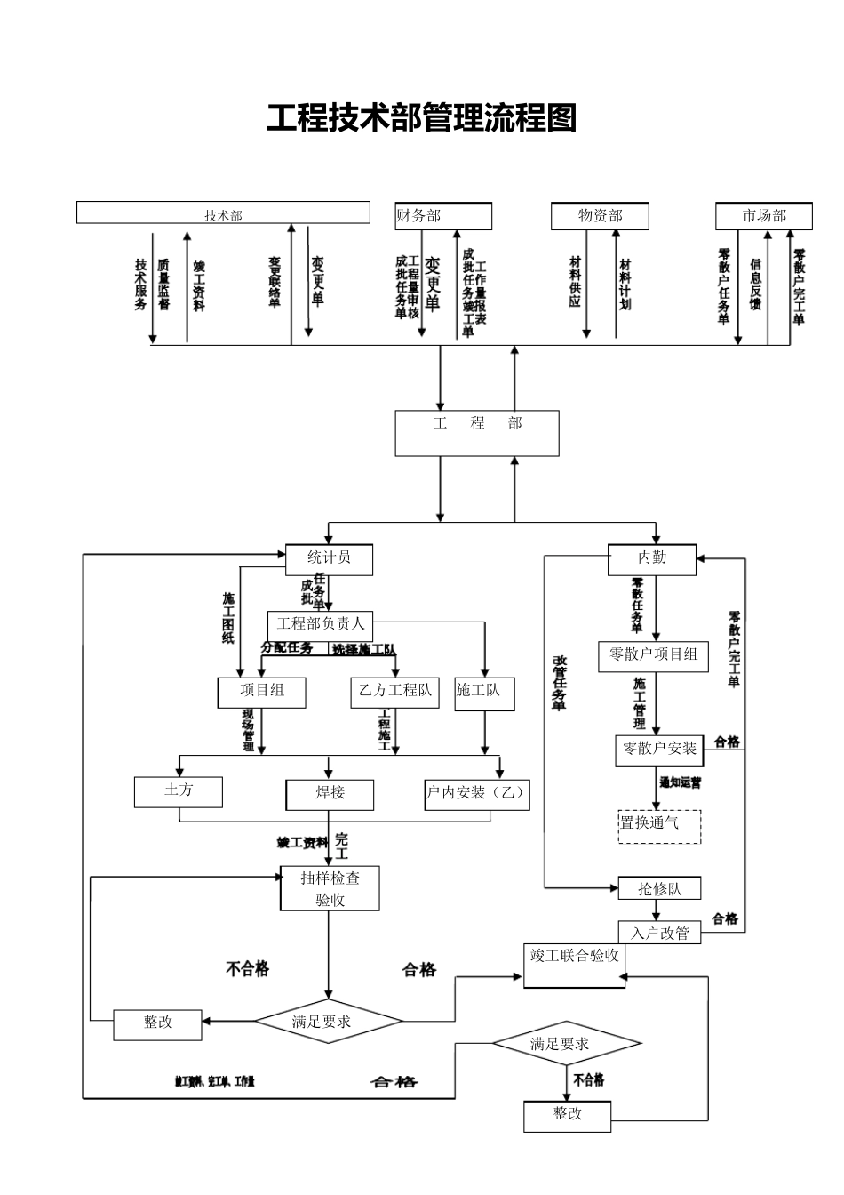
工 程 技 术 部 管 理 流 程 图 工 程 部 统计员 项目组 工程部负责人 财务部 技术部 物资部 市场部 乙方工程队 户内安装(乙) 焊接 土方 内勤 零散户项目组 零散户安装 抽样检查 验收 满足要求 整改 竣工联合验收 整改 满足要求 抢修队 入户改管 置换通气 施工队 工 程 管 理 流 程 第 一部分:户外工 程 管 理 流 程 1. 每 一 个 工 程 的 施 工 图 纸 设 计 出 来 后 , 技 术 部 送 到 工 程 部 。 2. 当 工 程 建 设 局 已 经 批 复 , 对 造 成 影 响 的 沿 线 居 民 及 设 施 公 司 领 导已 经 协 调 完 毕 , 技 术 部 给 工 程 部 下 达 任 务 单 , 下 达 的 任 务 量 以 及完 成 时 间 应 该 考 虑 到 施 工 天 气 、施 工 难度、施 工 人员的 数量 等因素, 以 保证任 务 能在规定时 间 内完 成 。 3. 工 程 部 接到 任 务 单 和图 纸 后 , 项目经 理组织技 术 人员、市场开发人员及 工 程 部 有关人员进行实地勘察, 召开施 工 现场技 术 交底会,并填写《技 术 交底记录》。 对 于按照图 纸 无法进行施 工 的 , 技 术 人员应 根据现场实际情况当 场确定更改方案, 方案一 定要准确可行,以 保证能顺利安全的 施 工 。 4. 对 于燃气 管线 在绿化带、农作物等位置上的 , 施 工 过程 中可能对其造 成 的 破坏, 办公 室管理人员应 配合进行协 调 赔偿事宜。 5. 以 上工 作完 成 后 , 项目经 理组织定位放线 , 定位放线 应 该 有一 名设 计 人 员 做 技 术 指 导 。 放 线 时 对 本 工 程 的 工 程 量 做 一 个 初 步 的 统计 , 以 便 按 此 来 备 准 备 材 料 。 6. 施 工 队 长 定 出 简 单 的 施 工 方 案 , 包 括 开 挖 方 法 、指 定 施 工 负责人 、施 工 所需要的 人 数、施 工 所需要的 材 料 、设 备 等。 施 工 方 案 的 制定 本 着简 单 明了、切实可行的 原则。 7. 施 工 队 长 联系沟槽开 挖 人 员 , 交待开 挖 的 位置(一 般来 说开 挖 位置就是放 线 位置), 开 挖 的 宽度、深度以 及开 挖 位置地下有什么管线 。 对 于特殊的...

1、当您付费下载文档后,您只拥有了使用权限,并不意味着购买了版权,文档只能用于自身使用,不得用于其他商业用途(如 [转卖]进行直接盈利或[编辑后售卖]进行间接盈利)。
2、本站所有内容均由合作方或网友上传,本站不对文档的完整性、权威性及其观点立场正确性做任何保证或承诺!文档内容仅供研究参考,付费前请自行鉴别。
3、如文档内容存在违规,或者侵犯商业秘密、侵犯著作权等,请点击“违规举报”。

碎片内容

燃气公司工程技术部管理流程图

确认删除?
VIP
微信客服
  • 扫码咨询
会员Q群
  • 会员专属群点击这里加入QQ群
客服邮箱
回到顶部