公 文 处 理 及 归 档 管 理 办 法 第一章 总 则 ( 一 ) 为 使 公 司 日 常 办 公 的 文 件 处 理 规 范...
1 光 伏发电项目档案分类大纲 一 、 总 则 为 了 推 进 光 伏 发 电 项 目 工 程 档 案 管 理 工 作 的 统 一...
光伏项目需要归档资料清单 序号 归档范围 文件来源 归档部门 项目立项文件 1 项目的立项申请、批复文件,上网电价等文件 发改委 ...
数据归档方案大纲一、什么是数据归档1、数据归档定义数据存档(dataarchiving)是将不再经常使用的数据移到一个单独的存储设备来进行长期保存...
WinCC 数据报表实现方法介绍 How use WinCC create data report Getting-started Edition (2010 年-6 月) 摘 要 本文对数...
注:各科室按照本科室的性能,根据本要求顺序排列,本科室没有用的文书不用管,将在使用的医用文书依次排列就行。 第 1 页 关于住院(...
档 号 档案馆代号 工程名称 卓达东方巴哈马二期那索风情A 组团 子项名称 二标段1 栋B 座 案卷题名 第三部分:施工文件 第一册...
数据归档管理系统使用手册目录一、登陆.................................................................................................
国家电力公司电网建设分公司 工程档案管理实施细则 1 总则 1 .1 为统一建设项目竣工文件的编制及规范项目档案的整理,根据国家档案局...
建设工程文件归档内容及顺序表建设工程名称:表一序号一、立项文件123456归档内容文字材图纸料(张)(张)备注项目建议书、前期工作通知书...
1/10会计档案归档范围及要求会计档案归档范围主要包括四个方面(一)会计凭证主要指原始凭证,记帐凭证,汇总凭证,银行存款余额调节表。(...
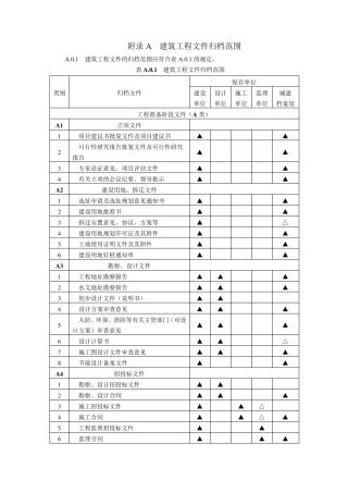
附 录 A 建 筑 工 程 文 件规定范围 表 A .0.1 建 筑 工 程 文 件归档范围 类别 归档文件 保存单位 建设 单位 设计...
建设单位设计单位施工单位监理单位城 建档 案馆A1立 项 文 件1项 目 建 议 书 批 复 文 件 及 项 目 建 议 书▲▲2可 ...
GBT503282014建设工程文件归档规范
建设单位设计单位施工单位监理单位城建档案馆A1立项文件 1项目建议书批复文件及项目建议书▲ ▲2可行性研究报告批复文件及可行性研究报告...
类 别归 档 文 件保 存 单 位 建 设 单 位设 计 单 位施 工 单 位监 理 单 位A1立 项 文 件 1项 目 建 议 书...
GBT503282014建筑工程文件归档规范附录B(道路、桥梁、地下管道)
表 A.0.1 建筑工程文件归档范围类别归档文件保存单位建设单位设计单位施工单位监理单位城建档案馆工程准备阶段文件(A)类A1立项文件1项...
附录A 建筑工程文件归档范围 A .0.1 建筑工程文件的归档范围应符合表A .0.1 的规定。 表A .0.1 建筑工程文件归档范围 类别 归档...
GB/T50328-2014 建筑工程文件归档范围(C 类)文件目录 类别 归档文件 保存单位 建设 单位 设计 单位 施工 单位 监理 单位 ...

