姓名性另民族申请出生年月入园年月所在班级□小□中□大基本情况身份证号(选填)申请学年度—幼儿园名称性质□公办□民办基本情况详细地址...
附表A塔式起重机安装自检表表A塔式起重机安装自检表设备型号设备编号设备生产厂出厂日期工程名称安装单位工程地址安装日期资料检查项序号检...
附表1:旅行社安全隐患排查登记表填报单位:行管科长:质监所长:分管副局长:局长:旅行社名称许可证号码质量保证金(元)旅行社责任保险...
附表三学生压力调查表学习情况调查表为了调查同学们的学习情况,我们编制了学生学习情况调查表,请您仔细阅读,认真按顺序选择答案,我们将...
附表一施工总体计划表年度2012年2013年月份主要工程项目12123451.施工准备2.路基处理3.路基填筑4.涵洞5.通道6、防护及排水7.路面基层(1)...
附表评审内容和标准表1:企业认证体系和财务状况序号评审项目评审标准评审计分1企业认证体系企业通过ISO9000系列标准质量体系认证2企业通过...
增值税纳税申报表(一般纳税人适用)根据国家税收法律法规及增值税相关规定制定本表。纳税人无论有无销售额,均应按税务机关核定的纳税期限...
1出差管理制度一、出差审批1.出差审批:(1)出差审批流程:出差人员应提前两日填写《出差申请单》(附件1)交领导审批,申请表上须列出具...
二、投标人须知投标人须知前附表条款号条款名称编列内容1.1.2招标人名称:四川交通职业技术学院地址:四川省成都市温江区柳台大道东段208号...
1DD1D危险性较大的分部分项工程辨识清单工程名称:工程地址:建设单位负责人:施工单位负责人:监理单位负责人:联系电话:联系电话:联系电...
一般纳税人《增值税纳税申报表》及附表填表说明一、《增值税纳税申报表(适用于增值税一般纳税人)》填表说明(一)“税款所属时间”:指纳...
表13拟投入本合同工程的主要施工机械设备表序号名称型规格号产地数量(台套)现状备注小计其中自有租赁新购特别制造1履带式推土机T-220AX天津...
附表五:施工总平面投标人应递交一份由本单位技术负责人签字且加盖投标人单位鲜章的施工总平面图,,绘出现场临时设施布置图表并附文字说明...
1附表1土地利用的主要调控指标单位:公顷指标2005年2010年2020年指标属性总量指标(单位:公顷)一、耕地保有量1629.201569.88365.73约束性...
第1页共10页云南省政法干部学校扩建项目(一期工程)学生宿舍和食堂工程附表云南省政法干部学校扩建项目(一期工程)学生宿舍和食堂工程后...
附表一:拟投入本工程的主要施工设备表序号设备名称型号规格数量国别产地制造年份定额功率(KW)生产能力用于施工部位备注1潜水泵50WQ253中...
附表3-26铸造铝合金的主要牌号、成分、机械性能及用途(摘自GB/T1173-1995)组别代号化学成分w/%机械性能用途SiCuMgMn其它Al铸造方法热处理...
附表模板支架验收记录表项目名称泉州传化公路港一标段搭设部位消防水池顶板高度6.1跨度7.2最大荷载24kN/m2搭设班组架子工班组班组长黄真库...
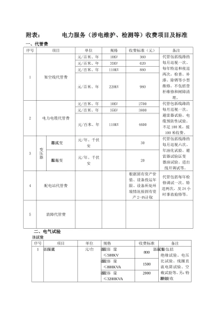
附表:电力服务(涉电维护、检测等)收费项目及标准一、代管费序号项目单位规格收费标准(元)备注1架空线代管费元/百米、年10KV360代管包...
附表一施工总体计划表年度2016年2017年2018年月份主要工程项目1234567891011121234567891011121234…1.施工准备2.路基处理3.路基填筑4.涵洞...

