电脑桌面
添加小米粒文库到电脑桌面
安装后可以在桌面快捷访问

附表--------------模板支架验收记录表VIP免费

附表--------------模板支架验收记录表_第1页
1/70
附表--------------模板支架验收记录表_第2页
2/70
附表--------------模板支架验收记录表_第3页
3/70
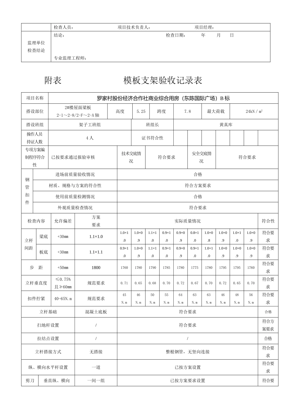
附表模板支架验收记录表项目名称泉州传化公路港一标段搭设部位消防水池顶板高度6.1跨度7.2最大荷载24kN/m2搭设班组架子工班组班组长黄真库操作人员持证人数4人证书符合性专项方案编制程序符合性已按要求通过报验审核技术交底情况符合要求安全交底情况符合要求钢管扣件进场前质量验收情况合格材质、规格与方案的符合性符合方案要求使用前质量检测情况合格外观质量检查情况符合要求检查内容允许偏差方案要求实际质量情况符合性立杆间距梁底+30㎜1.1×1.01.0×1.01.0×0.91.1×1.00.9×1.00.9×0.90.8×1.01.0×0.81.0×0.91.0×1.01.0×0.9符合要求板底+30㎜1.1×1.10.9×1.01.0×0.91.1×1.00.9×1.00.9×0.90.9×1.01.0×1.01.0×0.91.0×0.91.0×0.9符合要求步距+50㎜18001750178017901795178017751780179517901760符合要求立杆垂直度≤0.75%且≯60㎜规范要求0.750.650.680.700.720.670.700.720.650.66符合要求扣件拧紧40-65N.m规范要求45N.m46N.m50N.m55N.m64N.m63N.m63N.m46N.m48N.m56N.m符合要求立杆基础混凝土底板符合要求合格扫地杆设置/符合要求符合方案要求拉结点设置//合格立杆搭接方式无搭接整根钢管,无竖向连接符合要求纵、横向水平杆设置一道已按方案设置符合要求剪刀撑垂直纵、横向一间一组已按方案要求设置符合要求水平(高度>4m)///其他施工单位检查结论结论:检查日期:年月日检查人员:项目技术负责人:项目经理:监理单位检查结论结论:检查日期:年月日专业监理工程师:附表模板支架验收记录表项目名称罗家村股份经济合作社商业综合用房(东陈国际广场)B标搭设部位2#楼屋面梁板2-1~2-8/2-F~2-A轴高度5.25跨度7.8最大荷载24kN/m2搭设班组架子工班组班组长黄真库操作人员持证人数4人证书符合性专项方案编制程序符合性已按要求通过报验审核技术交底情况符合要求安全交底情况符合要求钢管扣件进场前质量验收情况合格材质、规格与方案的符合性符合方案要求使用前质量检测情况合格外观质量检查情况符合要求检查内容允许偏差方案要求实际质量情况符合性立杆间距梁底+30㎜1.1×1.01.0×1.01.0×0.91.1×1.00.9×1.00.9×0.90.8×1.01.0×0.81.0×0.91.0×1.01.0×0.9符合要求板底+30㎜1.1×1.10.9×1.01.0×0.91.1×1.00.9×1.00.9×0.90.9×1.01.0×1.01.0×0.91.0×0.91.0×0.9符合要求步距+50㎜18001760178017901785178017751780179517951760符合要求立杆垂直度≤0.75%且≯60㎜规范要求0.710.650.680.700.720.670.700.720.650.70符合要求扣件拧紧40-65N.m规范要求45N.m46N.m50N.m55N.m64N.m63N.m63N.m46N.m48N.m56N.m符合要求立杆基础混凝土底板符合要求合格扫地杆设置/符合要求符合方案要求拉结点设置//合格立杆搭接方式无搭接整根钢管,无竖向连接符合要求纵、横向水平杆设置一道已按方案设置符合要求剪刀垂直纵、横向一间一组已按方案要求设置符合要撑求水平(高度>4m)///其他施工单位检查结论结论:检查日期:年月日检查人员:项目技术负责人:项目经理:监理单位检查结论结论:检查日期:年月日专业监理工程师:附表模板支架验收记录表项目名称罗家村股份经济合作社商业综合用房(东陈国际广场)B标搭设部位2#楼十八层梁板2-1~2-8/2-F~2-A轴高度3.2跨度7.8最大荷载24kN/m2搭设班组架子工班组班组长黄真库操作人员持证人数4人证书符合性专项方案编制程序符合性已按要求通过报验审核技术交底情况符合要求安全交底情况符合要求钢管扣件进场前质量验收情况合格材质、规格与方案的符合性符合方案要求使用前质量检测情况合格外观质量检查情况符合要求检查内容允许偏差方案要求实际质量情况符合性立杆间距梁底+30㎜1.1×1.01.0×0.91.0×0.91.1×1.00.9×1.00.9×1.00.8×1.01.0×0.81.0×0.91.0×0.91.0×0.9符合要求板底+30㎜1.1×1.10.9×0.91.0×0.91.1×1.00.9×1.00.9×1.00.9×1.01.0×1.01.0×0.91.0×1.01.0×0.9符合要求步距+50㎜18001750178017901795179017751780178017901760符合要求立杆垂直度≤0.75%且≯60㎜规范要求0.750.650.740.700.720.670.690.720.650.66符合要求扣件拧紧40-65N.m规范要求45N.m46N.m50N.m55N.m64N.m63N.m63N.m46N.m48...

1、当您付费下载文档后,您只拥有了使用权限,并不意味着购买了版权,文档只能用于自身使用,不得用于其他商业用途(如 [转卖]进行直接盈利或[编辑后售卖]进行间接盈利)。
2、本站所有内容均由合作方或网友上传,本站不对文档的完整性、权威性及其观点立场正确性做任何保证或承诺!文档内容仅供研究参考,付费前请自行鉴别。
3、如文档内容存在违规,或者侵犯商业秘密、侵犯著作权等,请点击“违规举报”。

碎片内容

附表--------------模板支架验收记录表

您可能关注的文档

确认删除?
VIP
微信客服
  • 扫码咨询
会员Q群
  • 会员专属群点击这里加入QQ群
客服邮箱
回到顶部