1图例:杆件内力:N= 98KN连接耳板抗拉强f250Q345销轴直径d=28mm连接板承压强度f400Q345销轴孔径30mm连接耳板抗剪强f145Q345t1= 15mm双快...
旋挖钻机拉杆销轴拆卸困难原因分析及对策旋挖钻机是近几年以来进展很快的建筑工程桩基基础施工机械之一。无论号称“绿色奥运,人文奥运”的...
销轴与孔过盈配合浅析摘要:针对当前销轴与孔的过盈配合的问题,提出了国内热装法,冷装法以外,根据完全互换装配法加上国内高精端测量的工...
毕 业 设 计( 论 文)题 目定 位 销 轴 的 三 维 造 型 及 数 控加 工 程 序 设 计系 别机 电 工 程 系专 业...
1 ××××大学 ××××学 院 机械制造工艺课程设计 课程名称: 机械制造工艺课程设计 设计课题: 定位销轴 专业:×××× 班...
精品文档---下载后可任意编辑20t 挖掘机动臂斗杆连接销轴安全率提高的讨论开题报告开题报告论文题目:20t 挖掘机动臂斗杆连接销轴安全率...
精品文档---下载后可任意编辑20t 挖掘机动臂斗杆连接销轴安全率提高的讨论中期报告本项讨论旨在提高 20t 挖掘机动臂斗杆连接销轴的安全...
\ 姓名:黄孝楠学号:089011 10 专业:模具设计与制造设计时间: 2010 年 12 月课设题目:销轴锤上锻模具设计- 1 - 目录1、零件...
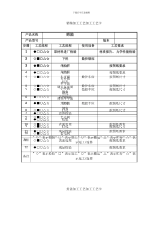
下载后可任意编辑销轴加工工艺加工工艺卡封盖加工工艺加工工艺卡产品名称销轴产品型号版本步骤工艺流程工艺流程使用设备工艺要求1◆□○△...
下载后可任意编辑内容摘要: 本次设计主要介绍了数控技术及其加工工艺的进展, 并分析了具体零件图的加工。首先对数控技术进行了简单的叙述...
1 第三节 销轴连接 销轴连接是起重机金属结构常用的连接形式,例如起重机臂架根部的连接(图4-30a)以及拉杆或撑杆的连接等(图4-30b),...
螺纹销轴的加工课件CATALOGUE目录•螺纹销轴简介•螺纹销轴的加工工艺•螺纹销轴的加工设备•螺纹销轴的检测与质量控制•螺纹销轴的维护与...
•键连接与销轴概述contents•键连接的设计与选型•销轴的结构与性能目录•键连接与销轴的维护与保养•键连接与销轴的发展趋势与未来展望01...
汽车板簧销轴导向板项目可行性研究报告(立项+批地+贷款)编制单位:北京中投信德国际信息咨询有限公司编制时间:二〇二四二〇二四年十一月...

