电脑桌面
添加小米粒文库到电脑桌面
安装后可以在桌面快捷访问

销轴加工工艺加工工艺卡样本

销轴加工工艺加工工艺卡样本_第1页
1/2
销轴加工工艺加工工艺卡样本_第2页
2/2
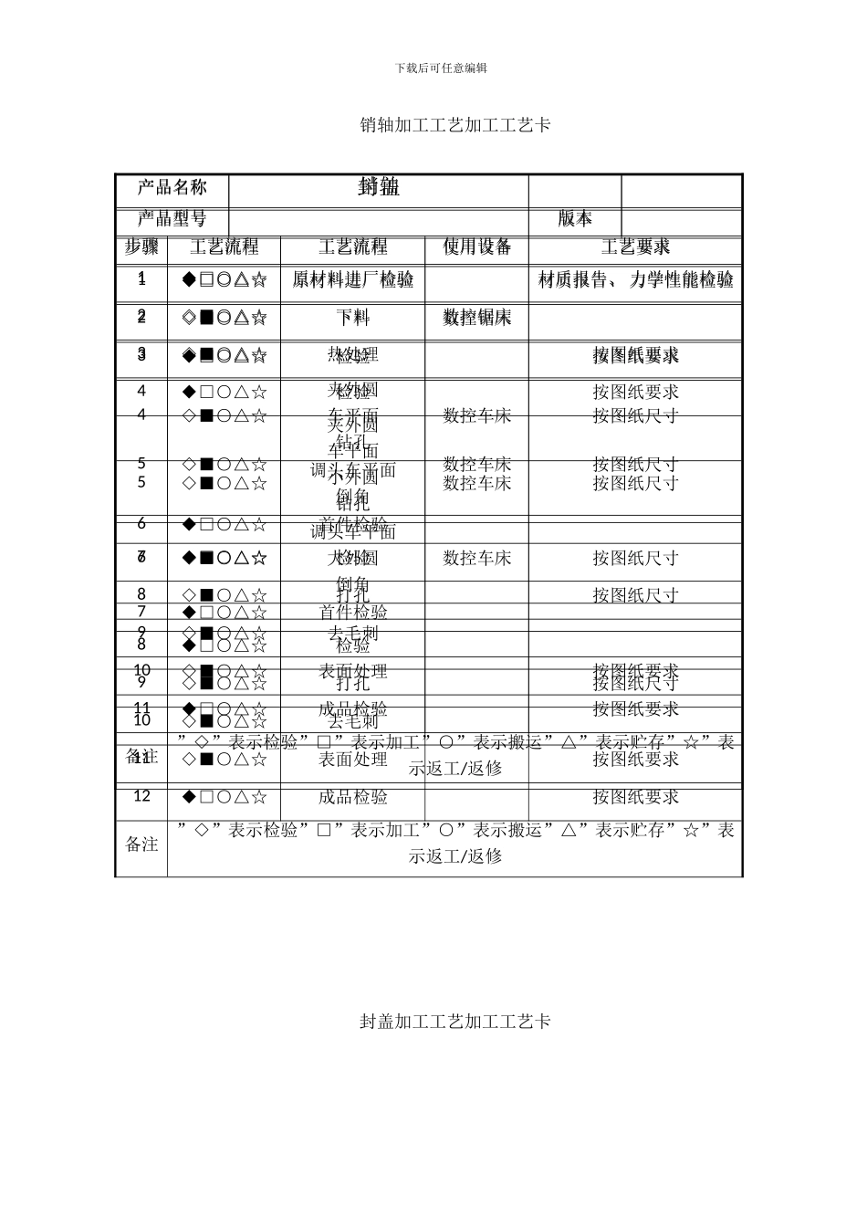
下载后可任意编辑销轴加工工艺加工工艺卡封盖加工工艺加工工艺卡产品名称销轴产品型号版本步骤工艺流程工艺流程使用设备工艺要求1◆□○△☆原材料进厂检验材质报告、 力学性能检验2◇■○△☆下料数控锯床3◇■○△☆热处理按图纸要求4◆□○△☆检验按图纸要求5◇■○△☆夹外圆车平面小外圆钻孔数控车床按图纸尺寸6◇■○△☆调头车平面大外圆倒角数控车床按图纸尺寸7◆□○△☆首件检验8◆□○△☆检验9◇■○△☆打孔按图纸尺寸10◇■○△☆去毛刺11◇■○△☆表面处理按图纸要求12◆□○△☆成品检验按图纸要求备注”◇”表示检验”□”表示加工”○”表示搬运”△”表示贮存”☆”表示返工/返修产品名称封盖产品型号版本步骤工艺流程工艺流程使用设备工艺要求1◆□○△☆原材料进厂检验材质报告、 力学性能检验2◇■○△☆下料数控锯床3◆□○△☆检验按图纸要求4◇■○△☆夹外圆车平面钻孔数控车床按图纸尺寸5◇■○△☆调头车平面倒角数控车床按图纸尺寸6◆□○△☆首件检验7◆□○△☆检验8◇■○△☆打孔按图纸尺寸9◇■○△☆去毛刺10◇■○△☆表面处理按图纸要求11◆□○△☆成品检验按图纸要求备注”◇”表示检验”□”表示加工”○”表示搬运”△”表示贮存”☆”表示返工/返修下载后可任意编辑销轴图

1、当您付费下载文档后,您只拥有了使用权限,并不意味着购买了版权,文档只能用于自身使用,不得用于其他商业用途(如 [转卖]进行直接盈利或[编辑后售卖]进行间接盈利)。
2、本站所有内容均由合作方或网友上传,本站不对文档的完整性、权威性及其观点立场正确性做任何保证或承诺!文档内容仅供研究参考,付费前请自行鉴别。
3、如文档内容存在违规,或者侵犯商业秘密、侵犯著作权等,请点击“违规举报”。

碎片内容

销轴加工工艺加工工艺卡样本

您可能关注的文档

确认删除?
VIP
微信客服
  • 扫码咨询
会员Q群
  • 会员专属群点击这里加入QQ群
客服邮箱
回到顶部