iae,一种助力您获得终身成就的平台,以知识、人脉、事业为关键,为社会提供服务于不一样领域的专业人才。培养精英专业人才计划特许注册人...
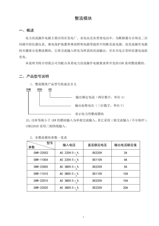
1 整流模块 一、概述 电力直流操作电源主要应用在发电厂、水电站及各类变电站中,为断路器分合闸及二次回路中的仪器仪表、继电保护装置...
CHR 幸福心服务1. CHR-幸福心服务系列课程包括四门大课,分别是()*A. 幸福心服务(正确答案)B. 超级读心术(正确答案)C. CHR-必备...
周 大 生 珠 宝 CHR 线 上赋 能 认 证 班 -综 合 测 试 1.CHR-幸 福 心 服 务 系 列 课 程 包 括 四 门 大 ...
CHR 线 上赋 能 综 合 考 试 题 1.CHR-幸 福 心 服 务 系 列 课 程 包 括 四 门 大 课 , 分 别 是 ( ) *...
周大生珠宝CHR线上赋能认证班-综合测试1.CHR-幸福心服务系列课程包括四门大课,分别是()*A.幸福心服务(正确答案)B.超级读心术(正确答...
第1页共6页编号:时间:2021年x月x日书山有路勤为径,学海无涯苦作舟页码:第1页共6页RNCINNERFAILURE1.SRBRESET12【1】RL失步,SRB复位导...
RNCINNERFAILURE1.SRBRESET12【1】RL失步,SRB复位导致掉话(无线信号覆盖不好,属于正常现象)。====NO.54====CorrmOlpcItf.cline:3403RLS...

