新版防火控制图符号识别方法简介 1974年国际海上人命安全公约规定:船上应有固定展示的防火控制图作为对船上高级船员的指导; 防火控制图...
数学符号读法大全 大写 小写 英文注音 国际音标注音 中文注音 Α α alpha alfa 阿耳法 Β β beta beta 贝塔 Γ γ gam...
1、几何符号 ≱ ∥ ∠ ≲ ≰ ≡ ≌ △ 2、代数符号 ∝ ∧ ∨ ~ ∫ ≠ ≤ ≥ ≈ ∞ ∶ 3、运算符号 如加号(+),...
1、基本事实:经过两点有且只有一条直线 。 (两点确定一条直线) 2、基本事实:两点之间线段最短。 3、补角性质:同角或等角的补角相...
希腊字母 1 、 Α α alpha a:lf 阿 尔 法 角 度 ; 系 数 Α α: 阿尔法 Alpha 2 、 Β β beta bet 贝 塔 ...
1 LINE SERVICE IDENTIFICATION SYMBOL SERVICE 符号 帮助 AIR SYSTEMS 空气系统 IA INSTRUMENT AIR 仪表风 PA PLANT AIR...
电 流 表 PA 电 压 表 PV 有 功 电 度 表 PJ 无 功 电 度 表 PJR 频 率 表 PF 相 位 表 PPA 最 大 需 量 ...
常见液压图形符号
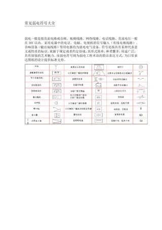
常见弱电符号大全 弱电一般是指直流电路或音频、视频线路、网络线路、电话线路,直流电压一般在 36V 以内。家用电器中的电话、电脑、电...
常见岩性及含油级别符号 一、松散堆积物: 1.表土和堆土 (DB01) 2.红 土 (DB02) 3.漂砾 (DB03) 4.卵 石 (DB04) 5.砾石...
常见标志符号 符号 说明 符号 说明 A 安培 Ⅱ类 HZ 赫兹 Ⅲ类 V 伏特 保护性接地 W 瓦特 保护性接地 交流电源 Ac 底架...
1 常用铸造工艺符号及表示方法 1. 分型线 用红色线表示,并用“上、中、下字样”。 两箱型: 三箱型: 示例: 2 2. 分模线 用红...
JOY CISISU 1 常用速记符号和方法 一、大写字母或第一音节 农业 A 商业 B 文化 C 民主 D 经济 E 金融 F 政府 G 卫生 H...
常用速记符号 大于 > 小于 < 小于或等于 ≤ 大于或等于 ≥ 等于、意味着 = 不等于 ≠ 约等于 ≈ 遗憾、悲哀 ; 高兴、荣...
1 电力常用计量单位符号标准 单位名称 标准符号 英文对照 瓦 W Watt 千瓦 kW Kilowatt 兆瓦 Mv megawatt 伏 V Volt 千伏...
常用计量单位符号 (一)长度单位符号 1、km (13,134)公里 2、hm (125,134)百米 3、dam (145,1,134)十米 4、m (134)...
1 临床药物动力学符号注释 A 体内药量(mg 或μ mol) Aa 在吸收部位有待于吸收的药量(mg 或μ mol) Ae 尿中累积原形药物排泄...
第 1 页 共 12 页 硬度标准资料2 1,GB/T4340.1-1999 金属维氏硬度试验 第1 部分:试验方法 2,GB/T17394-1998 金属里氏硬度试...
电子元件符号及字母表示 电子技术 2009-02-28 01:35 阅读442 评论4 字号: 大 中 小 电流表 PA 电压表 PV 有功电度表 PJ ...
三、常用的坡口形式 常用坡口形式包括:Y 形坡口、VY 形坡口、带钝边U 形坡口、I形坡口、V 型带垫板坡口、Y 型带垫板坡口、双U 型坡...

