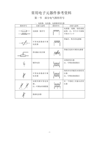
- 1 - 常用电子元器件参考资料 第一节 部分电气图形符号 一.电阻器、电容器、电感器和变压器 图形符号 名称与说明 图形符号 名...
第 1 页 一、常用电路图 - 1 - 1. 单 按 钮 控 制 两 台 电 动 机 顺 序 启 动 反 序 停 止 - 1 - 3. 用...
附录3 常用电气简图图形符号 项目 种类 GB/T4728—98~2000 新版符号 图形符号 说明 限定符号 电流和电压的种类 直流 电压可标...
- 1 - 序号 图 形 符 号 名 称 及 说 明 符 号 1 开关(机械式) Q 2 多级开关一般符号单线表示 3 多级开关一般符号多...
常用电气符号及标识标准新编
1 开关(机械式) 2 多级开关一般符号单线表示 3 多级开关一般符号多线表示 4 接触器(在非动作位置触点断开) 5 接触器(在非动作位置...
QJ/ZD 1401-A 共41 页 第2页 开关设备用电气图形符号和文字符号 1 范围 本标准规定了开关设备用电气图形符号和相应的文字符号。 ...
1 开关(机械式) 2 多级开关一般符号单线表示 3 多级开关一般符号多线表示 4 接触器(在非动作位置触点断开) 5 接触器(在非动作位置...
常用电气元件文字符号表 发电机的缩写符号是什么?电压小母线的符号又是什么,通过下表即可了解,感谢开关114 提供。 序号 名称 符号...
图形符号 说明 图形符号 说明 直流 导线对机壳绝缘击穿 交流 导线对地 绝缘击穿 交直流 三根导线 正极 柔软导线 负极 屏蔽导...
一电阻器与电位器 符号详见图 1 所示,其中( a )表示一般的阻值固定的电阻器,( b )表示半可调或微调电阻器;( c )表示电位...
常用电子元器件符号图表及符号 这是从网上收集来的比较全面的电子元器件符号集了,对于初学者来说相信是非常有用处的。任何开发机器人的朋...
常用电子元器件符号以及参数
编辑实验 创建词条 讨论请进通用技术论坛 电子元器件是元件和器件的总称. 一、元件:工厂在加工产品时没有改变分子成分产品可称为元件...
2 4 8 常用电子元器件参考资料 第一节 部分电气图形符号 一.电阻器、电容器、电感器和变压器 图形符号 名称与说明 图形符号 名...
各种电子元件符号 普通的二极管 表示符号:D 变容二极管 表示符号:D 双向触发二极管 表示符号:D 稳压二极管 表示符号:ZD,D 稳压二...
常用电子元器件参考资料 第一节 部分电气图形符号 一.电阻器、电容器、电感器和变压器 图形符号 名称与说明 图形符号 名称与说明 ...
常用物理符号以及法定单位
110 九 常用焊缝符号及其标注方法 1 总则 1.1 焊接标注应明确地表示所要说明的焊缝,而且不使图样增加过多的注解。 1.2 焊缝符号一...
常用焊接符号表示法 1 范围 本标准规定了焊接符号的表示方法。 本标准适用于金属熔化焊及电阻焊。 2 规范性引用文件 下列文件中的条...

