精品文档---下载后可任意编辑版/次:研发质量标准法律法律规范编 制:钱凌杰审 核:批 准:分发号:无锡同方融达信息科技有限公司2024 ...
// 机械加工检验规范 编制: 审核: 批准: 日期: // 1、 范 围 本 检 验 规 程 适 用 本 公 司 机 械 加 工 产 ...
精品文档---下载后可任意编辑电线电缆使用安装知识及验收法律法律规范第一章总则 第 1.0.1 条为保证电缆线路安装工作的施工质量,促进电...
精品文档---下载后可任意编辑电气装置安装规程(GB50169-2024)电气设备安装标准法律法律规范 1、总则 本法律法律规范适用于 本法律法律...
精品文档---下载后可任意编辑1.目的为保证设备的正常运转,能正确、科学地检修。2.适用范围本程序规定了电动机维修保养标准操作方法,适...
电气照明安装规范《一》电气照明安装工艺一 、电气配管技术要求1.施工前材料的准备:1)钢管电线管壁厚均匀,焊缝均匀,无裂痕、砂眼、棱...
受控编号 扶手箱、线束结构件 检验标准规范 2010-08-10 实施 受控编号: Q/Z Xxx技术有限公司 编制 审核 批准 2010-08-10 发布...
园林景观设计深度规范1 概况1.0.1 为了加强对园林景观设计文件的编制、管理,保证各设计阶段设计文件的完整性,参照建设部颁发实施的《建...
营配贯通数据采录工作规范二 o—四年三月目录一、基础技术要求 1(一)坐标系统要求 1(二)空间精度要求 2(三)数据单位与格式要求 ...
【最新资料,Word 版,可自由编辑!】 家政服务员国家职业标准 1. 职 业 概 况 1 . 1 职 业名称 家 政 服 务 员 1 ....
广东申通物流有限公司 - 1 - 客服部服务标准规范 服务热线是公司与客户进行沟通和提供服务的重要途径之一,由于整个交流过程是在看不...
安 全隐患排查标准规范对照表 X X 目 录 一 《 建 筑 设 计 防 火 规 范 》 GB 50016-2014 .............................
精品文档---下载后可任意编辑交通术语与标准法律规范的符合性检测技术讨论的开题报告1. 讨论背景与意义:交通事故是全球范围内造成人员伤...
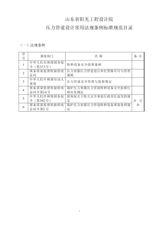
1 山东省阳光工程设计院 压力管道设计常用法规条例标准规范目录 (一)法规条例 序号 颁布部门 名 称 备 注 1 中华人们共和国...
压力容器常用标准规范主要政策法规主要政策法规国家标准机械标准化工标准其它序号 标准号标准名专业配备情况资料室存备注1国务院第373 号...
危险化学品法律法规和标准规范目录(更新2016.5) 危险化学品法律法规清单(20 条) 1、《安全生产法》(2014 版)中华人民共和国主席...
医 院 标 识 标 牌 制 作 标 准规 医 院 标 识 系 统 工 程 项 目 包 括 : 医 院 标 志 设 计 , 入 口 ...
医 院 导 视 系 统 设 置 标 准规范 第 一 章 医 院 标 识 牌 设 计 中 导 视 系 统 设 置 标 准 规 范 第...
+\ 目 次 1 总则 2 术语、符号 2.1 术语 2.2 符号 3 施工前的准备 3.1 施工准备 3.2 施工测量 3.3 施工前的复查和试验 ...
现行有效试验/检测标准(规范)目录 新标准确认时间: 2 0 0 8 年 8 月 第 1 页 共 8 页 现行有效试验/检测标准(规范)目...

