食品用纸包装、容器等制品生产许可实施细那么国家质量监督检验检疫总局二〇〇七年六月目 录1 总那么……………………………………………...
血液制品行业情况7 月上旬,湖南的一位血友病患者突然腹腔出血,由于没有进行及时的药物治疗,在北京某医院去世。 “北京市场凝血因子断货...
重庆棉制品项目可行性讨论报告 重庆棉制品项目 可行性讨论报告 MACRO 泓域咨询 报告说明 由于经济水平较为发达,居民医疗保健意识较...
采购玻璃钢制品协议采购玻璃钢制品协议采购玻璃钢制品协议 甲方: 乙方: 根据甲方建设需求,现向乙方采购玻璃钢制品,经双方商谈达成以...
花卉工艺制品系列技术汇编玻璃花制作技术玻璃花具有一般品的欣赏价值,使用原料是方便、全家 各种有色无色杂碎玻璃,溶化玻璃使用的坩埚那...
碳纤维制品产业化开发工程可行性讨论报告〔立项+批地+贷款〕编制单位:北京中投信德国际信息咨询编制时间:二〇二五二〇二五年四月咨询师:...
电脑制品生产加工实习报告 电脑制品生产加工实习报告 实习报告网为大家带来一篇电脑制品生产加工实习报告,期望本篇实习报告可以供大家作...
1、生产淀粉原料的条件淀粉含量高、产量大、副产品利用率高原料加工、贮藏、销售容易价格便宜不与人争口粮一、 玉米子粒的结构及化学组...
棉及化纤制品工程可行性讨论报告〔立项+批地+贷款〕编制单位:北京中投信德国际信息咨询编制时间:二〇二五二〇二五年四月咨询师:高建目 ...
目 录01 发布令02 授权令 03 企业概况04 质量方针和质量目标1 适用范围2 引用标准3 术语和定义4 质量管理体系 4.1 总要求 4.2...
四川峨眉山荣高生化制品有限公司氨基酸产品扩大产能技改工程可行性研究报告目 录第一章、基本信息.........................................
黑龙江东方学院本 科 生 毕 业 论 文〔设 计〕哈尔滨市饼干制品市场调研学生姓名: 李超莹 学 号: 054131308 专 业: 食品...
县烟草制品零售点布局管理规定 第一条为加强烟草专卖零售许可证管理,法律规范烟草制品零售市场的准入和退出,维护国家利益、消费者利益和...
医药制品项目可行性方案 医药制品项目 可行性方案 泓域咨询/ / 规划设计/ / 投资分析 医药制品项目可行性方案 医药行业是我国国民...
区烟草制品零售点合理布局规定 第一条为贯彻落实国务院“放管服”改革工作要求,合理配置卷烟市场资源、法律规范卷烟市场流通秩序,维护消...
第 45 号?《出境竹木草制品检疫管理办法》已经 2024 年 4 月 3 日国家质量监督检验检疫总局局务会议审议通过,现予公布,自 2024...
.WORD 完美格式.制品及材料检验作业指导书目的定义塑胶制品品质标准,为产品设计者提供达到产品图纸图面要求的系统,为质检员提供塑胶制品...
2015 年月日发布2015 年月日实第 1 页第 2玻璃棉制品验收标准编号:SZ-JS-BZ编制:审核:批准:施河北神州保温建材有限公司发布目录1...
上 海 恒 秀 产品介绍 第1 页 共7 页 聚氨酯硬发泡模型制品介绍 硬质聚氨酯泡沫塑料,简称聚氨酯硬泡,它在聚氨酯制品中的用量仅...
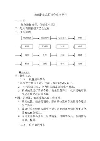
玻璃钢制品拉挤作业指导书一、目的规范操作流程,保证生产正常二、适用范围拉挤工艺全过程。三、工作流程H 组装模具 四、操作工艺(一)...

