职业病防治核心知识 100 条一一 2020 年职业病知识宣传1.职业病是指企业、事业单位和个体经济组织等用人单位的劳动者在职业活动中,因...
建设项目职业病防护设施设计 专篇编制细则(试行) 1 .总则 1 .1 依据 本细则的依据为《建设项目职业卫生“三同时”监督管理暂行办...
1 建设项目职业病防护设施设计专篇编制导则 AQ/T4233-2013 2013-06-08 发布 2013-10-01 实施 1 范围 本标准规定了建设项目职业病...
加油加气合建站 建 设 项 目 职 业 病 防 护 设 施 设 计 专 篇 主 报 告 二 〇一六年十一月 声 明 xxx 遵 守 ...
建 设 项 目 职 业 病 防 护 设 施 设 计 专篇审查要点 一、审查依据 为了进一步规范建设项目职业病防护设施设计专篇的编制...
第 1 页 共 8 页 建设项目职业病防护设施设计专篇 技术性审查要点 建设单位名称 建设项目名称 建设项目性质 新建□ 改建□ 扩...
1 建设项目职业病防护设施竣工验收现场检查表 建设单位: 建设项目名称: 项目 主要内容 检查方法 检查结果 1 责任 体系 建立职...
1 建设项目职业病防护设施 竣工验收(备案)申请 示范文本 2 建设项目职业病防护设施竣工验收(备案) 一、申报资料: 1、建设项目...
銆愭硶瑙勬爣棰樸€戙€婂缓璁鹃」鐩亴涓氱梾鍗卞椋庨櫓鍒嗙被绠$悊鐩綍锛?012 骞寸増锛夈€?/td> 銆愰鏂囧瓧鍙枫€戝畨鐩戞€诲畨鍋ャ...
建设项目职业病危害风险分类管理目录 序 号 类 别 名 称 严 重 较 重 一 般 一 采矿业 (一) 煤炭开采和洗选业 1 烟煤...
第 1 页 共 8 页 建设项目职业病危害预评价报告 评审要点(2017 版) 建设单位名称 建设项目名称 建设项目性质 新建□ 改建□...
建设项目职业病危害预评价报告编制要求 ZW—JB—2014—001 一、评价范围 原则上以拟建项目可行性研究报告中提出的建设内容为准,并包括...
建设项目职业病危害预评价报告编制要求 ZW —JB—2014—004 一、 评价范 围 原 则 上 以 拟 建项目可 行 性 研 究 报告中...
1 建设项目职业病危害预评价报告审核办理指南 法律依据:《中华人民共和国职业病防治法》、《建设项目职业病危害分类管理办法》。 受理...
#####################公司 作业指导书 文件编号: 第1 页 共 页 第0 次修订 批准: 建设项目职业病危害预评价实施细则 实施日...
建设项目职业病危害预评价报告书(新导则大纲) 世纪万安科技(北京)有限公司 1 建设项目概况 1.1 基本情况 应包括建设项目名称、性...
附件1 获得建设项目职业病危害评价甲级资质单位名单 序号 单位名称 1 北京市疾病预防控制中心 2 北京燕山石化职业病防治所 3 铁道...
建设项目职业病危害评价的职业病防护措施 一、防尘技术设施 (一)工业生产过程产生粉尘的状况;(二)排风罩; (三)除尘器;(四)过...
建设项目职业病危害评价机构资质(乙级) 和 职 业 病 危 害 因 素 的 检 测 与 评 价 审 定 标 准 一、职业卫生考核项...
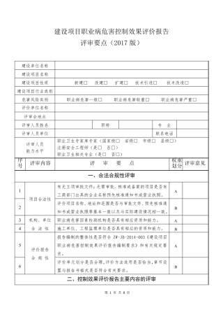
第 1 页 共 8 页 建设项目职业病危害控制效果评价报告 评审要点(2017 版) 建设单位名称 建设项目名称 建设项目性质 新建□ ...

