《第四单元第四章生物的遗传和变异》【教学设想】“生物的遗传”这部分内容抽象,相关的概念很多。学生在第一轮基础知识的复习中仅仅停留在...
《全等三角形的判定》教学设计一、教材分析:《全等三角形的判定》是北京市义务教育课程改革实验教材第15册第十三章第5节的内容。本节是在...
第二节《世界的气候》教学设计(第2课时)教材分析本节内容是在以学完世界气候类型分布和各类型特征以及气温和降水两个气候要素分布特点的...
元素化合物的复习----物质性质的综合应用教学基本信息课题元素化合物的复习(一)学科化学学段:初三化学下学期内容标准一级主题身边化学物质...
雅安大兴河道及湿地综合整治工程(滚水坝)防渗墙施工方案中国电建集团成都勘测设计研究院有限公司雅安大兴河道及湿地综合整治工程建设项目...
北京小学大兴分校关注教师发展学校发展的后劲来自拥有一支优秀的教师队伍,教师的水平、实力是学校发展的动力源泉。北京小学大兴分校的发展...
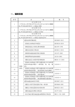
一、编制依据序号名称编号1《门卫等11项(中化化工科学技术研究总院北京大兴分院20000吨/年水性涂料项目)工程施工图》2《门卫等11项(中化...
大兴桥灌注桩施工计划4月1日12#墩左右幅开钻,至5月12日完成钻机2台(1#、2#钻机)4月1日13#墩左右幅开钻,至4月13日完成钻机2台(3#、4#钻...
大兴中学升旗仪式主持词尊敬的老师们、亲爱的同学们:大家早上好。今天是_____年_____月_____日,星期_____。担任本次升旗仪式是_____年级_...
“大兴求真务实之风”学习教育方案...为进一步巩固保持共产党员先进性教育成果,树立求真务实作风,区委决定在全区集中半个月时间深入开展...
大兴煤矿井口封闭方案2————————————————————————————————作者:———————————————————...
密级普通福建大兴银行全省网点员工比例分析红柒信息技术有限公司2013年12月目录1福州市....................................................
“大兴求真务实之风”学习教育方案为进一步巩固保持共产党员先进性教育成果,树立求真务实作风,区委决定在全区集中半个月时间深入开展“大...
“大兴求真务实之风”学习教育方案“大兴求真务实之风”学习教育方案为进一步巩固保持共产党员先进性教育成果,树立求真务实作风,区委决定...
全县大兴解放思想之风活动方案一、总体要求坚持以习近平新时代中国特色社会主义思想为指导,全面贯彻落实党的十九大精神,按照自治区第十一...
20XX年书香燕京大兴实施方案5篇第一篇:2018书香燕京大兴实施方案第八届“书香燕京——XX省中小学阅读指导活动”XX县区实施方案一、活动意...
全县大兴解放思想之风活动方案一、总体要求坚持以习近平新时代中国特色社会主义思想为指导,全面贯彻落实党的十九大精神,按照自治区第十一...
精品文档.大兴热电厂三种蒸汽定价方案的比较2010年12月20日,NNJ化工园区管委会、S(中国)投资有限公司、吉林分公司及白山电厂三方代表在N...
大兴乡干部目标责任考核方案根据上级目标管理体制责任制的要求,为了激发干部的工作积极性,切实转变干部工作作风,推进各项工作,明确干部...
大兴中学推普周活动方案一、活动主题:提升国家通用语言文字应用能力,弘扬中华优秀文化传统,在我校师生中树立高度的文化自觉和文化自信。...

