下载后可任意编辑预制盖板施工方案12024 年 4 月 19 日1、工程概况1.1、工程概况彭城广场站 2 号线采纳半盖挖法施工,东侧及端部围...
0 屋 面 上 人 孔 轨 道 式 推 拉 盖 板 小组名称: 晋阳公寓二标段 QC 小组 发 表 人: 王志伟 编制日期: 2016 ...
下载后可任意编辑钢筋砼盖板涵施工技术交底1 基础开挖: 1.1 基坑底平面尺寸: 开挖前项目部测绘人员以涵洞纵轴线为基准线在原地面上标出...
下载后可任意编辑盖板涵施工方案培训资料12024 年 5 月 29 日中交第一航务工程局有限公司盖板涵施工方案工程名称: 玉林 ( 省界 )...
下载后可任意编辑盖板通道涵施工方案1下载后可任意编辑目 录一、 编制依据及原则-----------------------------------------------------...
下载后可任意编辑盖板涵安全技术交底记录12024 年 5 月 29 日下载后可任意编辑成都至南部高速公路工程项目安全、技术交底记录表承 包...
下载后可任意编辑盖板涵施工组织设计1湖 南 湘 潭 杨 柳 南 路盖板涵工程施工组织设计杨柳南路道路工程项目部二零一一年四月十八日...
砼盖板施工方案砼盖板施工方案施工单位:2017 年 9 月 09 日一、 工程概况由于忠武燃气管道预埋走向与我施工区域内的5m 绿道有一交...
下载后可任意编辑十天高速公路甘肃段 ST06 合同段项目经理部技术交底单交底范围: 总体 质量 安全 环保 路基桥梁 隧道测量其它 编...
下载后可任意编辑×××道路扩建工程( K0+630-K0+880 右侧) 盖板涵施工方案 建设单位: ×××城市建设投资开发公司监理单位: 施工单...
下载后可任意编辑厂房内排水沟盖板更换方案12024 年 4 月 19 日下载后可任意编辑斜沟煤矿选煤厂施工方案审批表 22024 年 4 月 19...
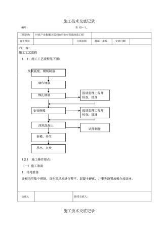
安装侧模拆模、养生浇筑混凝土吊出、存放报请监理工程师检查、批准报请监理工程师检查、批准试件制作施工技术交底记录编号 : 表 12— 1...
中国水电建设集团路桥工程有限公司内遂高速公路第六标段项目经理部《涵洞盖板支架现浇施工方案》1 涵洞盖板支架现浇施工方案一、工程概况...
WORD 格式可编辑专业知识整理分享涵洞盖板现浇施工方案编制:复核:审核:××××××WORD 格式可编辑专业知识整理分享目录1、编制说明...
客运专线铁路常用跨度梁桥面附属设施 通桥(2008)8388A ——活性粉末混凝土(RPC)盖板 技术交底报告 中铁工程设计咨询集团有限公司 ...
地下车库负一层无梁盖板施工方案一、工程概况1•本工程地下一层为无梁楼盖,顶板板厚 550,砼等级为 C30P6,钢筋型号与间距按设计要求进行...
贵州省三穗至黎平高速公路第xx 合同段水沟盖板预制专项方案(K0+000~K47+300)三穗至黎平高速公路第xx 合同段项目经理部二 O 一 四...
G107 京深线安阳境郭王度至小光村一级公路改建工程路基路面排水工程施工方案编制:田丰雨审核:批准:中国建筑第七工程局有限公司安阳市安...
蟠 龙 大 道 建 设 项 目技术交底施工单位:编号:单位工程名称管道工程编制部门工程技术部分部工程名称排水管道工程起讫里程分项工...
武汉建设监理规范用表旁 站 监 理 记 录 表工程名称:武汉江汉六桥工程第II标段汉阳接线一期工程编号:旁站的关键部位、关键工序10 ...

