小学英语高频词汇一览表文具、书刊pen钢笔pencilbox铅笔盒comicbook连环画册book书pencil铅笔schoolbag书包wordbook单词书crayon蜡笔ruler...
心脑血管常用注射液药物一览表小屯村卫生室赵立峰心脑血管常用注射液药物一览表(一)注射用血栓通(冻干)活血祛瘀,通脉活络。用于瘀血阻络...
2018年搬家择吉日一览表2018年搬家择吉日一览表周易阴阳玄学家2018年狗年搬家吉日有哪些?作为风水术中以择日居多,我们见过太多福东随意择...
过程识别一览表顾客导向过程(COP)序号过程名称输入输出过程监控方法对应ISO/TS16949条款客户期望绩效目标资源责任部门监测人/部门监测频率...
学校机构设置一览表序号部门办公地点联系方式1办公室北校区一号楼56913900、569138082教务处北校区十号楼56913916、569139203迎评办、科研...
质量控制点一览表E.5质量控制点等级“A”,“B”,“C”,“AR”,“BR”,“CR”的定义如下:“A”—应由业主见证确认后,才能进行下一道工...
安徽省绿色建筑施工图审查要点(试行)2014年1月安徽省绿色建筑施工图审查填表总说明1.本表为绿色建筑进行施工图审查时,依据《绿色建筑评价...
Sketchup常用快捷键一览表相机:相机/标准视图/底视图F3相机/标准视图/顶视图F2相机/标准视图/后视图F5相机/标准视图/前视图F4相机/标准视...
播扬镇中心学校小学生1-6年级好习惯养成要点一览表一年级习惯项目内容学习习惯1、养成专心听课的习惯。2、按时完成作业3、养成正确的读书写...
新规范检验批容量一览表检验批名称单位容量最小抽检数量土方工程M2基坑平面面积每100M2一个点,不少于10个处钢筋原材批(吨)每种规格为一...
1:ShortVowels(短元音)①aamjamramhamdamapcaplapmapnapancanfanpanmanatbatcathatmatagbagtag②eedbedredwedeglegeggenhenmentenpenetj...
实用文案标准文档序号过程代码过程名称过程指标项目过程指标目标值过程指标计算方法体系文件名称统计部门收集频次1C1报价/合同/订单确认过...
贵州省风景名胜区体系规划规划文本中国城市规划设计研究院贵州省建设厅21附表一贵州省风景名胜区体系规划一览表地区名称位置等级规模主要片...
个人整理精品文档,仅供个人学习使用1/3质量控制要点一览表控制阶段控制环节控制要点主要控制人参与控制人主要控制内容参与控制内容工作依...
个人资料整理,仅供个人学习使用1/6第四部分货物需求一览表及技术规格说明:1、下列技术指标中凡有品牌描述或指向某品牌的指标描述均为参考...
1/25第三章货物需求一览表技术要求一、主要设备参数要求(偏离表中需逐条响应)1、系统技术要求:高速称重设备制造商,须具有省级或以上质...
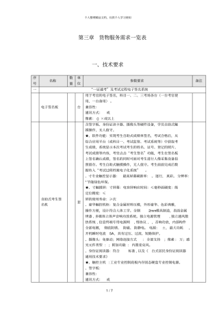
个人整理精品文档,仅供个人学习使用1/7第三章货物服务需求一览表一、技术要求序号名称数量单位参数要求备注一“一证通考”及考试过程电子...
试验判定规则一览表(1)序号检测项目数据取舍判定规则检测合格与否的判定规则试验依据一混凝土抗压强度以3个测定值的算术平均值为测定值。...
试验检测仪器设备一览表第页共页序号公司控制仪器设备编号设备名称型号规格生产厂家生产日期量程或规格编号仪器设备负责人数量备注1S1微机...
國際標準協會ISO(国际标准化组织/InternationalOrganizationforStandardization)國際電工協會IEC國際無線電幹擾委員會CISPR美洲地区国家认...

