分部分项工程量清单计价表工程名称:***商务会所装饰工程序号项目编码项目名称项目特征计量单位工程数量B.1 楼地面工程26 020252025001卫...
目 录1. 工程概况1.1 工程(系统或设备)概况1.2 工程量和工期2. 编制依据3. 作业前的条件和准备3.1 技术准备3.2 作业人员3.3 作...
各分部分项工程的施工方案及质量保证措施1. XX 河 XX 泵房1.1 工程概况XX 河 XX 泵房设计排涝规模 32m3/s,引水规模 0.4m3/s。XX...
第六章 分布分项工程的施工方案6—1 施工准备工作6.1.1 组织有关人员熟悉和会审施工图纸,进行原始资料的调查分析,进行施工组织组织设...
卷 内 目 录1、------------------------------------------------------------分部(分项)工程安全技术交底汇总表2、----------------...
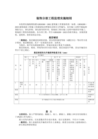
分项、分部、单位工程验评作业指导书 为了使监理工程师在施工监理过程中能够及时、正确地组织进行分项、分部、单位、单项工程的质量验收评...
电气线路安装分部报验申请表工程名称:汽轮发电机组热控安装 编号:1-3-4 致:煤炭工业部济南设计讨论院工程建设监理公司 (监理单位) ...
电气线路安装分部报验申请表工程名称:锅炉热控安装 编号:1-2-4 致:煤炭工业部济南设计讨论院工程建设监理公司 (监理单位) 我单位已...
A-24 主变本体安装分部工程验收申请单(H)★(控制类型:H,检查方式:P/R) 表号:A-24工程名称:35kV 建兴变电站工程 编号:致云南...
C3—13电梯安装工程分部工程质量评定表工程名称:序号分 部 工 程 名 称项 数其 中优良项数备 注合 计优良率 %评定等级 技术负...
电子设备室热控盘(箱、柜)安装分部报验申请表工程名称:共用热控安装 编号:1-1-2 致:煤炭工业部济南设计讨论院工程建设监理公司 (监...
甬台温铁路工程指挥部某分部工程质量创优规划某分部承建甬台温铁路站前工程 DKXXX~DKXXX 及 DKXXX~XXX 段,起于台州市 XXX 村,止...
热控回路校线试动作分部报验申请表工程名称:汽轮发电机组热控安装 编号:1-3-6 致:煤炭工业部济南设计讨论院工程建设监理公司 (监理单...
热控回路校线试动作分部报验申请表工程名称:锅炉热控安装 编号:1-2-6 致:煤炭工业部济南设计讨论院工程建设监理公司 (监理单位) 我...
重要部位、分部工程质量控制技术措施根据 XXX 水电站大坝及溢洪道工程建筑物布置、地质条件、施工场地情况等特点,难点及关键点,华咨公...
测量和控制仪表设备安装分部报验申请表工程名称:锅炉热控安装 编号:1-2-3 致:煤炭工业部济南设计讨论院工程建设监理公司 (监理单位)...
测量和控制仪表设备安装分部报验申请表工程名称:汽轮发电机组热控安装 编号:1-3-3 致:煤炭工业部济南设计讨论院工程建设监理公司 (监...
A4 武汉建设监理法律规范用表水槽池壁子分部工程报验申请表工程名称:×××××废水处理工程 编号: 致:××××建设工程监理有限公司...
编号:XXXX 市 XX 水库除险加固工程管理房分部工程验收鉴 定 书单位工程名称:管护设施工程管理房分部工程验收工作组XX 年 11 月 ...
桩基础分部工程施工小结1、桩基础工程概况工程名称:华南师范大学西区学生公寓工程建设单位:华南师范大学建设教育学院设计单位:广东省建...

