合同编号: 检验服务合同委托单位(甲方): 被委托单位(乙方): 广州市特种承压设备检测讨论院 检验(服务)内容: 锅炉能效测试 ...
合同编号: 检验服务合同委托单位(甲方): 被委托单位(乙方): 广州市特种承压设备检测讨论院 检验(服务)内容: 锅炉能效测试 ...
下载后可任意编辑ICS 点击此处添加 ICS 号点击此处添加中国标准文献分类号中 华 人 民 共 和 国 国 家 标 准GB/T XXXXX—XXX...
下载后可任意编辑家用电烤箱.能耗测量方法1.范围 此标准适用家用电烤箱此标准对下列条件不适用-微波炉和微波组合炉-小炉腔烤箱-没有可调...
如 何 提 高 数 据 中心能效 (管理) 如何提高数据中心能效(管理) Pag e 2 o f 25 如何提高数据中心能效(管理) 如今...
- 1 - 附件 1:燃煤工业锅炉运行能效快速测试方法1.定义与范围在用工业锅炉运行能效快速测试方法,是指在锅炉安全、 稳定运行工况下通...
下载后可任意编辑信息技术 InteBASE能效管理系统1下载后可任意编辑第八讲: InteBASE 能效管理系统中国建筑节能进展现状: 随着经济的不...
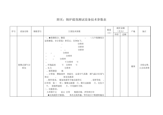
附页:锅炉能效测试设备技术参数表 序号 设备名称 规格型号 主要技术参数 数量 (台) 报价金额 (万元) 产地 备注 单价 总额...
浙江省民用建筑项目竣工能效测评技术导则浙江省住房和城乡建设厅目次1 总则. ...........................................................
下载后可任意编辑某造纸企业能效提升项目技术经济分析某造纸企业能效提升项目技术经济分析 陈志刚马军张杰 摘 要:造纸企业的能源消耗主...
民用建筑能效测评机构条件江苏省民用建筑能效测评机构认定标准测评机构分为综合能效测评机构和专项能效测评机构两类,此中综合能效测评机构...
欧盟电机能效标准从 2011 年 6 月 16 日起,新的针对低压电机的欧盟最低能效标准法规开始生效。新法规涉及的功率0.75~375kW、50Hz和...
MEPC_684通函_船舶能效营运指数(EEOI)自愿使用指南
MEPC_681通函_新船能效设计指数计算方法的临时指南
船舶能效治理方案Ship Energy Efficiency ManagementPlan (SEEMP)(根据 IMO. MEPC.213(63)?船舶能效治理方案(SEEMP)制订导 那么?和C...
1 通用(用能)设备能效评价计算书 一、水泵 1、商业地块给水泵 中区给水泵:Q=10m 3/h;H=60m ;N =2.2kW;2 用1 备 (1)评价...
合同编号: 检验服务合同委托单位(甲方): 被委托单位(乙方): 广州市特种承压设备检测讨论院 检验(服务)内容: 锅炉能效测试 ...
下载后可任意编辑ICS 点击此处添加 ICS 号点击此处添加中国标准文献分类号中 华 人 民 共 和 国 国 家 标 准GB/T XXXXX—XXX...
下载后可任意编辑某造纸企业能效提升项目技术经济分析某造纸企业能效提升项目技术经济分析 陈志刚马军张杰 摘 要:造纸企业的能源消耗主...
下载后可任意编辑某造纸企业能效提升项目技术经济分析某造纸企业能效提升项目技术经济分析 陈志刚马军张杰 摘 要:造纸企业的能源消耗主...

