高处安装、维护、拆除作业安全技术实际操作考试标准1.制定依据《高处安装、维护、拆除作业安全技术培训大纲及考核标准 h2.考试方式实际操...
第一章编制说明 0第二章工程概况 2第三章施工组织 2第四章钱江三桥收费站拆除施工工艺 3第五章安全保证体系 7第六章危险因素分析及防...
第 1 页共 6 页违法建筑拆除中的问题违法建筑是指未经规划土地主管部门批准,未领取建设工程规划许可证或临时建设工程规划许可证,擅自...
*欧阳光明*创编2021.目录欧阳光明(2021.03.07)1 编制依据 21.1 建设单位提供的图纸、文件 21.2 主要法律法规 22 工程概况 22.1 工...
方案一、工程概况本工程位于天津经济技术开发区北海路与七大街交口服务外包产业园内,2024 年 8 月竣工,业主拟将其一至二层的局部由办...
(一)、工程概况拆除 1#,2#锅炉省煤器灰斗仓泵与附件和输灰管道;拆除 1#,2#锅炉本体各层的垂直负压吸尘管道与煤仓间遗留全部负压吸尘...
施工现场临时用电电工安装、巡检、维修、拆除工作记录巡检与处理问题记录:1、移动电箱安装高度符合要求。 2、配电线路无断裂现象,且与交...
压缩机钢结构厂房拆除方案编制人审核人批准人编制单位:油建工程有限公司编制日期:2016 年 8 月21 日目录第一章工程概况 11.工程简述...
五制粉区域铁区管理处现有建构(筑)物拆除项目现场标准化管理实施方案目 录1 编制依据 ................................................
目 录1 编制依据及范围...............................................11.1 编制依据.................................................
唐津高速公路(丰南界~塘承高速)扩建工程第三合同混凝土(钢筋)拆除施工方案核工业华东建设工程集团公司唐津高速公路(丰南界~塘承高速...
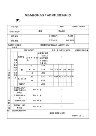
模板拆除模板拆除工程检验批质量验收记录(Ⅲ)工程名称编号02-01-B123-004分项工程名称模板验收部位施工单位项目负责人施工员分包单位项目...
*******工程楼板切除与加建施工方案**建筑公司2024 年 01 月 08 日一、设计说明:根据**建筑设计讨论院下发的结构专业 007 号修改设...
二线关口交通改善工程施工 3 标(同乐关)连廊拆除工程交通疏解施工方案深圳市****建设工程有限公司编制人: **** 审核人: ****审批...
框架结构定型组合钢模板安装与拆除讲义----------------------- -----------------------日期:工程名称 交底部位 工程编号 日期 交底...
目录一、编制依据 1二、工程概况 1三、架桥机主要结构 2四、架桥机安装 6五、试运行和自检 15六、架桥机拆除 18七、维护保养 20八、...
专家评审意见的执行情况应完善容1、补充所用架桥机的型号、各架桥机的使用围。执行情况:已完善,见第 1 页架梁计划表。2、补充各种型号...
附 表 一 : 拟 投 入 本 标 段 的 主 要 施 工 设 备 表序号设备名称型号规格数量国别产地制造年份额定功率(KW)生产能力...
旧房拆除工程培训资料----------------------- -----------------------日期:目 录第一章 编制说明第二章 施工部署与平面布置第三章 ...
南 昆 铁 路 增 建 二 线 临 时 栅 栏 安 装 与防 护 栅 栏 拆 除 专 项 施 工 方 案一、工程概况南昆铁路至段增...

