用刻度尺测特殊物体长度的方法 河北、兴隆、半壁山镇中学 揣 敏 (邮编 067300)刻度尺是测量长度的常用工具,但是通常的刻度尺是直的...
长度单位换算公式1 千米=1 0 00 米 1 米=10 分米 1 分米=10厘米 1米=1 00厘米 1 厘米=1 0 毫米ﻫ面积单位换算公式1...
轴承支承长度及间距对船舶轴系振动特性影响本文主要对轴承的支承长度以及间距对于船舶轴系振动的特性进行相应的分析,发现在不同位置处,以...
长度与角度的计算用 16 个周长为 8 厘米的小正方形拼成了一个大正方形。大正方形的周长是_______厘米。20 个边长为 3 厘米的小正三...
长度与时间的测量第一节1, 长度的基本单位是 ,还有常用单位是 ,它们之间的关系是 ,2, 测量长度的基本工具是 ,更精确的测量要用 ...
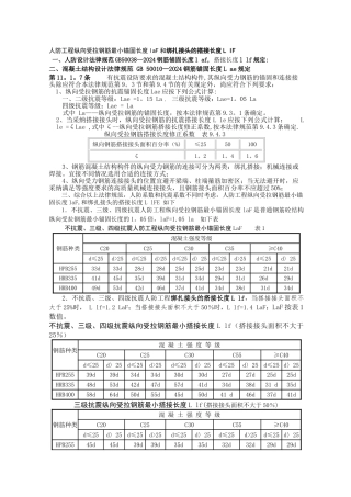
箍筋长度计算公式,弯钩(45 度、90 度、135 度、180 度)箍筋长度计算公式,弯钩(45 度、90 度、135 度、180 度) 理论计算方法:L=2...
日常男士西裤的长度多少才合适男士西裤的合适长度1、西裤的话,裤腿长度最适合的长度是你本人坐下来之后,露出袜子然后裤腿到你的脚踝那个...
5.1 测量长度和时间谁对谁错?7.55cm7.56cm7.54cm 测量的数值和真实值之间存在的差异就叫误差。 误差的来源: ( 测量工具、测量方法、...
2.培育学生操作、观察能力和语言表达能力。3.培育学生爱护学具的良好习惯,激发学生的学习兴趣。4. 使学生初步体会到生活中处处有数学 教...
初中物理试卷第 1 页,共 8 页D.17.5A.3 米长的厘米皮卷尺B.20 厘米长的毫米直C.1 米D.10 厘米长的 0.1长度和时间的测量习题(含...
-1-A.12B.12.46cmC.12.35cmD.12.36cm5、如图所示,是某型号小汽车的车轮及其有关数据,车轮的断面宽的单位应当是()A.kmB.mC.cmD.mm6、202...
镀锌钢管长度与重量换算欢區按型号查找下表,镀锌*1.04〜1.06 系数比如 DN20 的普通管理论重量 1.63*1.04*6=10.17 元/米(单价 6 元...
经线的长度是多少长度是 20000 千米。经线是半圆形,其长度约是赤道长度的一半,赤道的长度是 4 万千米,那么经线的长度约是 2 万千...
第一章走进物理世界八年级物理沪粤版 · 上册1.2 测量长度和时间授课人: XXXX一、新课引入AB和CD哪个较长?中心两个圆哪个较大?...
测量长度和时间
测量长度和时间第一章 走进物理世界 学习目标1. 了解国际单位制中长度的时间的基本单位,会进行有关单位的换算。2. 了解什么是误差。知...
1.2 测量长度和时间一、长度的测量及误差1. 和时间的测量是物理学中最基本的两种测量 . 是测量长度的基本工具 , 是测量时间的常用工...
测量长度和时间 (2)
cad 如何计算图形的长度 篇一:测量 CAD 图面积与长度的简单办法 测量 CAD 图面积与长度的简单办法 测量 Cad 图纸中的面积与长度...
cad 中如何标注弧的长度 篇一:CAD 圆弧弧长标注 CAD 圆弧弧长标注 篇二:螺纹在 CAD 中的参数、画法以及标注 螺纹在 CAD 中的...

