《河海大学(学生课余活动)借用教室审批表(一)》申请学院(部门) :活动(报告、讲座)名称:报告、讲座人姓名:所属单位:职务职称:...
大河坎镇中心小学教室规范布置方案一、指导思想:以校园文化建设思想为指导,以养成教育为主线,积极营造有益于学生身心健康发展的教育氛围...
教室管理系统详细设计说明书教室管理系统详细设计说明书小组成员:万璐璐、李可、赵王靖龙1 引言1.1编写目的编写该系统的详细设计说明书主...
教室管理系统■标准化文件发布号: (9556 ? EUATWK ? MWUB ? WUNN ? INNUL ? DDQTY ? KII2教室管理系统需求规格说明书 (Req...
教室管理员工作总结篇一:教室管理员工作总结工作总结岁月如梭,时光荏苒,来校区快半年了,在学院的领导下和各位教师的大力支持下,我本着...
电子工艺实训报告课题名称教室监控程序姓名院系专业指导教师2016 年 5 月 16 日目录1. 实训任务与内容1.1 实训任务1.2 实训内容2....
安 全 人 机 工 程 学课 程 设 计学院:汽车与交通学院专业:级安全工程姓名:学号:指导教师:撒占友张永亮王春源王玉华青 岛 ...
教室桌椅布置要求1、第一排桌子距离黑板至少2 米;2、人数 54 人以下的班级, 教室桌椅摆放要求为: 8 列 7 排,且第一排靠墙的学...
. 可编辑文档2015— 2016 学年第学期教室日志班级:. 可编辑文档2015— 2016 学年第学期班级日志值日生月日星期天气每 日 格言 :...
教室标语大全Word 文档仅供参照教室口号大全教室口号大全1.志存高远,心系天下。2.志在千里,壮心不已。3.求真尚美,砺志笃行。4.态度决定...
浙 江 工 业 职 业 技 术 学 院毕 业 设 计 开 题 报 告题目教室智能控制系统设计分院电气工程分院专业电气自动化技术班级...
教室时间星期一星期二星期三星期四星期五星期六星期日综合大楼M202多媒体教室80人上午05 营销 2)48 连 锁 营 销 实务黄俊 1-16周...
牛牛文库海量资料分享教室文化节活动策划书一、活动背景:教室作为我们的最基本组成单位, 学校教室文明建设关系到学生生活与学习质量,关...
页尉内容5班级教室布置实施方案班级硬环境的布置是班级文化建设最基本的内容。它不仅体现了班级的精神而貌,而且直接影响到学生的心理健康...
2012 上学期六( 2)班卫生安排表(一)每日小扫卫生| 检查卫生时间:早上7 点 45, 下午 5 点 00责任分工教室走廊厕所责任区域责...
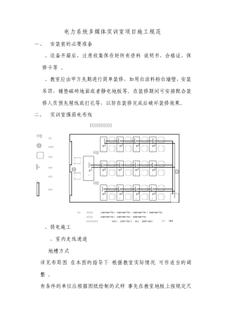
教室多媒体类序号名称详细参数数量单位1 短焦激光投影机(核心产品)DLP技术,纯激光固态光源;2、亮度≥ 4200 流明( 依据国际 ISO211...
教室多媒体需求简述: 1、本次采购总共 3 套教室多媒体,包含美术教室多媒体2 套、普通 教室多媒体1 套。2、本方案所出示样图仅为产品...
幼儿园教室、卫生间安全卫生检查(旬)记录表年月日班级:检查人员:序号检查内容、部位设施状态存在问题整改落实1 电源2 钢琴3 钢琴凳4...
1 / 2 郧县白桑关镇九年一贯制学校(教室、卫生区)卫生检查表检查项目班级教室卫生卫生区合计备注地面整洁桌椅摆放墙壁天花板蛛网卫生...
教室、宿舍8S 行为管理实施细则2 我校教室、宿舍8S 行为管理实施细则为了更好地深入开展学校8S 行为教育管理工作, 不断提升我校学生...

