第 一 节 PE 管 施 工 工 艺 和 质 量 保 证 措 施 1、 概 述 PE 给 水 管 作 为 一 种 新 型 管 材 , ...
PE管施工工艺 2010-3-31 10:25 【大 中 小】【打印】【我要纠错】 施工方案及技术措施 1、给水工程施工测量 1)测量放线:首先根据...
1 P E 管 安 装 施 工 方 案 一 、 工 程 概 况 本 工 程 为 宽 城 县 污 水 处 理 厂 配 套 管 网 改...
编制日期:2013年1月21日。各服务商报价有效期为半年(以1月1日开始计算,除特别注明的以外);单价以元为厂家山东(滨州、惠民、庆云、邹...
PE 的管理流程 字体大小:大 - 中 - 小 sunnyhome 发表于 08-02-16 16:20 阅读(252) 评论(0) 先行解释一下制造和工程方面的专...
PE 文件格式详解 (一) 基础知识 什么是 P E 文件格式: 我们知道所有文件都是一些连续(当然实际存储在磁盘上的时候不一定是连续的...
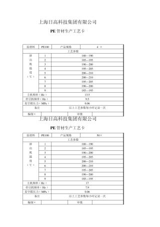
上海日高科技集团有限公司 PE 管材生产工艺卡 原材料 PE100 产品规格 40×3.7 工艺参数 挤 出 机 温 度 ﹝℃﹞ 1 180—190...
PE 热熔焊接作业指导书 一、PE 管热熔全自动焊接作业指导书 1.1 工序流程图 准备工作 → 接热熔连接 → 管阀件安装 → 接口外...
1 PErkinElmer Claru s 500 气相色谱仪培训教材 美国珀金埃尔默仪器(上海)有限责任公司 2 第一部分 编辑仪器控制方法 运行 To...
小动物活体光学成像技术在免疫学研究中的应用 PErkinElmer 小动物活体光学成像技术已在生命科学基础研究、临床前医学研究及药物研发等领...
666PE 塑料水箱(水塔)规格尺寸表 产品型号 容量 等级 底部直径 垂直高度 口径 总高 重量 参考壁厚、重量 PL200 0.2 吨 540...
PE 地埋管道工程 项目区干管、分干管均采用埋设于地面下的两级固定式管道。分干管垂直于干管布置,干、分干管埋深设计为 1.8m。分干管间...
PE 制作图文教程! 管理提醒: 本帖被 ss128 从 『精品软件收集』 移动到本区(2010-03-07) DIY(一): 一、增减外置程序(注:以修...
风险投资中的条款清单(样本) 中文 英文 [____]公司A 系优先股融资 条款清单 [______,200___] TERM SHEET FOR SERIES A PREF...
塑 料 类 专 业 术 语 ABS 塑 料 英 文 名 称 :Acrylonitrile Butadiene Styrene 比 重 :1.05 克 /立 方 厘 米 ,...
LDPE、LLDPE 和HDPE 三种 PE 的区别 最 新 LDPE、 LLDPE和 HDPE三 种 PE的 区 别 --第 1页最 新 LDPE、 LLDPE和 HDPE三...
新疆利安消防工程有限公司重庆分公司1金隅大成黄桷垭项目(一期)(室外消防管网工程)钢骨架塑料复合管专项施工方案编 制 人:审 核 ...
PU、PE、NC、UV 油漆的详细用途以及做法和特性 家具漆的主要品种与涂装技术的应用 目前,家具制造企业常用的涂料品种有:硝基涂料(NC)...
PTFE、PP、PO(PE)衬里管道及管配件系列 PTFE、PP、PO(PE)衬里管道及管配件的分类及结构特点 一、PTFE 衬里直管及管配件 PTFE 衬里直...
PP 聚丙烯 典型应用范围: 汽车工业(主要使用含金属添加剂的PP:挡泥板、通风管、风扇等),器械(洗碗机门衬垫、干燥机通风管、洗衣机...

