建筑工程相关产品试验检测收费标准序号名称试验项目单位收费标准(元)备注一水泥l、密度组252、比表面积组353、细度组30负压筛4、标准稠度用...
工程勘察收费标准目录1.总则2.工程测量3.岩土工程勘察4.岩土工程设计与检测监测5.水文地质勘察6.工程水文气象勘察7.工程物探8.室内...
第1页共15页编号:时间:2021年x月x日书山有路勤为径,学海无涯苦作舟页码:第1页共15页四川省发展和改革委员会四川省财政厅贯彻落实《国家...
工程勘察收费标准目录1.总则2.工程测量3.岩石工程勘察4.岩土工程设计与检测监测5.水文地质勘察6.工程水文气象勘察7.工程物探8.室内试验9.煤...
一、工程勘察设计收费标准1总则1.0.1工程勘察收费是指勘察人根据发包人的委托,收集已有资料、现场踏勘、制订勘察纲要,进行测绘、勘探、取...
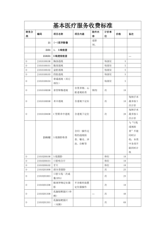
基本医疗服务收费标准财务分类编码项目名称项目内涵除外内容计价单位价格备注21(一)医学影像造影剂、21011.X线检查210101X线透视检查D2101...
测绘工程产品价格国家测绘局颁布二○○二年一月目录(一)说明…………………………………………………………………………………………………...
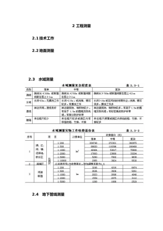
2工程测量2.1技术工作2.2地面测量2.3水域测量2.4地下管线测量2.5洞室测量2.6其他测量3岩土工程勘察3.1技术工作3.2工程地质测绘3.3岩土工程...
1总则1.0.1工程勘察收费是指勘察人根据发包人的委托,收集已有资料、现场踏勘、制订勘察纲要,进行测绘、勘探、取样、试验、测试、检测、监...
广东省城市规划收费标准的建议(行业指导价)2003年10月广东省城市规划协会规划设计分会会议纪要2003年8月4日,广东省城市规划协会规划设计...
3岩土工程勘察3.1技术工作岩土工程勘察技术工作费收费比例表表3.1-1岩土工程勘察等级技术工作费收费比例(%)甲级120乙级100丙级80注:1岩...
工程设计收费标准目录1.总则2.矿山采选工程设计3.加工冶炼工程设计4.石油化工工程设计5.水利电力工程设计6.交通运输工程设计7.建筑市政工程...
1总则1.0.1工程设计收费是指设计人根据发包人的委托,提供编制建设项目初步设计文件、施工图设计文件、非标准设备设计文件、施工图预算文件...
第1页共6页编号:时间:2021年x月x日书山有路勤为径,学海无涯苦作舟页码:第1页共6页当前文档修改密码:8362839分拨中心认可的中远物...
《工程勘察收费标准》(1992版)第三章工程地质勘察第一节工程地质测绘一、工作内容搜集与研究区域地质资料,实地测绘勘察场地及附近地层的...
广东省城市规划收费标准的建议(行业指导价)2003年10月广东省城市规划协会规划设计分会会议纪要2003年8月4日,广东省城市规划协会规划设计...
测绘工程产品价格国家测绘局颁布二○○二年一月目录(一)说明…………………………………………………………………………………………………...
《工程勘察收费标准》和《工程设计收费标准》(二)20002版8室内试验8.1技术工作费室内试验技术工作费收费比例为10%。8.3水质分析8.2土工...
家电维修收费标准
工程设计收费标准目录1.总则2.矿山采选工程设计3.加工冶炼工程设计4.石油化工工程设计5.水利电力工程设计6.交通运输工程设计7.建筑市政工程...

