学号:1102410050411024100527项目实习报告环戊二烯二聚罐机械设计学院机电工程学院专业过程装备与控制工程班级装控11-5学生陈明东曾利贤指...
0储罐防腐施工方案1一、工程概况1二、编制依据3三、施工部署3四、施工准备4五、施工技术方案45.1作业流程图45.2脚手架搭设方案45.3表面处理...
专业合同封面COUNTRACTCOVER20XXPERSONALRESUME甲方:XXX乙方:XXX2024年专业定制不锈钢储罐建设合同本合同目录一览第一条合同主体与定义1....
过程装备设计期中设计11第一章工作参数1.1、设计题目卧置水蒸气储罐设计1.2、基本设计条件1、设计条件:工作压力:2.2Mpa介质:水蒸气2、...
卧式储罐不同液位容积(质量)计算椭圆形封头卧式储罐图hdrlLli参数:l:椭圆封头曲面高度(m);li:椭圆封头直边长度(m);L:卧罐圆柱...
武汉新源水务环境有限公司不锈钢罐体制作工艺一、编制依据本制作工艺是根据招标单位提供的项目相关图纸,以及国家颁发的有关现行施工规范和...
设计任务书设计题目:液氨储罐设计设计任务:试设计一液氨储罐,完成主体设备的工艺设计和附属设备的选型设计。包括筒体、封头、零部件的材...
管道与储罐强度作业答案(2007-2008学年第二学期)第一次作业:1、426×7管道,设计压力6.27MPa,最高运行温度与安装温度之差为55℃。试计...
4甲、乙、丙类液体、气体储罐(区)与可燃材料堆场4.1一般规定4.1.1甲、乙、丙类液体储罐区,液化石油气储罐区,可燃、助燃,〔体储罐区,...
7.1有机液体储罐7.1.1工艺描述再许多工业中都可以发现盛装有机液体的储罐,包括(1)石油生产与提炼,(2)石油化学品和化工生产,(3)储...
化学品事故应急演练方案酸泄漏应急演练**部一、演练时间2018年*月*日二、演练目标假设和演练范围1、演练目标及假设以化学配液酸罐区用盐酸...
储罐基础沉降观测记录单位工程名称杏十八注水、变电站扩改建工程工程编号设备名称冷却水罐设备位号注水站规格型号米e米安装地点注水站场区...
储罐防腐计划书1.1防腐施工方案1.1.1编制说明本施工方案适用于本工程储罐钢板、管道及钢结构有关表面处理、施工程序、检查方法、材料检查、...
储罐防腐蚀技术管理规定2————————————————————————————————作者:——————————————————...
中化泉州1200万吨/年炼油项目85万吨/年芳烃抽提安装工程储罐充水试验方案编制审核审批中国化学工程第九建设公司年月日中国化学第九建设公司...
1/141春风油田排601-20区1×130t/h燃煤注汽站工程2×1000m3储罐脚手架搭设施工方案编制:审核:批准:胜利油建公司新疆分公司2014年4月6日2/...
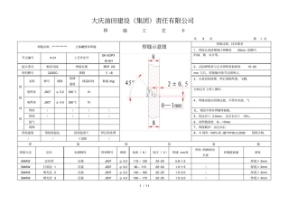
1/11大庆油田建设(集团)责任有限公司焊接工艺卡共9页第1页焊缝名称:*************主体罐壁环焊缝焊缝示意图焊接过程、技术要求1、焊前认...
SH3503–J119防腐绝缘层电火花检测报告工程名称:单元名称:工程类别:设备安装工程报告编号GZSF-081207检件名称储罐防腐等级特加强级别执...
2000m3储罐拆除方案一、编制依据1、施工合同2、2000m3、化工储罐施工图。3、GBJ128-1990《立式圆筒形钢制焊接储罐施工及验收规范》;5、SH3...
施工方案报审表工程名称:太仓中石油润滑油添加剂有限公司建设工程编号:致:兰州寰球工程太仓中石油添加剂工程项目监理部我方已根据施工承...

