电脑桌面
添加小米粒文库到电脑桌面
安装后可以在桌面快捷访问

储罐焊接工艺卡VIP免费

储罐焊接工艺卡_第1页
1/11
储罐焊接工艺卡_第2页
2/11
储罐焊接工艺卡_第3页
3/11
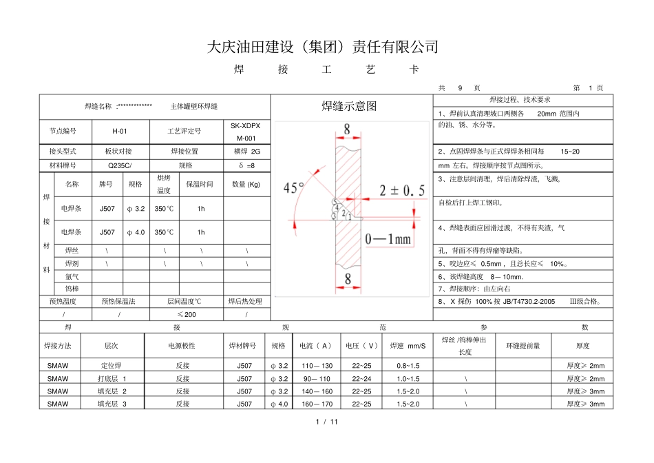
1/11大庆油田建设(集团)责任有限公司焊接工艺卡共9页第1页焊缝名称:*************主体罐壁环焊缝焊缝示意图焊接过程、技术要求1、焊前认真清理坡口两侧各20mm范围内节点编号H-01工艺评定号SK-XDPXM-001的油、锈、水分等。接头型式板状对接焊接位置横焊2G2、点固焊焊条与正式焊焊条相同每15~20材料牌号Q235C/规格δ=8mm左右。焊接顺序按节点图所示。焊接材料名称牌号规格烘烤温度保温时间数量(Kg)3、注意层间清理,焊后清除焊渣,飞溅,电焊条J507φ3.2350℃1h自检后打上焊工钢印。电焊条J507φ4.0350℃1h4、焊缝表面应园滑过渡,不得有夹渣,气焊丝\\\\孔,背面不得有焊瘤等缺陷。焊剂\\\\5、咬边应≤0.5mm,且总长应≤10%。氩气6、该焊缝高度8—10mm.钨棒7、焊接顺序:由左向右预热温度预热保温法层间温度℃焊后热处理8、X探伤100%按JB/T4730.2-2005Ⅲ级合格。//≤200/焊接规范参数焊接方法层次电源极性焊材牌号规格电流(A)电压(V)焊速mm/S焊丝/钨棒伸出长度环缝提前量厚度SMAW定位焊反接J507φ3.2110—13022~250.8~1.5厚度≥2mmSMAW打底层1反接J507φ3.290—11022~241.0~1.5\厚度≥2mmSMAW填充层2反接J507φ3.2140—16022~251.5~2.0\厚度≥3mmSMAW填充层3反接J507φ4.0160—17022~251.5~2.0\厚度≥3mm2/11SMAW填充层4反接J507φ4.0160—17022~251.5~2.0\厚度≥3mmSMAW填充层5反接J507φ4.0160—17022~251.5~2.0\厚度≥2mm3/11大庆油田建设(集团)责任有限公司焊接工艺卡共9页第2页焊缝名称:*************主体罐壁环焊缝焊缝示意图焊接过程、技术要求1、焊前认真清理坡口两侧各20mm范围内节点编号H-02工艺评定号SK-XDPXM-001的油、锈、水分等。接头型式板状对接焊接位置横焊2G2、点固焊焊条与正式焊焊条相同每15~20材料牌号Q235C规格δ=8/10mm左右。焊接顺序按节点图所示。焊接材料名称牌号规格烘烤温度保温时间数量(Kg)3、注意层间清理,焊后清除焊渣,飞溅,电焊条J507φ3.2350℃1h自检后打上焊工钢印。电焊条J507φ4.0350℃1h4、焊缝表面应园滑过渡,不得有夹渣,气焊丝\\\\孔,背面不得有焊瘤等缺陷。焊剂\\\\5、咬边应≤0.5mm,且总长应≤10%。氩气6、该焊缝高度10—12mm.钨棒7、焊接顺序:由左向右预热温度预热保温法层间温度℃焊后热处理8、X探伤100%按JB/T4730.2-2005Ⅲ级合格。//≤200/焊接规范参数焊接方法层次电源极性焊材牌号规格电流(A)电压(V)焊速mm/S焊丝/钨棒伸出长度环缝提前量厚度SMAW定位焊反接J507φ3.2110—13022~250.8~1.5厚度≥2mmSMAW打底层1反接J507φ3.290—11022~241.0~1.5\厚度≥2mmSMAW填充层2反接J507φ3.2140—16022~251.5~2.0\厚度≥4mmSMAW填充层3反接J507φ4.0160—17022~251.5~2.0\厚度≥3mm4/11SMAW填充层4反接J507φ4.0160—17022~251.5~2.0\厚度≥3mmSMAW填充层5反接J507φ4.0160—17022~251.5~2.0\厚度≥3mm5/11大庆油田建设(集团)责任有限公司焊接工艺卡共9页第3页焊缝名称:海水淡化系统水箱主体罐壁立焊缝焊缝示意图焊接过程、技术要求1、焊前认真清理坡口两侧各20mm范围内节点编号H-03工艺评定号SK-XDPXM-001的油、锈、水分等。接头型式板状对接焊接位置立焊3G2、点固焊焊条与正式焊焊条相同每25~30材料牌号Q235C规格δ=8mm左右。焊接顺序按节点图所示。焊接材料名称牌号规格烘烤温度保温时间数量(Kg)3、注意层间清理,焊后清除焊渣,飞溅,电焊条J507φ3.2350℃1h自检后打上焊工钢印。电焊条J507φ3.2350℃1h4、焊缝表面应园滑过渡,不得有夹渣,气焊丝\\\\孔,背面不得有焊瘤等缺陷。焊剂\\\\5、咬边应≤0.5mm,且总长应≤10%。氩气6、该焊缝高度8—10mm.钨棒7、焊接顺序:由下向上预热温度预热保温法层间温度℃焊后热处理8、X探伤100%按JB/T4730.2-2005Ⅲ级合格。//≤200/焊接规范参数焊接方法层次电源极性焊材牌号规格电流(A)电压(V)焊速mm/S焊丝/钨棒伸出长度环缝提前量厚度SMAW定位焊反接J507φ3.2110—13022~250.8~1.2厚度≥2mmSMAW打底层1反接J507φ3.290—11022~241.2~1.5\厚度≥3mmSMAW填充层2反接J507φ3.2150—16022~252.0~2.5\厚度≥3mm6/11SMAW填充层3反接J507φ3.2150—16022~252.0~2.5\厚度≥4mm大...

1、当您付费下载文档后,您只拥有了使用权限,并不意味着购买了版权,文档只能用于自身使用,不得用于其他商业用途(如 [转卖]进行直接盈利或[编辑后售卖]进行间接盈利)。
2、本站所有内容均由合作方或网友上传,本站不对文档的完整性、权威性及其观点立场正确性做任何保证或承诺!文档内容仅供研究参考,付费前请自行鉴别。
3、如文档内容存在违规,或者侵犯商业秘密、侵犯著作权等,请点击“违规举报”。

碎片内容

储罐焊接工艺卡

确认删除?
VIP
微信客服
  • 扫码咨询
会员Q群
  • 会员专属群点击这里加入QQ群
客服邮箱
回到顶部