龙门吊维护保养制度广东长大公路工程有限公司2024 年 10 月 27 日龙门吊维护保养制度管理制度龙门吊司机职责:上班后首先对整个龙门吊...
高杆灯维护保养法律规范1.检查与准备根据维护保养需要下达 ERP 工单后开始相关工作。上报调度人员并填写 PPS 维检修作业计划 ,经同意...
酒店设备设施维护保养制度酒店设备设施维护保养制度前言:建立设备设施维护保养制度是为了保持设备正常使用、运行,延长使用寿命所必须进行...
设备维护保养管理规定范文 5 篇随着医疗事业的不断进展,医疗设备的维修、维护保养工作变得越来越至关重要,因此制定了相关管理规定,下...
设备安装、维修标准与管理第一章总那么第1.0.1条为了指导机械设备安装工程的施工及验收,确保质量和平安,促进技术进步,提高经济效益...
维护保养方案定期维护保养服务内容1.前言....................................................................22.说明....................
可编辑范本!长园华盛(泰兴)锂电材料有限公司应急器材管理与维护保养制度第一章总则第一条为了保证应急器材的完好和正确使用,防止应急器...
精彩文档华能随县界山风电有限责任公司一期台风机第二次定期维护完工报告批准:审核:编制:维护单位:上海风晟新能源工程技术有限公司精彩...
生产工具、工装、设备维护保养法律规范一、工装包括:模具、量具、各类夹具和辅具。二、生产部负责组织日常维护和定期保养工作的开展,日常...
消防设施器材维修保养制度1、单位的消防设施器材实行专人或定人管理制度。2、管理人员对消防器材定期进行检查和保养,确保器材的完好有效。...
污水处理站设备维护保养细则 一、电动机的保养 1、每年定期检查绝缘阻值,检查输入电压,转子的均衡以及相位是否均衡。 2、每季测量温度...
机械装置维护保养制度 为保证公司所有机械设备的完好率,利用率及固定资产的增值,特制订如下规定: 一、机械设备的管理,体制及设备管理...
电梯维护保养计划电梯维护保养可分为:半月保养、季度保养、半年保养、全年保养。如厂家有特殊要求的,遵照厂家要求。一、半月保养基本要求...
显微镜使用、维护保养标准操作规程1 范围本标准适用于车间疫苗制造中观察细胞质量所用倒置显微镜的使用和维护。2 职责操作人员:严格按本...
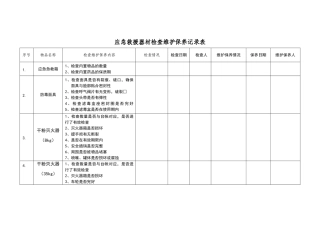
应急救援器材检查维护保养记录表序号物品名称检查维护保养内容检查情况检查日期检查人维护保养情况保养日期维护保养人1.应急急救箱1、检查...
医学内窥镜维护保养与故障预防培训第一部分单选题(每题 5 分)1. ()和 CCD 的作用相似,是软性内窥镜成像的核心部件。[单选题]*A...
工厂生产设备维护保养工作计划内容工厂生产设备维护保养工作计划内容 1. 目的 设备在使用过程中,随着运行工时的增加,各部机构、零件和...
1)检查隔膜泵管路及结合处有无松动现象。用手转动隔膜泵,试看隔膜泵是否灵活。(2)向轴承体内加入轴承润滑机油,观察油位应在油标的中心...
冲床安全操作规程及维护保养一、目的冲床是具有很大风险加工机床,必须牢固树立安全第一的思想,必须严格操作流程,严防意外发生。规范冲床操...
救生艇维护保养手册LIFEBOATMAINTAININGMANUAL昌池CHANGCHI中海发展股份有限公司CHINASHIPPINGDEVELOPMENTCO.,LTD.*■.救生艇及其属具、存...

