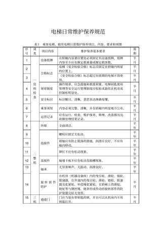
电梯日常维护保养规范表1乘客电梯、载货电梯日常维护保养项目、内容、要求和周期序号项类项目内容维护保养基本要求周期1一资料检查设备铭牌...
电梯(扶梯)维护保养合同2————————————————————————————————作者:——————————————————...
设备设施、自动化安全控制系统的维护保养、检测管理制度为了设备设施检维修、检测过程中,认真贯彻“安全第一,预防为主,综合治理”的方针...
xxxx有限公司操作标准类文件文件名称电子天平维护保养检修操作规程(通则)文件编号SOP-执行日期年月日起草人审核人批准人起草日期年月日审...
电动汽车维护保养————————————————————————————————作者:——————————————————————...
实用标准文档xx大区物业系统电梯维护保养管理制度编制日期2015.01.01审核日期2015.01.01批准日期2015.01.01修订记录日期修订状态修订内容修...
户内燃气设施运行维护保养制度客户服务部2013版目录章节页码第一章前言第二章有关法例及其它工作守则第三章组织架构及职责1.组织形式2.人员...
灭火器——设备维护保养记录1.检查保险装置没有破损或遗失月12月3月4月5月6月7月8月月910月月11有没2.检查损显明的坏,腐蚀,泄露或有喷嘴...
-1-第二节系统概况一、项目概述1、建筑名称:消防系统设施设备维护保养2、建筑地址:3、建筑性质:4、建筑总面积:5、主机系统:二、主要消...
1消防设施维保方案及计划年月日2消防报警系统维修保养方案(一)消防设施维修保养计划一)、月检1、检查火灾报警系统的功能,试验火灾报警装...
1消防设施维保方案及计划***********技术有限公司2016年5月4日2消防报警系统维修保养方案(一)消防设施维修保养计划一)、月检1、检查火灾...
......学习参考第一章目的与范围:1.1目的﹕为使能对本工程的各类消防设施进行有效的维护及保养,使其处于最佳工作状态。保证在发生意外状况...
浓香型优质白酒窖池的建造与维护保养方法新疆农业科学2006,43($1):213—215Xi~iangAgriculturalSciences浓香型优质白酒窖池的建造与维护保...
填空题1.我国现行的汽车维护制度贯彻预防为主,定期检测、强制维护的原则。2.日常维护是日常性作业,由驾驶员负责执行。日常维护作业以清洁、...
模具的维护保养知识模具的一级保养模具的一级保养指的是在生产中操作人员对模具进行和日常保养,主要内容为清擦、润滑和检查。一、装模时的...
ICS哈尔滨888股份有限公司企业标准Q/HHWQ/HHW1201—2006检验、试验仪器设备保养维护规定2006-12-01发布2006-12-01实施哈尔滨888股份有限公...
普通立式车床维护保养规范例保内容要求一、二级保养内容要求保养部位一级保养保养部位二级保养班前1、擦净机床各部外露导轨及滑动面;2、按...
施工机械与机具管理工作指引和维护保养记录施工机械与机具管理工作指引和维护保养记录施工机械与机具特指使用的特种设备、施工机械与工器具...
第1页共4页2024年生产设备维护保养管理制度____年生产设备维护保养管理制度第一章总则第一条为了保障设备的正常运行,提高设备的可靠性和使...
第1页共5页2024年天车安全技术操作规程和维护保养方法为了保证人员和设备安全及生产正常运行,天车工必须严格遵守和认真执行起重机安全技术...

