电脑桌面
添加小米粒文库到电脑桌面
安装后可以在桌面快捷访问

电梯日常维护保养规范剖析VIP专享VIP免费

电梯日常维护保养规范剖析_第1页
1/8
电梯日常维护保养规范剖析_第2页
2/8
电梯日常维护保养规范剖析_第3页
3/8
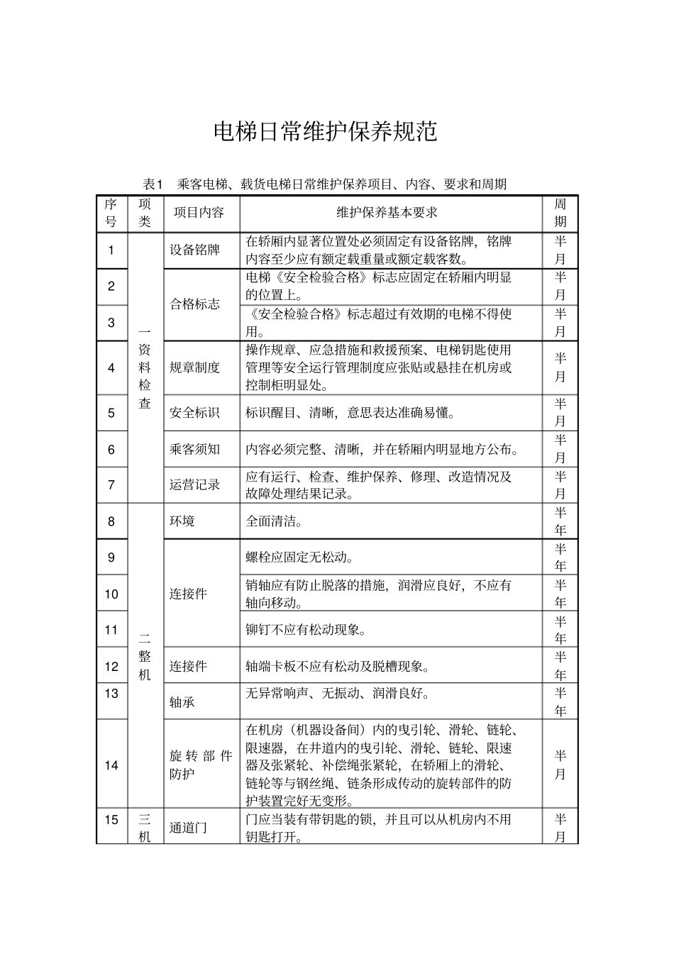
电梯日常维护保养规范表1乘客电梯、载货电梯日常维护保养项目、内容、要求和周期序号项类项目内容维护保养基本要求周期1一资料检查设备铭牌在轿厢内显著位置处必须固定有设备铭牌,铭牌内容至少应有额定载重量或额定载客数。半月2合格标志电梯《安全检验合格》标志应固定在轿厢内明显的位置上。半月3《安全检验合格》标志超过有效期的电梯不得使用。半月4规章制度操作规章、应急措施和救援预案、电梯钥匙使用管理等安全运行管理制度应张贴或悬挂在机房或控制柜明显处。半月5安全标识标识醒目、清晰,意思表达准确易懂。半月6乘客须知内容必须完整、清晰,并在轿厢内明显地方公布。半月7运营记录应有运行、检查、维护保养、修理、改造情况及故障处理结果记录。半月8二整机环境全面清洁。半年9连接件螺栓应固定无松动。半年10销轴应有防止脱落的措施,润滑应良好,不应有轴向移动。半年11铆钉不应有松动现象。半年12连接件轴端卡板不应有松动及脱槽现象。半年13轴承无异常响声、无振动、润滑良好。半年14旋转部件防护在机房(机器设备间)内的曳引轮、滑轮、链轮、限速器,在井道内的曳引轮、滑轮、链轮、限速器及张紧轮、补偿绳张紧轮,在轿厢上的滑轮、链轮等与钢丝绳、链条形成传动的旋转部件的防护装置完好无变形。半月15三机通道门门应当装有带钥匙的锁,并且可以从机房内不用钥匙打开。半月序号项类项目内容维护保养基本要求周期16房门外侧应当标明“机房重地,闲人免进”,或有其它类似警示标志。半月17机房(机器设备间)机房(机器设备间)应当专用,不得用于电梯以外的其他用途。半月18通道照明通道照明应当设置永久性电气照明,照度应当足够。半月19机房照明机房应当设置永久性电气照明,照度应当足够。半月20环境机房及通道清洁无杂物、门窗完好。半月21机房通风应良好,机房内的环境环境温度应保持在5~40℃之间。半月22控制柜每台电梯的断相或错相保护装置可靠有效。一年23各仪表显示清楚正确。一年24各接线紧固、整齐、线号齐全清晰。一年25接触器和继电器的触点接触良好。半月26驱动主机工作时应当无异常噪声和振动。半月27曳引轮轮槽应清洁,无严重油腻。季度28曳引轮轮槽不得有严重磨损。半年29减速机油量适宜,除蜗杆伸出端外均无渗漏。半月30按制造单位要求适时更换减速箱内齿轮油,保证油质符合要求。一年31制动装置各销轴部位润滑良好,动作灵活可靠,保持有足够的制动力。半月32制动器打开时,闸瓦与制动轮不应发生摩擦。半月33检测开关应工作可靠有效。半年表1(续)序号项类项目内容维护保养基本要求周期34三机制动装置制动衬磨损均匀,磨损量不应大于电梯制造单位的规定值。季度35房可拆卸的制动器铁芯(柱塞)应按制造单位要求进行清洁、润滑。一年36紧急操作装置对于可拆卸盘车手轮,设置的电气安全装置,最迟在盘车手轮装上电梯驱动主机时应当动作。一年37松闸扳手应涂成红色,盘车手轮应是无辐条的并且涂成黄色,可拆卸盘车手轮应放置在机房内容易接近的明显部位。一年38在电梯驱动主机上接近盘车手轮处,应明显标出轿厢运行方向,如果手轮是不能拆卸的可以在手轮上标出。一年39应当能够通过操纵手动松闸装置松开制动器,并且需要以一持续力保持其松开状态。一年40如果依靠持续揿压按钮来控制轿厢运行,此按钮应有防止误操作的保护,按钮上或其近旁应标出相应的运行方向。一年41一旦进入检修运行,紧急电动运行装置控制轿厢运行的功能由检修控制装置所取代,取代可靠有效。一年42进行紧急电动运行操作时,应有平层标志或电子信号提示,易于观察到轿厢是否在开锁区。一年43限速器销轴部位润滑良好、转动灵活,限速器轮槽和限速绳清洁无油腻。季度44限速器夹绳钳口无磨损,应有足够夹持力。一年45限速器或者其他装置上应当设有在轿厢上行或者下行速度达到限速器动作速度之前动作的电气安全装置,以及验证限速器复位状态的电气安全装置,该电气安全装置应可靠有效。季度46限速器核验合格证书应在有效期内。如果限速器使用周期达到2年或者动作出现异常,应当由有条件的机构对限速器进行动作速度核验,并且由该机构出具核验报告。半月47编码器应清洁无尘,安装...

1、当您付费下载文档后,您只拥有了使用权限,并不意味着购买了版权,文档只能用于自身使用,不得用于其他商业用途(如 [转卖]进行直接盈利或[编辑后售卖]进行间接盈利)。
2、本站所有内容均由合作方或网友上传,本站不对文档的完整性、权威性及其观点立场正确性做任何保证或承诺!文档内容仅供研究参考,付费前请自行鉴别。
3、如文档内容存在违规,或者侵犯商业秘密、侵犯著作权等,请点击“违规举报”。

碎片内容

电梯日常维护保养规范剖析

爱的疯狂+ 关注
实名认证
内容提供者

该用户很懒,什么也没介绍

确认删除?
VIP
微信客服
  • 扫码咨询
会员Q群
  • 会员专属群点击这里加入QQ群
客服邮箱
回到顶部