下载后可任意编辑盾构段监控量测方案12024 年 4 月 19 日广深港客运专线 ZH-4 标益田路隧道工程盾构段监控量测方案编制: 审核: 批...
监控量测要求 ( 选测) 围岩压力量测钢支撑内及外力量测围岩内部位移量测锚杆轴力渗水压力两层支护间压力量测支护衬砌内应力1、监测目的...
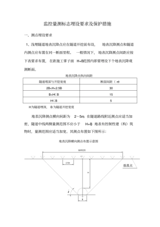
监控量测标志埋设要求及保护措施一、测点埋设要求1、浅埋隧道地表沉降点应在隧道开挖前布设,地表沉降测点和隧道内测点应布置在同一断面里...
下载后可任意编辑市府广场地下通道监控量测方案设计12024 年 4 月 19 日下载后可任意编辑一、工程概况本工程为市府广场公交换乘中心改...
下载后可任意编辑地铁车站监控量测方案车站12024 年 4 月 19 日一、汉中门车站基坑施工监测方案1.1 工程概况汉中门车站位于汉中路南...
新建连云港至盐城铁路站前工程LYZQ-Ⅱ标段焦庄隧道监控量测施工专项方案中铁十一局连盐铁路项目经理部二〇一四年三月新建连云港至盐城铁路...
第一部:塑料(非球面)镜片的开发,测量与生产技术 本文章阐述了塑料镜片的生产开发过程,包括成型从材料的介绍,模具的设计制造,非球面模...
下载后可任意编辑FHEC-SD-10-隧道现场监控量测工艺标准12024 年 5 月 29 日下载后可任意编辑22024 年 5 月 29 日下载后可任意编...
_隧道监控量测电子表格计算
LCD量测方法
下载后可任意编辑风道暗挖施工监控量测方案编制:审核:审批:风道暗挖施工监控量测方案下载后可任意编辑一、编制依据及目的1.1 采纳浅埋...
下载后可任意编辑 精品文档下载 最新资料,word 文档,可以自由编辑!!下载后可任意编辑【本页是封面,下载后可以删除!】国家重点公路...
中缅油气管道工程隧道(国内段)第五合同项监控量测专项方案编 制: 审 核: 技术负责人: 单位负责人: 中铁八局中缅油气管道工程隧...
下载后可任意编辑×××隧道施工监控量测专项施工方案编制提纲(参考示例)1. 编制依据(应根据铁路和公路项目的不同要求引用相关依据)2....
下载后可任意编辑围岩监控量测施工作业指导书1.编制目的明确隧道围岩监控量测施工作业的工艺流程、操作要点和相应的工艺标准,指导、法律...
福建省南安(金淘)至厦门高速公路泉州段石鼓山隧道监控量测专项施工方案编制: 审核: 批准: 中铁七局集团第三工程有限公司福建省南安...
遵义市巷口经鸭溪至三合(巷新段)公路 TJ-1 合同段石关隧道监控量测专项方案石关隧道监控量测专项方案 编制: 复核: 审核: 中铁一局...
下载后可任意编辑福茄路隧道工程监控量测周报FQJC018(2024.06.15~2024.06.29)重庆市建设工程质量检验测试中心2012 年 6 月 29 日下...
下载后可任意编辑监控量测检查报告2011 年 9 月 2 日至 2011 年 9 月 10 日,监理站测量室对JHSK-I、JHSK-II、JHS-V 标段内隧...
下载后可任意编辑目录1 量测目的..........................................................................................22 编制...

