电脑桌面
添加小米粒文库到电脑桌面
安装后可以在桌面快捷访问

监控量测标志要求及保护措施

监控量测标志要求及保护措施_第1页
1/4
监控量测标志要求及保护措施_第2页
2/4
监控量测标志要求及保护措施_第3页
3/4
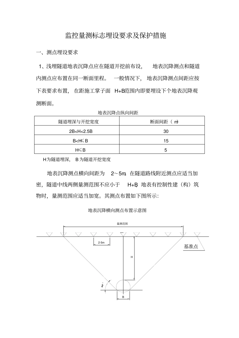
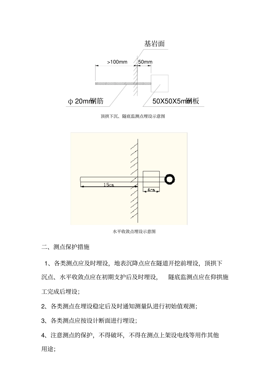
监控量测标志埋设要求及保护措施一、测点埋设要求1、浅埋隧道地表沉降点应在隧道开挖前布设,地表沉降测点和隧道内测点应布置在同一断面里程。一般情况下, 地表沉降测点间距应按下表要求布置, 在距施工掌子面 H+B范围内即要埋设下个地表沉降观测断面。地表沉降点纵向间距隧道埋深与开挖宽度断面间距( m)2B100mm50X50X5mm钢板φ 20mm钢筋基岩面50mm顶拱下沉、隧底监测点埋设示意图水平收敛点埋设示意图二、测点保护措施1、各类测点应及时埋设,地表沉降点应在隧道开挖前埋设,顶拱下沉点、水平收敛点应在初期支护后及时埋设,隧底监测点应在仰拱施工完成后埋设;2、各类测点在埋设稳定后及时通知测量队进行初始值观测;3、各类测点应按设计断面进行埋设;4、注意测点的保护,不得破坏,不得在测点上架设电线等用作其他用途;5、测点破坏之后应及时补埋,并通知测量队进行复测,重新确定初始值;6、每个断面应该悬挂标示牌,并在测点外围用醒目的油漆等标识,防止机械碰撞, 监控量测测点应设置测点保护责任人,监控量测标志牌形式如下:量测标示牌填写说明:断面里程、围岩类别、埋设时间、保护责任人由隧道施工队技术人员填写(设置专人负责);管理等级、变形量由测量队计算后及时通知隧道施工技术人员填写。附:苏家川隧道、西坡隧道量测断面表宝兰客专项目经理部第二工区测量队2013 年 5 月 14 日量测标志牌断面里程:围岩等级:埋设时间:管理等级:顶拱下沉量:第一条收敛:第二条收敛:第三条收敛:最近期观测时间:责 任 人:

1、当您付费下载文档后,您只拥有了使用权限,并不意味着购买了版权,文档只能用于自身使用,不得用于其他商业用途(如 [转卖]进行直接盈利或[编辑后售卖]进行间接盈利)。
2、本站所有内容均由合作方或网友上传,本站不对文档的完整性、权威性及其观点立场正确性做任何保证或承诺!文档内容仅供研究参考,付费前请自行鉴别。
3、如文档内容存在违规,或者侵犯商业秘密、侵犯著作权等,请点击“违规举报”。

碎片内容

监控量测标志要求及保护措施

您可能关注的文档

爱的疯狂+ 关注
实名认证
内容提供者

该用户很懒,什么也没介绍

确认删除?
VIP
微信客服
  • 扫码咨询
会员Q群
  • 会员专属群点击这里加入QQ群
客服邮箱
回到顶部