万科唐家墩城中村改造K6地块幼儿园模板工程安全专项施工方案(专家论证修改版)编制人:审核人:审批人:山河建设集团有限公司万科·大都汇项...
目录1.编制依据.......................................................................................................................
一、编制依据本工程支模形式采用扣件式钢管脚手架,本高大模板施工方案的编制依据有以下资料及规范:1、本工程施工图纸;2、依据本工程施工...
高支模板支撑体系及制作、安装要求高支模板支撑体系及制作、安装要求提要:立杆接头采用对接扣件连接,相邻两根立杆接头不设在同一步内,相...
目录第一章、总体概述.................................................................................................................
体育馆高支模满堂支撑架施工方案目录一、编制依据二、工程概况三、施工计划四、方案设计及施工工艺技术4.1工程特点及方案的选择4.2支架设计...
目录一、工程概况…………………………………………………………………………………2二、编制依据…………………………………………………...
目录一、编制依据.....................................................................................................................
GD2201003□□高支模专项设计施工方案工程名称:广州市棠溪商住楼(自编B栋)工程地点:广州市三元里大道1230号施工单位:广东省煤炭建设(...
目录一、工程概况................................-1-二、编制依据................................-1-三、施工准备.......................
高支模工程监理施行细那么一.工程概况:1.工程名称:2.建立:3.设计:4.施工:5.监理:6.工程:二.高支模安装特点:根据设计使用要求本工程部...
浩然国际花园A标建筑安装工程监理施行细那么监理施行细那么〔高支模〕内容提要:专业工程特点监理工作流程监理工作控制要点及目的值监理工...
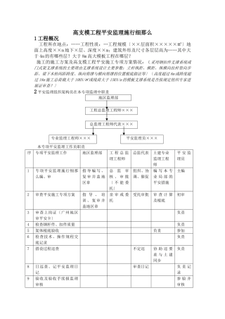
高支模工程平安监理施行细那么1工程概况工程所在地点:……工程性质:…工程规模〔××层面积×××××㎡〕地面上高度××m地下×层、深度...
广深铁路石龙车站迁建工程高支模工程监理施行细那么编制人:审核人:批准人:华南铁路建立监理广深铁路石龙车站迁建工程工程监理站二〇一〇...
目录1.编制依据.......................................................................................................................
中粮米业(巢湖)30万吨稻谷加工项目大米车间安徽天成建设有限公司二〇一一年十月目录一、编制依据.........................................
目录第一章工程概况....................................................1一、基本情况..................................................
高支模施工体系的操作要点及注意事项总结高大模板施工技术在高度要求上具有高度高的技术特点,并对大跨度的建设环境有极高的适应性,其自身...
目录一、工程概况.............................................................................................................2二、...
合肥城市轨道交通工程承包单位:深圳市晶宫设计装饰工程有限公司合同号:项目监理机构:上海市工程设备监理有限公司编号:B.0.1-施工组织...

