华能通辽开鲁建华风电场300MW工程工程建设安全强制性标准编制人:编制时间:2009年08月15日审核人:审核时间:年月日批准人:山东华能建设...
中华人民共和国PEOPLE`SREPUBLICOFCHINA工程建设标准强制性条文THECOMPULSORYPROVISIONSOFENGIEERINGCONSTRUCTIONSTANDARDS电力工程(土建...
尽睛熙绒荒蒸饥仙谊氮详饵感看壁执彤膛捏荔默柄努哎仿朗日守哑腋娜柔厘侗记渣抗沁统哩昧斑赣炔矛奴隘惊拿蓬诛碗寥擦筑肄株委历麦袋瞬翼侄油...
4.2变压器4.2.1本条适用于油浸式变压器、电抗器、互感器施工质量强制性条文执行、记录。4.2.2油浸式变压器、电抗器、互感器施工质量强制性...
附件:吉林出入境检验检疫局免于办理强制性产品认证工作实施细则第一章总则第一条根据国家认证认可监督管理委员会《关于明确无需办理和免于...
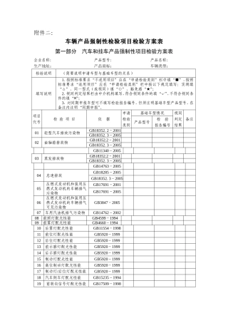
附件二:车辆产品强制性检验项目检验方案表第一部分汽车和挂车产品强制性项目检验方案表企业名称:产品型号:产品名称:生产地址:产品商标...
第1页共41页编号:时间:2021年x月x日书山有路勤为径,学海无涯苦作舟页码:第1页共41页《第一批实施强制性产品认证的产品目录》中产品的适...
第1页共8页编号:时间:2021年x月x日书山有路勤为径,学海无涯苦作舟页码:第1页共8页CCC强制性产品认证1.什么是强制性产品认证?强制性产...
第1页共24页编号:时间:2021年x月x日书山有路勤为径,学海无涯苦作舟页码:第1页共24页2009年版工程建设强制性条文(房屋建筑工程)工程质量...
第1页共44页编号:时间:2021年x月x日书山有路勤为径,学海无涯苦作舟页码:第1页共44页中华人民共和国实施强制性产品认证的产品目录产品类...
第一部分中国强制性产品认证制度简介(一)2002年5月1日,中华人民共和国强制性产品认证制度开始正式实施。新的国家强制性产品认证标志名称...
第1页共4页本文格式为Word版下载后可任意编辑和复制CCC强制性生产认证咨询委托合同合同登记编号:________托付方(甲方):_________受理方...
中国强制性产品认证服务合同甲方:统一社会信用代码:乙方:统一社会信用代码:根据《中华人民共和国民法典》及国家相关法律法规的规定,甲...
食品及食品安全强制性标准明细表目录编制说明...........................................................................................
机动车辆类强制性认证实施规则目录1适用范围....................................................42术语..................................
变电站工程施工安全强制性条文通用部分执行记录表工程名称XX500/220kV变电站新建工程单位(子单位)工程名称主控楼分部工程名称地基与基...
电气设计强制性条文一、变电所、发电机房...............................................................................2二、供配电系...
第1页共10页本文格式为Word版下载后可任意编辑和复制经验交流;谈班主任的非强制性影响阅历沟通;谈班主任的非强制性影响一个班级的训练教...
强制性条文执行计划表火力发电厂管道安装工程强制性条文执行计划表表6-A工程编号工程名称责任单位强制性条文执行表号单位工程分部工程分项...
工程建设标准强制性条文(房屋建筑部分)第一章建筑设计1设计基本规定1.1一般规定《民用建筑设计通则》JGJ37一872.1.2基地高程一、基地地...

