电脑桌面
添加小米粒文库到电脑桌面
安装后可以在桌面快捷访问

车辆产品强制性检验项目检验方案表VIP免费

车辆产品强制性检验项目检验方案表_第1页
1/8
车辆产品强制性检验项目检验方案表_第2页
2/8
车辆产品强制性检验项目检验方案表_第3页
3/8
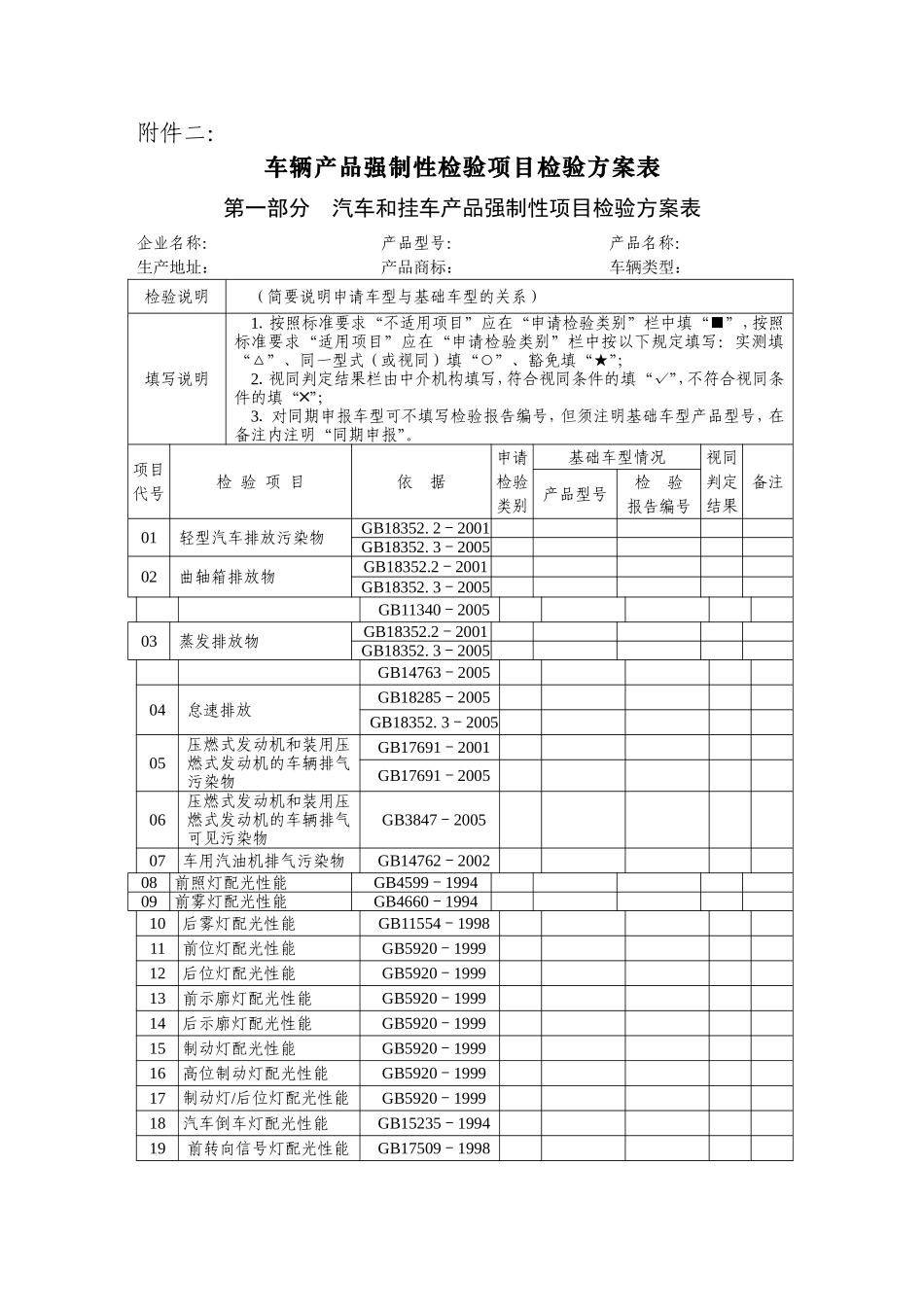
附件二:车辆产品强制性检验项目检验方案表第一部分汽车和挂车产品强制性项目检验方案表企业名称:产品型号:产品名称:生产地址:产品商标:车辆类型:检验说明(简要说明申请车型与基础车型的关系)填写说明1.按照标准要求“不适用项目”应在“申请检验类别”栏中填“■”,按照标准要求“适用项目”应在“申请检验类别”栏中按以下规定填写:实测填“△”、同一型式(或视同)填“○”、豁免填“★”;2.视同判定结果栏由中介机构填写,符合视同条件的填“√”,不符合视同条件的填“╳”;3.对同期申报车型可不填写检验报告编号,但须注明基础车型产品型号,在备注内注明“同期申报”。项目代号检验项目依据申请检验类别基础车型情况视同判定结果备注产品型号检验报告编号01轻型汽车排放污染物GB18352.2-2001GB18352.3-200502曲轴箱排放物GB18352.2-2001GB18352.3-2005GB11340-200503蒸发排放物GB18352.2-2001GB18352.3-2005GB14763-200504怠速排放GB18285-2005GB18352.3-200505压燃式发动机和装用压燃式发动机的车辆排气污染物GB17691-2001GB17691-200506压燃式发动机和装用压燃式发动机的车辆排气可见污染物GB3847-200507车用汽油机排气污染物GB14762-200208前照灯配光性能GB4599-199409前雾灯配光性能GB4660-199410后雾灯配光性能GB11554-199811前位灯配光性能GB5920-199912后位灯配光性能GB5920-199913前示廓灯配光性能GB5920-199914后示廓灯配光性能GB5920-199915制动灯配光性能GB5920-199916高位制动灯配光性能GB5920-199917制动灯/后位灯配光性能GB5920-199918汽车倒车灯配光性能GB15235-199419前转向信号灯配光性能GB17509-1998项目代号检验项目依据申请检验类别基础车型情况视同判定结果备注产品型号检验报告编号20后转向信号灯配光性能GB17509-199821侧转向信号灯配光性能GB17509-199822前回复反射器GB11564-199823侧回复反射器GB11564-199824后回复反射器GB11564-199825三角形回复反射器GB11564-199826汽车外部照明和信号装置安装规定GB4785-199827前照灯光束照射位置及发光强度GB7258-200428汽车正面碰撞乘员保护GB11551-200329汽车和挂车后下部防护装置GB11567.2-200130汽车和挂车侧下部防护装置GB11567.1-200131汽车护轮板GB7063-199432驾驶员前方视野GB11562-199433后视镜性能GB15084-199434后视镜安装要求GB15084-199435风窗玻璃除霜系统功能GB11556-199436风窗玻璃除雾系统功能GB11555-199437风窗玻璃刮水器洗涤器性能GB15085-199438车速表GB15082-199939操纵件、指示器及信号装置的标志GB4094-199940电喇叭性能GB15742-200141电喇叭装车特性GB15742-200142汽车外部凸出物GB11566-199543汽车座椅系统强度GB15083-199444汽车座椅头枕GB11550-199445门锁GB15086-199446VIN审查GB16735-200447汽车制动系统GB12676-199948汽车转向系统GB17675-199949汽车内饰材料的燃烧特性GB8410-199450无线电骚扰特性GB14023-200051加速行驶车外噪声GB1495-200252客车结构GB13094-199753汽车外廓尺寸GB1589-200454成年成员用安全带和约束系统GB14166-200355安全带安装固定点GB14167-1993项目代号检验项目依据申请检验类别基础车型情况视同判定结果备注产品型号检验报告编号56汽车号牌板(架)及其位置GB15741-199557防止汽车转向机构对驾驶员伤害GB11557-199858侧翻稳定角GB7258-200459燃油系统及排气管GB7258-200460汽车标记及VINGB7258-2004GB16735-200461安全玻璃认证标记GB7258-200462安全带认证标记GB7258-200463非氟制冷剂标记机汽发(97)099号64侧标志灯配光性能GB18099-200065三角警告牌GB19151-200366汽车燃油箱安全性能GB18296-200167驻车灯配光性能GB18409-200168保护车载接收机的无线电骚扰特性(刮水电机)GB18655-200269保护车载接收机的无线电骚扰特性(闪光继电器)GB18655-200270保护车载接收机的无线电骚扰特性(暖风电机)GB18655-200271保护车载接收机的无线电骚扰特性(整车)GB18655-200272轻型客车结构安全要求GB18986-200373客车座椅及其车辆固定件强度GB13057-2...

1、当您付费下载文档后,您只拥有了使用权限,并不意味着购买了版权,文档只能用于自身使用,不得用于其他商业用途(如 [转卖]进行直接盈利或[编辑后售卖]进行间接盈利)。
2、本站所有内容均由合作方或网友上传,本站不对文档的完整性、权威性及其观点立场正确性做任何保证或承诺!文档内容仅供研究参考,付费前请自行鉴别。
3、如文档内容存在违规,或者侵犯商业秘密、侵犯著作权等,请点击“违规举报”。

碎片内容

车辆产品强制性检验项目检验方案表

确认删除?
VIP
微信客服
  • 扫码咨询
会员Q群
  • 会员专属群点击这里加入QQ群
客服邮箱
回到顶部