石材幕墙的制作与安装技术培训试题答案 一、填空题: (每题 4 分,共 60 分) 1、幕墙用石材板宜选用火成岩,石材吸水率应小于 0....
1 - 0 - 石材幕墙施工方法 及技术措施 1 - 1 - 本工程石材部分为挂件式石材幕墙。,即先在主体结构上安装钢骨架形成框格后,安装...
第一章 总体概况 一、工程简介 本工程外饰主要由石材干挂幕墙形成。从外观上看,该大厦设计新颖、造型独特、富有层次感。幕墙加上浮雕的...
大猫网专注于门窗幕墙电商行业1石材幕墙施工工艺流程及规范石材幕墙编制依据:1、《建筑装饰装修工程质量验收规范》(GB50210-2001);2、《建...
石材幕墙施工工艺(1) 石材幕墙安装工艺流程 操作工艺 (1)安装施工准备 1)编制材料、制品、机具的详细进场计划; 2)落实各项需用计划...
技术要求 说明:本招标技术要求如果低于现行国家及行业规范,应以现行国家及行业规范为准。投标时应及时通知招标单位,否则一切责任归于中...
第 五 章 石 材 幕 墙 石 板 材 用 于 饰 面 装 修 历 史 悠 久 , 应 用 范 围 广 泛 , 且 具 有 独 特...
320 项目石材幕墙 拆 除 施 工 方 案 编制: 审核: 批准: 1 目 录 一、建筑工程概况-----------------------------------2...
4 -1 石材幕墙设计 计算书 一、工程概况 上海绿城玫瑰园位于上海市闵行区马桥镇,建筑层数 3层,高度,地上 2层,地下1层,建筑高度详...
B13 江阴市敔山湾定山湖湖区茶庄 工程 监理实施细则 (石材幕墙工程) 内容提要: 专业工程特点 监理工作流程 监理工作控制目标及...
卡森·王庭世家南区 1 # 地块高层石材外墙装饰工程 安全专项施工方案 卡森·王庭世家南区 1#地块高层石材外墙装饰工程 安 全 专 ...
0112345678910111213141516123石材的品、规格、性能等符合设计要求,且颜色光泽、石材槽的位置尺寸符合要求。各种连接件已做防腐处理,与预...
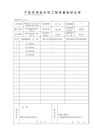
干挂花岗岩分 项 工 程 质 量 验 收 记 录 质控表4.1.9-1 工程名称 海峡两岸(国际)农产品物流城0 3 地块2 7 # 楼 结...
目 录 1 . 项目中心工程管理工作要点 ............................................................. 1 2 . 二次设计与图纸审查...
1 安全技术交底 编号 工程名称 中铁骊都二期二标段工程 交底日期 施工单位 中铁十一局集团有限公司 分项工程 建筑装饰装修 交底...
上实 泉 州 ·海 上海 项 目C-8-2 项 目 幕 墙 工 程 住 宅 区 幕 墙 工 程 石 材 幕 墙 四 性 检 测 方 案...
石材幕墙 分项工 程 质量 技 术交 底 卡 GD3 0 1 0 0 3 施工单位 中国华西企业有限公司 工程名称 奥特迅电力大厦 分部工...
第一章 总体概况 一、工程简介 本工程为 *******楼,石材幕墙面积为****。从外观上看,该大厦设计新颖、造型独特、富有层次感。作为大楼...
建筑幕墙安装施工方案 1 目 录 一、 编制依据………………………………………………………………2 二、 工程概况………………………...
泰达MSD 高尚生活组团4 号地项目 石材、铝板幕墙 施工方案 编制: 审核: 审批: 南通五建建设工程有限公司 2016 年 4 月 28...

