w ord 文档整理分享 参考资料 目录 一、施 工组 织 设 计 部 分 1.1、各 分 部 分 项 工程 的 主 要 施 工方案 与...
. . 施 工 组 织 设 计 1 施 工 程 序 安 排 与 施 工 测 量 1.1 施 工 部 署 一 、 施 工 区 域 、 流 ...
1 土 地 平 整 施 工 方 案 一 、 土 地 平 整 施 工 方 案 ( 一 ) 施 工 方 案 的 确 定 土 地 平 整...
1、计划控制措施 为了保证合同工序的率约,必须严格控制,制定周密的计划,项目经理部控制月、旬计划,基层作业区控制周计划,单机控制日...
0 正 本 工程名称:曲阳县李家庄村等25 个村土地整理项目 25 合同段 施 工 方 案 投标人名称: 河北明亚土地开发整理有限公司...
土地平整工程质量评定表 (1 ) 单项工程质量评定表 (2 ) 单位工程质量评定表 (3 ) 分部工程质量评定表 (4 ) 土地平整单...
0 目录 一、施工组织设计部分 1 .1 、各分部分项工程的主要施工方案与技术措施 1 。1 .1 、施工前准备工作 1 .1 .2 、施工测...
六、施工组织设计 一、组织机构设置、管理人员配置 二、施工方案及方法 三、劳动力计划 四、主要施工机械配置及计划 五、确保工程质量...
安 徽 三 十 头 建 设 工 程 有 限 公 司 法 人 或 委 托 授 权 人 签 字 : 施 工 组 织 设 计 第 一章 ...
目 录 一、工程概况 二、编制依据与采用标准 三、施工进度计划及工期保证措施 四、施工方法及主要技术措施 五、项目部情况 六、主要...
土地平整工程设计说明 一 、设计依据及规范 1、《土地开发整理项目验收规程》(TD/T1013—2000) 2、《水土保持综合治理技术规范》(GB...
一、施工方案1 工程概况1.1 基本情况工程名称:本工程为长沙市卷烟厂“十五”技改二期场地平整施工项目。建设地点:湖南省长沙市长沙卷烟...
目 录一、编制依据和原则11、编制依据...........................................12、编制原则..........................................
更多企业学院: 《中小企业管理全能版》183 套讲座+89700 份资料《总经理、高层管理》49 套讲座+16388 份资料《中层管理学院》46 ...
目 录一、施工方案与技术措施 ……………………...……………….……………………1二、质量管理体系与措施 …………………………………...
_______第___项目部钻前工程井 场 平 整施工组织设计 编制: 审核: ____________ 公司 年 月 日一、施工组织设计:1、投标范围:...
_______第___项目部钻前工程井 场 平 整施工组织设计 编制: 审核: ____________ 公司 年 月 日一、施工组织设计:1、投标范围:...
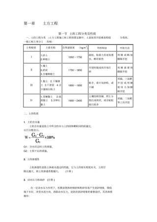
第一章土方工程第一节 土的工程分类及性质一、土的工程分类:土方工程施工和工程预算定额中,土是按其开挖难易程度分类的。一般工程土类分...
1、土方平整工程质量检验评定表施表 B3-1 田面平整工程质量检验评定表施表 B3-2 土质田埂(坎)填筑工程质量检验评定表施表 B3-3 干...
土方回填平整施工方案地下车库土方回填施工方案一、编制依据1、现场有关情况;2、车库图纸 ; 3、国家和建设部现行的市政工程施工规范、验...

