隐 蔽 工 程 验 收 记 录质控(建)表 4。1。5。3 共 3 页 第 1 页工程名称旷远·东方银座施工单位福建巨岸建设工程有限公司...
避雷及接地装置接地隐蔽工程验收记录表 13.3.45 GB50303—2024 工程名称河南华美生物医药产业园项目—民生药业消防泵房、消防水池分项工...
隐蔽工程检查验收记录工程名称建设单位监理单位施工单位分项名称检查井基坑分部名称八字口~Y10隐蔽日期验收 内容及自检情况现我单位已完...
关于印发《淄博市煤矿隐蔽致灾因素普查治理实施方案》的通知各区县煤炭治理部门,开发公司:为认真贯彻“平安第一、预防为主、综合治理”的...
皿皿皿叮皿叩叩皿叩皿叩皿叩叩叩皿皿皿皿皿rmiiiiHiiiiHiiiiirrnm 皿皿皿皿皿皿皿皿皿皿皿皿皿皿叮皿皿皿皿叮皿皿皿皿皿皿皿皿皿皿皿皿皿...
隐蔽工程验收记录(通用)工程名称:第十一届中国(郑州)国际园林博览会分项工程名称景观绿化硬景隐蔽日期年 月 日图纸编号隐蔽部位河洲...
目录1.初期支护净空测量记录 32 。 隧道净空测量记录 3 3 。 降水井施工记录 4 4 。 管井井点降水记录表 5 5 。 基坑降水与...
YB1隐蔽工程检查验收记录工程名称: 长峙岛马鞍村拆迁安置小区三标段 建设单位:舟山市临城新区开发建设有限公司 图号:结施— 06 隐蔽...
BFM0716—15人防工程隐蔽验收记录济 RFL—021工程名称*****隐检项目孔口防护隐检日期隐检部位—层隐检依据:《人民防空工程防护设备产...
隐蔽工程检查验收记录工程名称:新越金溪园地下室人防工程 建设单位: 杭州新越置业有限公司 图 号: 隐蔽部位 : 施工单位:浙江新盛...
YB1 隐蔽工程检查验收记录 工程名称:翡翠城社区商业中心及幼儿园 建设单位:杭州翡翠城房地产开发有限公司 图 号: 人防结施 隐蔽...
四、隐蔽工程检查验收记录YB1 国家人防质监站监制 隐蔽工程检查验收记录 工程名称: 建设单位: 图 号:结施 隐蔽部位 : 施工单位...
人防工程(底板钢筋)隐蔽检查验收记录 长防质 施 2024-15工程名称:地华·梅溪湖畔地下室 验收日期: 共 页,第 页分项工程名称:底...
怀防质施 20 —15人防工程( 底板 钢筋)隐蔽检查验收记录表工程名称:宏宇新城·柏景湾 验收日期: 年 月 日 共 页 第 页分项...
浙建监表 B7 七号楼地下室基础人防隐蔽 工程报验申请表工程名称:温州生态园黄屿片 A23、A26 地块旧村农房改造安置工程 编号: 致:...
人 工 挖 孔 桩 工 程 隐 蔽 验 收 记 录 表 单位:未注明的为 mm工程名称黄山广宇·江南新城 C 地块会馆部 位桩 基混...
人工挖孔桩工程隐蔽验收记录工程名称:望江世茂紫荆花园地下车库工程建设单位:望江世茂置业有限公司桩位编号砼强度等级护壁C25试块编号 ...
主要隐蔽工程项目检查和填写记录依据1)土方工程★施工图纸、设计说明及地质勘察报告;★图纸会审记录、设计变更及洽商变更;★ 质量验收...
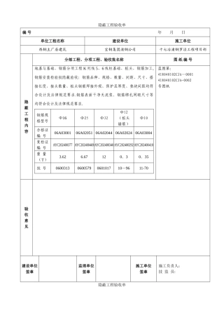
隐蔽工程验收单编 号 年 月 日单位工程名称建设单位施工单位炼钢主厂房建筑宝钢集团浦钢公司十七冶浦钢罗泾工程项目部隐蔽工程内容分部...
A4 钢筋隐蔽工程 报验申请表工程名称:炼钢柱厂房建筑 编号: 致:上海宝钢建设监理有限公司 (监理单位)我单位已完成了 K 列线 5...

