电脑桌面
添加小米粒文库到电脑桌面
安装后可以在桌面快捷访问

主厂房基础钢筋隐蔽工程验收单

主厂房基础钢筋隐蔽工程验收单_第1页
1/4
主厂房基础钢筋隐蔽工程验收单_第2页
2/4
主厂房基础钢筋隐蔽工程验收单_第3页
3/4
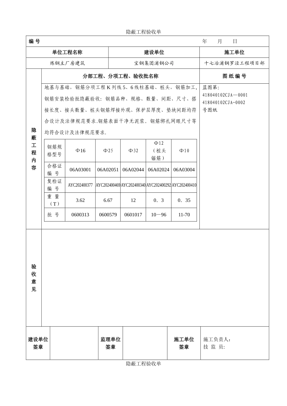
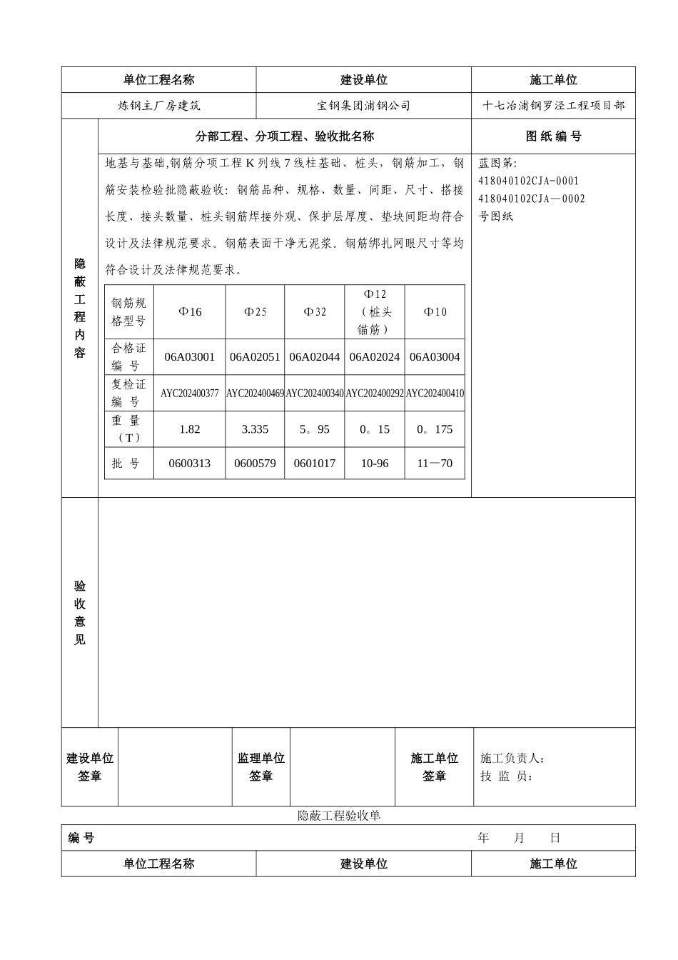
隐蔽工程验收单编 号 年 月 日单位工程名称建设单位施工单位炼钢主厂房建筑宝钢集团浦钢公司十七冶浦钢罗泾工程项目部隐蔽工程内容分部工程、分项工程、验收批名称图 纸 编 号地基与基础,钢筋分项工程 K 列线 5、6 线柱基础、桩头,钢筋加工,钢筋安装检验批隐蔽验收:钢筋品种、规格、数量、间距、尺寸、搭接长度、接头数量、桩头钢筋焊接外观、保护层厚度、垫块间距均符合设计及法律规范要求.钢筋表面干净无泥浆。钢筋绑扎网眼尺寸等均符合设计及法律规范要求.钢筋规格型号Ф16Ф25Ф32Ф12(桩头锚筋)Ф10合格证编 号06A0300106A02051 06A0204406A0202406A03004复检证编 号AYC202400377 AYC202400469AYC202400340 AYC202400292 AYC202400410重 量(T)3.626.67120。30。35批 号06003130600579060101710—9611-70蓝图第:418040102CJA—0001418040102CJA-0002号图纸验收意见建设单位签章监理单位签章施工单位签章施工负责人:技 监 员:隐蔽工程验收单编 号 年 月 日单位工程名称建设单位施工单位炼钢主厂房建筑宝钢集团浦钢公司十七冶浦钢罗泾工程项目部隐蔽工程内容分部工程、分项工程、验收批名称图 纸 编 号地基与基础,钢筋分项工程 K 列线 9/10 线柱基础、桩头,钢筋加工,钢筋安装检验批隐蔽验收:钢筋品种、规格、数量、间距、尺寸、搭接长度、接头数量、桩头钢筋焊接外观、保护层厚度、垫块间距均符合设计及法律规范要求。钢筋表面干净无泥浆。钢筋绑扎网眼尺寸等均符合设计及法律规范要求.钢筋规格型号Ф16Ф25Ф32Ф12(桩头锚筋)Ф10合格证编 号06A0300106A02051 06A0204406A0202406A03004复检证编 号AYC202400377 AYC202400469AYC202400340 AYC202400292 AYC202400410重 量(T)3.626。67120。30。35批 号06003130600579060101710—9611—70蓝图第:418040102CJA—0001418040102CJA—0002号图纸验收意见建设单位签章监理单位签章施工单位签章施工负责人:技 监 员:隐蔽工程验收单编 号 年 月 日单位工程名称建设单位施工单位炼钢主厂房建筑宝钢集团浦钢公司十七冶浦钢罗泾工程项目部隐蔽工程内容分部工程、分项工程、验收批名称图 纸 编 号地基与基础,钢筋分项工程 K 列线 7 线柱基础、桩头,钢筋加工,钢筋安装检验批隐蔽验收:钢筋品种、规格、数量、间距、尺寸、搭接长度、接头数量、桩头钢筋焊接外观、保护层厚度、垫块间距均符合设计及法律规范要求。钢筋表面干净无泥浆。...

1、当您付费下载文档后,您只拥有了使用权限,并不意味着购买了版权,文档只能用于自身使用,不得用于其他商业用途(如 [转卖]进行直接盈利或[编辑后售卖]进行间接盈利)。
2、本站所有内容均由合作方或网友上传,本站不对文档的完整性、权威性及其观点立场正确性做任何保证或承诺!文档内容仅供研究参考,付费前请自行鉴别。
3、如文档内容存在违规,或者侵犯商业秘密、侵犯著作权等,请点击“违规举报”。

碎片内容

主厂房基础钢筋隐蔽工程验收单

您可能关注的文档

确认删除?
VIP
微信客服
  • 扫码咨询
会员Q群
  • 会员专属群点击这里加入QQ群
客服邮箱
回到顶部