轻钢龙骨石膏板隔墙施工方法(1)施工作业的技术条件1.主体结构已经通过相关单位检验合格并已验收。2.施工组织设计已完成,并经审核批准后...
轻钢龙骨石膏板顶棚施工方案一、施工工序、施工工艺1.材料1)各种材料级别、规格以及零配件应采纳业主设计师认可之牌号,符合法律规范标准...
XXX 工程项目轻钢龙骨石膏板隔墙施工方案编制人:XXX批准人:XXXXX 公司XXXX1、编制依据1.1.«墙体-轻钢龙骨石膏板》(88J2 )1.2.«建...
轻钢龙骨石膏板隔墙技术交底一、材料要求 1、沿顶、沿地龙骨规格 100×40×0.7;竖向龙骨 100×50×0.7;贯穿横撑 38×12×1.0;支撑卡...
技 术 交 底 记 录表 G-01编 号工程名称宿迁智谷(保险)小镇 A 区装饰装修交底日期 年 月 日施工单位河北望都建筑安装工程有...
3、轻钢龙骨石膏板隔墙施工方法(1)施工作业的技术条件1.主体结构已经通过相关单位检验合格并已验收。2.施工组织设计已完成,并经审核批准...
轻钢龙骨石膏板天花施工工艺 5轻钢龙骨石膏板天花施工工艺 51、施工准备1.1.材料( 1 ) 轻 钢 龙 骨 : 根 据 囱 家 标 准...
轻钢龙骨石膏板隔墙工程施工方案1 )材料要求(1)罩面板要求用龙牌或龙牌同等级 12mm 厚石膏板。必须有出厂合格证及相关检验报告。表面...
轻钢龙骨石膏板吊顶施工方案及工艺1、材料购配件要求1.1 轻钢骨架分 U 型骨架和 T 型骨架两种,并按荷载分上人和不上人。1。2 轻钢骨...
轻钢龙骨石膏板吊顶施工方案施工工序:弹线 T 安装吊杆 T 安装龙骨和配件 T 安装罩面石膏板。1)根据施工图先在墙、柱上弹出顶棚标高...
加吊杆。吊顶上的灯具、风及检修和其他设备,应设独立吊杆安装,不得固定在龙骨吊杆上。3、安装边龙骨边龙骨应按大样图的要求和弹好的吊顶...
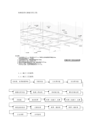
轻钢龙骨石膏板吊顶工程:1.1.1 施工工艺流程:1.1.1 施工工艺流程:1.1.2 施工要点:1.天花吊顶主、次龙骨的规格、型号、封板厚度均符合设...
甬统表 C01-3 技 术 交 底 记 录工程名称:第一师一团金银川镇综合活动中心改造建设项目 编号:工程部位一、二层交底日期2016 年...
轻钢龙骨石膏板吊顶1.工艺流程图:2.操作要点:1) .依据图纸吊顶标高,沿墙、柱面 1m 高四周弹水平标高线作为吊顶安装标准线。2) .吊杆...
轻钢龙骨架石膏板吊顶工程施工方案轻钢龙骨一般采纳薄钢板或镀锌铁皮卷压成型,分为主龙骨、次龙骨及连接件。龙骨的断面常用“L'和“匚”形...
一、施工用材及机具、作业条件1 施工用材;主龙骨、次龙骨、吊件、挂件、接插件、纸面石膏板、自攻螺钉、专用补缝膏、专用补缝带2 施工机...
轻钢龙骨双层石膏板施工工艺一、施工用材及机具、作业条件1、施工用材;主龙骨、次龙骨、吊件、挂件、接插件、纸面石膏板、自攻螺钉、专用...
1、材料及构配件:1.1. 轻钢龙骨 U 型龙骨,吊顶为不上人吊顶。1.2. 零配件有吊杆、花篮螺丝、射钉、自攻螺钉1.3. 罩面板为纸面石膏板...
磷石膏废渣生产纸面石膏板项目可行性讨论报告(代项目建议书)第一章 项目建设的目的和意义 31・1 项目概况 31・2 项目提出的背景 51...
廊坊市 xx 墙业科技开发灌注式石膏板生产工程可行性分析报告一、概况:知识经济的时代、高新技术的推广、世界经济的环保需求,让开展中的...

