浅析旋挖钻机 SR280R 在复杂地质中钻孔灌注桩施工技术【摘 要】:本文结合 xx 铁路一期二段 1 标工程桥梁桩基施工的特点,浅析旋挖...
技 术 交 底 记 录施表 7. 2 (DBJ13-56-2025) 编号:JMWD-JSJD001 工程名称厦门集美 XX 广场施工单位XXX 有限公司交底内...
旋挖钻钻孔灌注桩作业指导书一、目的明确旋挖钻钻孔桩施工作业的工艺流程、操作要点和相应的工艺标准,指导、法律规范桩基作业施工。二、编...
旋挖钻孔机技术现状及进展趋势 1.概述 旋挖钻孔机是一种适合建筑基础工程中成孔作业的桩工机械。该类钻机一般具有全液压驱动,履带行走...
旋挖钻具使用说明书一、单开门捞砂斗1、结构特点:锥形筒体,避开孔底抱钻,卸土方便,双层底板单开门,强度高,可实现提斗时关闭斗门,开...
目 录一、编制依据...................................................................................................................
新技术旋挖钻孔灌注桩在困难地层中的施工应用和优势讨论新技术旋挖钻孔灌注桩在困难地层中的施工应用和优势讨论 【摘要】:本文在对旋挖钻...
xxxx 集团有限公司 xx 地铁四号线 TA08 标桩基施工作业指导书编制: 审核:批准:xxxx 有限公司 xx 地铁四号线 TA08 标项目部二...
xx 路桩基础专项施工方案一、编制依据及原则 1、 编制原则:本着科学管理、合理安排施工顺序、连续流水作业、经济合理、机械化施工、科...
概述 旋挖钻机是一种适合建筑基础工程中成孔作业的施工机械。旋挖钻机采纳液压履带式伸缩底盘、自行起落可折叠钻桅、伸缩式钻杆、带有垂直...
旋 挖 桩 成 孔 灌 注 桩施 工 方 案编 制 单 位 :编 制 人 :编 制 日 期 :目 录第 一 章 工 程 概 况 .....
德国宝峨 BG25C 产品产地:中国天津 BG25C 主要技术参数:动力头扭矩:245 千牛米(在 32MPA 时)钻桅高度:22.8 米主卷扬机单绳有...
XX 路道路工程一标钻孔桩穿越溶洞专项方案编制: 审核: 审批: XX 局 XX 公司 XX 路道路工程 1 标项目部二〇一三年五月目 录...
人工挖孔桩与旋挖钻孔桩成本比较篇****工程机械有限公司2011 年 8 月 22 日人工挖孔桩与旋挖钻孔桩成本比较随着社会经济的进展进步,...
技术交底编号:桥 001工程名称交底日期2012-2-20施工单位中铁中集团分项工程名称中桥钻孔灌注桩钻孔交底内容:1.1 测量放样采纳全站仪精...
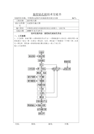
旋挖钻孔桩技术交底书交底单位名称:中铁四石武客专河南段项目部五分部 编号:工程名称新许特大桥设计文件图号石武客专施工图施工单位中铁...
浅谈旋挖钻机钻孔技术在软弱地质层的运用浅谈旋挖钻机钻孔技术在软弱地质层的运用 摘要:本文结合桥梁基础所处软弱地质层,普通旋转钻机施...
浅谈旋挖钻机在大跨越线路基础工程中的应用浅谈旋挖钻机在大跨越线路基础工程中的应用 【摘要】:旋挖钻机因其施工速度快,成孔质量高,环...
技 术 交 底 书ZT1101JL12-02合同号:轨道交通 4 号线Ⅰ期 施工单位:中铁十一局武汉建工联合体 编号:主送单位房建三队页 数第 ...
技 术 交 底 书ZT1303GLJL-15-02单 位:中铁十三局集团有限公司厦深铁路工程指挥部 第 1 页 共 3 页主送单位各工区编号工程名称...

