灌注桩基础施工方案 1.3.1 施工准备 清理场地,接通水源、电源,施工范围周边设置标准围栏并设警示标志,必要时修筑施工便线,确保社会...
凤凰至乌苏750kV 输电线路工程施工Ⅰ标段 灌注桩基础施工作业指导书 批 准: 年 月 日 审 核: 年 月 日 编 写: 年 月 ...
湿陷性黄土场地上的桩基础
下载后可任意编辑灌注桩施工方案1 工程概况本工程嵌岩桩数量为 163 根,嵌岩深度 2~4.5m。其中:Ф1200 嵌岩桩 24 根(直桩)、Ф1...
下载后可任意编辑目录第一章 工程概况................................................................2第二章 施工组织设计依据........
实用文档1 目录1.工程概况 ..........................................................................................................
中国中铁中国中铁下载后可任意编辑施工组织设计(施工方案)报审表工程名称:贵阳市五里冲棚户区、危旧房、城中村改造项目 编号: 中铁二...
下载后可任意编辑桩基础大包合同甲方:长春建工集团有限公司吉林省党政机关专用通信楼工程项目经理部乙方:长春国立建筑基础工程有限公司依...
下载后可任意编辑 项目分包合同(桩基础工程)发包人: 分包人: 签订日期: 2024 年 月 日 发包人(以下简称甲方): 分包人(以...
石 景 山 区 五 里 坨 定 向 安 置 房 项 目桥 梁工 程 隆 恩 寺 沟 跨 沟 桥 桩 基 工 程人 工 挖 孔 灌 ...
下载后可任意编辑旋挖灌注桩基础分包合同甲方:重庆建工工业有限公司乙方:重庆两滨建筑工程有限公司甲方选定乙方为劳务合作单位,为甲方提...
下载后可任意编辑工程桩基础施工合同发包方(以下简称甲方): 承包方(以下简称乙方): 根据《中华人民共和国建筑法》、《中华人民共和...
序号桩型适用条件1人工挖孔桩(a)、适用于地下水较少、较低的地层条件。(b)、对安全的要求较高,如有害气体,易燃气体,孔内气体稀薄等,尤...
桩基础设计计算书 1、研究地质勘察报告1.1 地形拟建建筑场地地势平坦,局部堆有建筑垃圾。1.2、工程地质条件自上而下土层一次以下:① ...
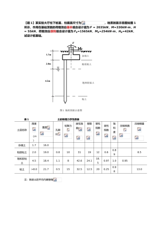
【题 1】某实验大厅柱下桩基,柱截面尺寸为,地质剖面示意图如图 1所示,作用在基础顶面的荷载效应基本组合设计值为 F = 2035kN,M=33...
基础工程课程设计桩基础设计计算书
《基础工程》课程设计------*******大学土木工程专业(城市地下工程方向) - 1 - *******大学土木工程学院 《 基 础 工 程 》 ...
1 基础工程课程设计任务书 某办公楼桩基础设计 姓名:*** 学号:********** 院系:建筑工程学院 专业:土木工程 二○一三年十一月 ...
1 桩基础 参考资料: 1﹚ 地基及基础 四校合编第三版 2﹚ 简明建筑基础计算与设计手册 张季容,朱向荣编 3﹚ 建筑地基基础 吴湘...
下载后可任意编辑城市快速路立交桥人工挖孔桩基础施工方案目 录第一章 工程概况第一节 编制依据第二节 工程概况第三节 地质情况第二章...

