电脑桌面
添加小米粒文库到电脑桌面
安装后可以在桌面快捷访问

2025年桩基础课程设计计算书VIP免费

2025年桩基础课程设计计算书_第1页
1/8
2025年桩基础课程设计计算书_第2页
2/8
2025年桩基础课程设计计算书_第3页
3/8
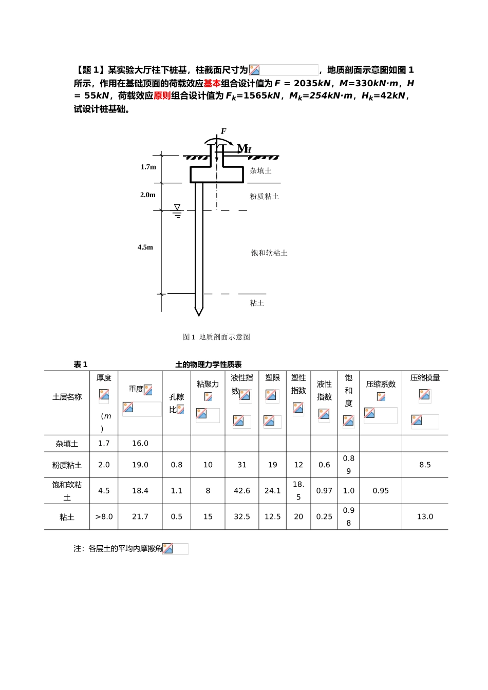
【题 1】某实验大厅柱下桩基,柱截面尺寸为,地质剖面示意图如图 1所示,作用在基础顶面的荷载效应基本组合设计值为 F = 2035kN,M=330kN·m,H = 55kN,荷载效应原则组合设计值为 Fk=1565kN,Mk=254kN·m,Hk=42kN,试设计桩基础。表 1 土的物理力学性质表土层名称厚度(m)重度孔隙比粘聚力液性指数塑限塑性指数液性指数饱和度压缩系数压缩模量杂填土1.716.0粉质粘土2.019.00.8103119120.60.898.5饱和软粘土4.518.41.1842.624.118.50.971.00.95粘土>8.021.70.51532.512.5200.250.9813.0注:各层土的平均内摩擦角FMH杂填土粉质粘土饱和软粘土粘土1.7m4.5m2.0m图 1 地质剖面示意图1. 拟定桩的规格根据地质勘察资料,拟定第 4 层粘土为桩端持力层。采用钢筋混凝土灌注桩,桩截面为方桩,直径为 400 到 500,桩长为 9 米。承台埋深 1.7 米 ,桩顶嵌入承台 0.1 米,则桩端进持力层 2.4 米。初步拟定承台尺寸为 2.4m×2.4m。2. 拟定单桩竖向承载力原则值 Q根据公式查表内插求值得层 序深度(m)qsik(kPa)qpk(kPa)粉质粘土20.660饱和软粘土4.50.9738粘土2.40.25822500 按静力触探法拟定单桩竖向极限承载力原则值: =4×0.4(60×2.0+38×4.5+82×1.5)+2500×0.4×0.4=902.4KN取902.4 kN3. 拟定桩基竖向承载力设计值 R 并拟定桩数 n 及其布置 按照规范规定,,取,=2m, =9m 故0.22 查表得,0.97。查表得,1.60 先不考虑承台效应,估算基桩竖向承载力设计值 R 为= =547.08 kN桩基承台和承台以上土自重设计值为G=2.4×2.4×1.7×20=195.84 kN粗估桩数 n 为n=1.1×(F+G)/R= (1565+195.84)/ 547.08=3.22 根取桩数 n=4 根,桩的平面布置为右图所示,承台面积为 2.4m×2.4m,承台高度为 0.9m,由于 n > 3,应当考虑群桩效应和承台效应拟定单桩承载力设计值 R由=4 ;=0.25 查表得 =0.155 ,=0.75由=4 m²,=2.4²-2²=1.76 m² 得==0.337由60,得120 kPa,查表得1.7,因此考虑承台底土的抗力为=(0.97×902.4÷1.60)+(0.337×120×2.4×2.4)÷(4×1.7)=581.34kN按桩的静载荷实验取 R=581.34kN根据经验公式得=4×0.4(60×2.0+38×4.5+82×1.5)+2500×0.4×0.4=902.4KN这阐明,按桩的静载荷实验取 R=581.34 是合理的。4. 基桩承载力验算 = = 440.21+101.69=541.9 kN < 1.2R=1.2×581.34=697.608 kN且= 440.21 < R=581.34 满足规定。5. 承...

1、当您付费下载文档后,您只拥有了使用权限,并不意味着购买了版权,文档只能用于自身使用,不得用于其他商业用途(如 [转卖]进行直接盈利或[编辑后售卖]进行间接盈利)。
2、本站所有内容均由合作方或网友上传,本站不对文档的完整性、权威性及其观点立场正确性做任何保证或承诺!文档内容仅供研究参考,付费前请自行鉴别。
3、如文档内容存在违规,或者侵犯商业秘密、侵犯著作权等,请点击“违规举报”。

碎片内容

2025年桩基础课程设计计算书

您可能关注的文档

确认删除?
VIP
微信客服
  • 扫码咨询
会员Q群
  • 会员专属群点击这里加入QQ群
客服邮箱
回到顶部