武汉建工安装工程有限公司(防雷接地体及避雷引下线连接)过程控制记录表项目名称:恒融商务中心二期编号:电-1序号监控点部分交底日期实施...
6.关键工作和关键线路的确定(1)关键工作:总时差最小的工作是关键工作。(2)关键线路的确定按以下规定:从起点节点开始到终点节点均为...
关键工艺参数确认的SOP1目的:定义关键工艺参数,建立关键工艺参数的选择和评估程序,加强对关键工艺参数的理解和识别便于日常操作。2范围...
关键工序质量验收记录编号:单位工程名称苏虹路1地道工程分部工程名称基坑围护,内部结构关键工序名称型钢水泥土搅拌墙,结构底板,结构侧...
嘉兴港区天妃路、中山东路市政道路提升改造及相关配套设计施工管养一体化工程目录第一章工程概况...........................................
关键工序与特殊过程管理制度1、目的为强化工序质量控制,使关键工序和特殊过程的产品质量处于稳定状态并强化工序质量管理。2、适用范围适用...
长春市科海实业有限责任公司管理文件编号:KH/Z07-GD-031-2015批准:刘丽关键工序与特殊过程管理制度2015年4月28日发布2015年5月1日实施长...
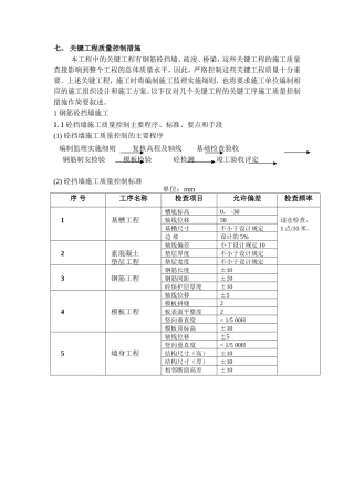
七、关键工程质量控制措施本工程中的关键工程有钢筋砼挡墙、疏浚、桥梁,这些关键工程的施工质量直接影响到整个工程的总体质量水平,因此,...
员工股权协议书(附企业介绍)股权转让方(以下简称甲方):住所:法定代表人:联系电话:股权受让方(以下简称乙方):住所:身份证件号码...
保密协议编号:保密协议保密协议使用说明一.双方在签订本协议时,应认真阅读本协议书。本协议一经签订,即具有法律效力,双方必须严格履行...
尊敬的各位领导、各位同事:下午好!为认真贯彻落实省公司2013年纪检监察年中工作会议精神,进一步加强党风廉政建设,不断提高重要岗位人员...
湖南省建设工程施工项目部和现场监理部关键岗位人员配备管理办法第一条为规范建设工程施工项目部、现场监理部关键岗位人员配备和管理,确保...
文件编号:WS-Q-AD0108文件版次:A/0页次:1/5拟订部门:人力资源部发行部门:ISO办公室适用范围:全公司拟订日期:2018年3月6日生效日期:2018年3...
关键岗位人员变更管理程序编号:SYSH-XX-XXX版本:A版次:1编制:人力资源部审定:程序分委会批准:总经理办公会XXXX年X月X日批准XXXX年X月...
1目的公司通过建立相关考核评价制度,定期对重要岗位工作人员进行考核、评价和再评价,以保证这些人员能够满足公司岗位的需要,确保上述岗...
第B版(06.9.1发布)职责范围与规章制度劳资-3A-16-015(2)关健岗位培训规范1培训目的1.1为切实加强对关键岗位人员的业务知识和操作技能的培...
1目录采煤机司机岗位风险告知............................................................................................3采煤机司机...
关键部位、主要工序旁站制度一、编制目的为了进一步加强我项目对工程质量管理工作,更好的控制工程质量,保证工程质量总体水平,使该工程施...
抖音运营(成功的关建)目录CONTENTS1234抖音建设的阶段和核心定位决定天花板规范化才能高效变现是终极目标一、抖音建设的阶段和核心:抖音...
学习“如何抓好关键少数”有感俗话说的好“火车跑的快,全靠车头带”,在当下全国党的建设开展得如火如荼之际,我们的总书记发出了“要抓住...

