第1页共7页编号:时间:2021年x月x日书山有路勤为径,学海无涯苦作舟页码:第1页共7页高层建筑内部装修设计防火审核申报表申报单位:(盖章...
第1页共13页编号:时间:2021年x月x日书山有路勤为径,学海无涯苦作舟页码:第1页共13页无锡市轨道交通一号线土建工程07标合同段生产生活区...
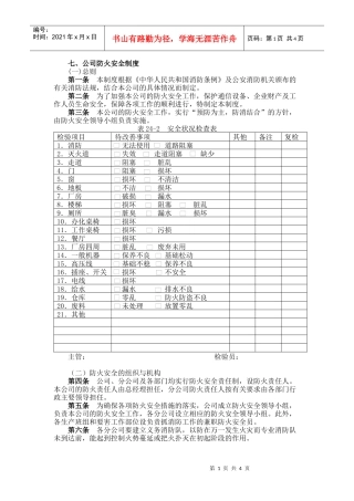
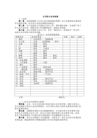
公司防火安全制度(一)总则第一条本制度根据《中华人民共和国消防条例》及公安消防机关颁布的有关消防法规,结合本公司的具体情况而制定。第...
XXX单位消防安全管理制度汇编年月日印制安全疏散设施管理制度1一、要时刻保障疏散通道,安全出口畅通,并设置符合国家规定的消防安全疏散指示...
第1页共5页编号:时间:2021年x月x日书山有路勤为径,学海无涯苦作舟页码:第1页共5页建筑内部装修设计防火审核申报表申报单位:(盖章)申报...
某公司防火安全检查表检查部门:年月日部门检查内容检查结果消防设施及器材防火通道现场环境违章情况其它操作人员防护设备报警装置作业条件...
第1页共71页编号:时间:2021年x月x日书山有路勤为径,学海无涯苦作舟页码:第1页共71页新版《建筑设计防火规范》即将在2015年5月1日执行。...
第1页共1页编号:时间:2021年x月x日书山有路勤为径,学海无涯苦作舟页码:第1页共1页公司防火安全检查表检查部门:年月日部门检查内容检查...
第1页共7页编号:时间:2021年x月x日书山有路勤为径,学海无涯苦作舟页码:第1页共7页建筑消防设计防火审核申报表申报单位:______________...
第1页共4页编号:时间:2021年x月x日书山有路勤为径,学海无涯苦作舟页码:第1页共4页七、公司防火安全制度(一)总则第一条本制度根据《中华...
对于配电设计人员在进行电气为主体的工程设计时,往往对各类电气设备及变配电室的防火间距不甚了解,尤其是项目现场空余空间较小或有室外油...
此资料由网络收集而来,如有侵权请告知上传者立即删除。资料共分享,我们负责传递知识。秋季防火工作情况总结秋季防火2017年工作情况总结全...
防火封堵施工方案第1页共9页目录二、施工依据...........................................................................................
安全技术措施一、工程概况1、1工程概况国电电力大同第二发电厂二期扩建工程#8机主厂房,热控系统#8机部分的电缆防火封堵,防火封堵材料为SE...
防火铝塑板性能及检测、识别方法防火铝塑复合板(以下简称防火铝塑板)是一种新型的高档墙体装饰用防火安全材料。它是由涂装铝板与专用阻燃...
防火检查制度一、学校应当至少每月进行两次次防火检查;学校内设部门负责人每周应开展一次防火检查。检查的内容应当包括:1.落实消防安全制...
成城大厦电缆桥架防火封堵施工方案—、工程概况本施工方案主要以电缆沟、电缆桥架穿墙洞口、电缆竖井楼板洞口、配电柜、电缆穿管等的防火封...
小学生安全教育教案(交通安全、防火、电、食品等)课题:防火自护、自救安全教育教学内容:学习一些家居防火自护。自救知识教学目标:①通...
防火防灾常识火灾造成的严重损失给人们生活和社会生活带来严重的破坏和影响。除了灾害本身的猝不及防以外,缺乏现场救护知识是造成人员伤亡...
铁路工程设计防火规范-主编单位:铁道第三勘察设计院集团有限公司批准单位:中华人民共和国铁道部施行日期:年月日中国铁道出版社年·北京...

