11.工程概况1.1本工程建筑面积11771m2。地下一层,地上二层。1.2本工程结构形式为框架-剪力墙结构,建筑耐火等级为一级。1.3钢质防火隔音...
**学校钢质门采购项目招标文件项目名称:**学校钢质门采购项目招标单位:**编制日期:1532012年月日**学校钢质门采购项目招标文件一、采购...
钢质无缝气瓶GB5099-94国家技术监督局1994—12—26批准1995—08—01实施1主题内容与适用范围本标准规定了钢质无缝气瓶(以下简称钢瓶)的...
油气管道防腐补口、补伤讲义甘肃拓维地理信息工程有限公司二〇一八年十月1目录1、防腐补口的意义...........................................
SY中华人民共和国石油天然气行业标准SY4058—93埋地钢质管道外防腐层和保温层现场补口补伤施工及验收规范SpecificationforApplicationandAc...
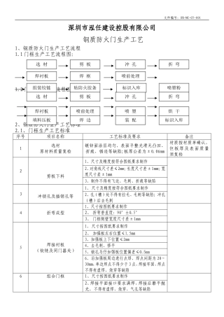
文件编号:HR-MC-GY-001深圳市泓任建设控股有限公司钢质防火门生产工艺1、钢质防火门生产工艺流程1.1门框生产工艺流程图:1.2门扇生产工艺...
钢质防火门技术参数一、耐火极限:甲级1.2小时,乙级0.9小时,丙级0.6小时。二、防火门隔音效果:具有良好的隔音效果,平均隔音RW>=30dB。隔...
找建材产品上招商宝建材网----------------------国内顶级建材招商加盟平台!www.zhaoshangbao.com钢质防火门规范钢制防火门安装防火门图集...
钢质船舶建造质量控制标准一、前言本着产品质量是企业的生命线的原则,我公司严抓造船的质量检验。为落实此项工作,我们做到有规范、标准的...
.钢质防火门代号s---门框双槽口d---门框单槽口k---有下框,无下框略b---门扇上设置具有防火性能的玻璃,无玻璃代号略l---亮窗,无亮窗代号...
钢质防火门、防火卷帘门的相关技术规范时间:2006-10-1616:03:01钢质防火门、防火卷帘门一简介80年代初,钢质防火门、钢质防火卷帘门、钢质...
钢质防火门技术参数一、耐火极限:甲级1.2小时,乙级0.9小时,丙级0.6小时。二、防火门隔音效果:具有良好的隔音效果,平均隔音RW>=30dB。隔...
施工组织设计方案编制:审核:批准:第一条、紫薇东进钢质隔热防火门、窗采购、安装工程组织设计方案:1、组织人员落实a由工程部领导,胡有...
钢质门培训XXx有限公司目录钢质门基础--------------------------------------------------------------------P1-9钢质门结构-------------...
富宁富翔氧气乙炔厂钢质无缝气瓶检验操作规程FNFX/QB01-03-1/0-2013钢质无缝气瓶检验质量管理手册附件操作规程(作业指导书)FNFX/QB03-03-...
船用风雨密单扇钢质门安装工艺规范前言11范围本规范规定了船用风雨密单扇钢质门(以下简称钢质门)安装施工前准备、人员、工艺要求、工艺过程...
山东交通设施开发有限公司钢制护栏专业制造商产品简介及规格图片道路中心护栏实而美钢质整体热镀锌聚酯彩色粉末喷涂组合式护栏,可以选择任...
船用门一、概述二、有关公约、规则和规范的要求三、钢质门<一>介绍<二>技术协议<三>确认图<四>门附件<五>门开向定义<六>门的安装工艺<七>门...
压力管道安装通用工艺标准编号:YHTZ-ZY-006受控状态:受控埋地钢质管道安装施工工艺编制:审核:批准:2013-05-01发布2013-05-01实施北京...
北京金雅装饰工程有限公司施工方案目录第一节简介1第二节施工准备1第三节工艺流程及施工方法3第四节成品保护7第五节质量保证措施8第六节应...

