电脑桌面
添加小米粒文库到电脑桌面
安装后可以在桌面快捷访问

钢质防火门生产工艺VIP免费

钢质防火门生产工艺_第1页
1/4
钢质防火门生产工艺_第2页
2/4
钢质防火门生产工艺_第3页
3/4
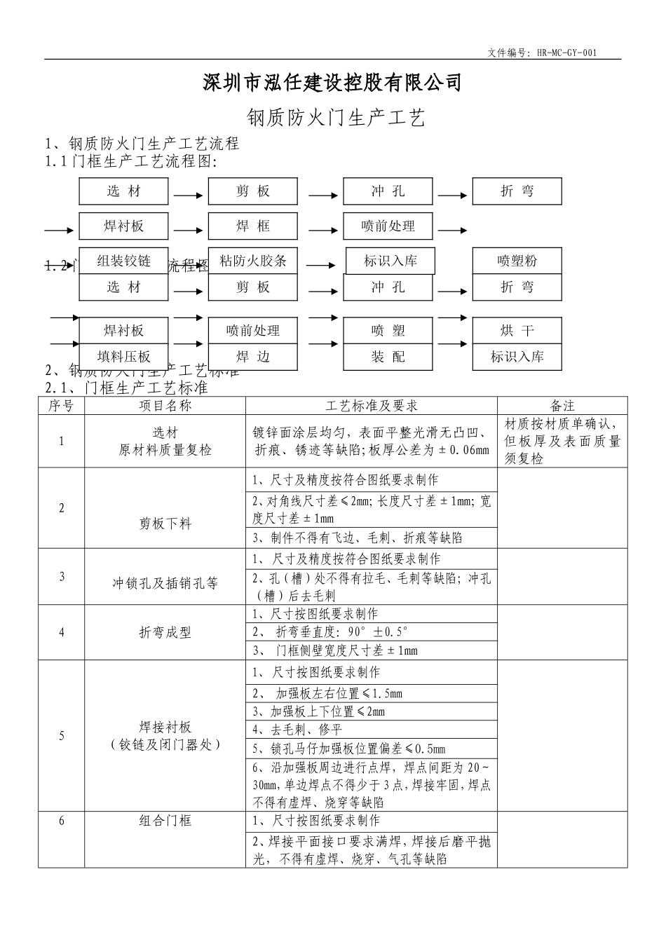
文件编号:HR-MC-GY-001深圳市泓任建设控股有限公司钢质防火门生产工艺1、钢质防火门生产工艺流程1.1门框生产工艺流程图:1.2门扇生产工艺流程图:2、钢质防火门生产工艺标准2.1、门框生产工艺标准序号项目名称工艺标准及要求备注1选材原材料质量复检镀锌面涂层均匀,表面平整光滑无凸凹、折痕、锈迹等缺陷;板厚公差为±0.06mm材质按材质单确认,但板厚及表面质量须复检2剪板下料1、尺寸及精度按符合图纸要求制作2、对角线尺寸差≤2mm;长度尺寸差±1mm;宽度尺寸差±1mm3、制件不得有飞边、毛刺、折痕等缺陷3冲锁孔及插销孔等1、尺寸及精度按符合图纸要求制作2、孔(槽)处不得有拉毛、毛刺等缺陷;冲孔(槽)后去毛刺4折弯成型1、尺寸按图纸要求制作2、折弯垂直度:90°±0.5°3、门框侧壁宽度尺寸差±1mm5焊接衬板(铰链及闭门器处)1、尺寸按图纸要求制作2、加强板左右位置≤1.5mm3、加强板上下位置≤2mm4、去毛刺、修平5、锁孔马仔加强板位置偏差≤0.5mm6、沿加强板周边进行点焊,焊点间距为20~30mm,单边焊点不得少于3点,焊接牢固,焊点不得有虚焊、烧穿等缺陷6组合门框1、尺寸按图纸要求制作2、焊接平面接口要求满焊,焊接后磨平抛光,不得有虚焊、烧穿、气孔等缺陷选材剪板冲孔折弯焊衬板焊框喷前处理喷塑粉组装铰链粘防火胶条选材剪板冲孔折弯焊衬板喷前处理喷塑烘干填料压板焊边装配标识入库标识入库文件编号:HR-MC-GY-0013、其它位置点焊处,焊点间距为4~6mm,单边焊点不得少于3点,焊接牢固,焊点不得有虚焊、烧穿等缺陷尺寸公差门框内裁口高度0~﹢1mm门框内裁口宽度0~﹢1mm形位公差门框内裁口两对角线长度差≤2mm门框正、侧立面的垂直度≤1.5mm7喷塑前处理1、打磨全部焊点,平面焊接处要磨平,光滑2、表面除油、锈干净,门框清洁处理3、缝隙处原子灰补平8表面喷塑粉1、门框制造检验合格后方可转喷塑工序2、喷塑:颜色按照合同或/和用户要求调颜色,喷塑层均匀、平整、光滑、无堆块、麻点及气泡等3、烘烤温度按塑粉的温度要求±20℃,烘烤后表面平整光滑,色泽鲜艳,喷涂层牢固无缺陷9组装防火铰链1、装配尺寸按图纸要求制作2、防火铰链能支撑门体重量并应转动灵活3、门框、门扇配合活动间隙不大于4mm10装防火胶条1、防火胶条按照一致性要求领用2、门框内槽口粘贴防火胶条11门框顶部装标牌1、装配尺寸按图纸要求制作2、标牌用拉铆钉固定,铆接牢固、可靠3、安装位不得偏斜、歪,标牌与门框性能要求一致12标识入库1、门框外表面贴PVC保护带2、门框检查合格无误后粘贴标签,注明工地名称,开向,型号及类别,标识入库2.2、门扇生产工艺标准序号项目名称工艺标准及要求备注1选材原材料质量复检镀锌面涂层均匀,表面平整光滑无凸凹、折痕、锈迹等缺陷;板厚公差为±0.06mm材质按材质单确认,但板厚及表面质量须复检2剪板下料1、尺寸及精度按符合图纸要求制作2、对角线尺寸差≤2mm;长度尺寸差±1mm;宽度尺寸差±1mm3、制件不得有飞边、毛刺、折痕等缺陷3冲孔(槽)等1、尺寸及精度按符合图纸要求制作2、孔(槽)处不得有拉毛、毛刺等缺陷;冲孔文件编号:HR-MC-GY-001(槽)后去毛刺4折弯成型1、尺寸按图纸要求制作2、折弯垂直度:90°±0.5°3、门板高度尺寸差±1mm4、门板宽度尺寸差±1mm5、门板两对角线长度差≤2mm6、其他配件尺寸差±1mm5面板组焊点焊边条点焊机点焊,焊牢,焊点不得有虚焊、烧穿等缺陷,点焊间距为为200~300mm组焊门锁加强架(板)1、尺寸按图纸要求制作2、加强板左右位置≤1.5mm3、加强板上下位置≤2mm4、去毛刺、修平5、锁孔马仔加强板位置偏差≤0.5mm6、用电焊机沿加强板周边进行点焊,焊点间距为50~100mm,单边焊点不得少于3点,焊接牢固,焊点不得有虚焊、烧穿等缺陷组焊铰链加强板1、尺寸按图纸要求制作2、加强板左右位置≤1.5mm3、加强板上下位置≤2mm4、去毛刺、修平5、用电焊机沿加强板周边进行点焊,焊点间距为20~30mm,单边焊点不得少于3点,焊接牢固,焊点不得有虚焊、烧穿等缺陷6组合骨架1、尺寸按图纸要求制作2、焊接平面接口要求满焊,焊接后磨平抛光,不得有虚焊、烧穿、气孔等缺陷3、其它位置点焊处,焊点间距为4~6mm,单边...

1、当您付费下载文档后,您只拥有了使用权限,并不意味着购买了版权,文档只能用于自身使用,不得用于其他商业用途(如 [转卖]进行直接盈利或[编辑后售卖]进行间接盈利)。
2、本站所有内容均由合作方或网友上传,本站不对文档的完整性、权威性及其观点立场正确性做任何保证或承诺!文档内容仅供研究参考,付费前请自行鉴别。
3、如文档内容存在违规,或者侵犯商业秘密、侵犯著作权等,请点击“违规举报”。

碎片内容

钢质防火门生产工艺

确认删除?
VIP
微信客服
  • 扫码咨询
会员Q群
  • 会员专属群点击这里加入QQ群
客服邮箱
回到顶部