企业管理部工作周报编号:QA H1 R-10 30项目部名称:阳江核电项目部起止日期:2024 年 7 月 26 日~2024 年 8 月 1 日制表日...
徐小庆分析员 xuxq@cicc.com.cn陈健恒分析员 chenjh@cicc.com.cn徐寒飞分析员 xuhanfei@cicc.com.cn本期要点:PMI 回落是否预示经济...
鹤岗市食品安全检(监)测能力建设项目装饰工程(第 14 期)工程监理旬报鹤岗市时代装饰工程监理有限责任公司建设单位;鹤岗市食品药品监...
公司** 山水城* EF 区管理处 第 1 周物业管理服务周报**山水城*EF 区管理处物业管理服务周报 为了不断提高管理处的服务水平,使*...
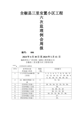
全椒县三里安置小区工程六次监理例会周报 编号: 0062024 年 4 月 30 日 至 2024 年 5 月 15 日 编制单位:广州市第三建筑工...
Module 10 Unit 2 People on the move请同学们尝试完毕如下针对 Module 10 Unit 2 的重点词汇、句型、语法的归纳总结。Wordsre...
工程施工日报工程施工周报年月日至年月日项目名称施工单位日期天气: 上午:记录人星期下午:今日主要施工内容施工人员管理人员 安装工校...
华东政法大学松江校区新建学生公寓工程施工工作周报第 26 期2017 年 4 月 18 日至 2017 年 4 月 25 日承包单位:舜杰建设 (...
施工安全监理周报(报建设工程安全监督站)GDAQ4306□项目监理机构(章): 2024 年 07 月 11 日 安监登记号安监监督员项目名称总监...
备塘河(上塘河~笕丁路)整治景观绿化工程施工周报(第 1 期)2015 年 2 月 22 日—2015 年 2 月 28 日编制人:叶陈挺审核人:...
温州市七都镇华侨花园(四、五期)幕墙工程工作周报年月份(月 日—月 日)施工单位:编制人:项目经理:编制日期:温州市七都镇华侨花园...
香山·院项目工程周报(第 15 期)2017 年 10 月 22 日~2017 年 10 月 28 日江西中盛和置业有限公司工程技术部编制一、工程概...
项目周报总期第 三 期2024年2月10日— 2024年2月14日一、 项目概述项目名称XXX 项目项目合同编号2024项目经理XXX所属部门XXX 部二、...
红星花园西区安全周报 2024 年 1 月 17 日 上周检查情况1、 2 号塔吊钩头装置损坏,已经修复。2、在操作钢筋弯段机时,操作人员不...
工作周报部门:安全负责人:年月第周2024 年 3 月第 3 周总结本周完成工作现场存在安全文明施工问题整改完成情况及未完成原因1、对 A...
XXXX生 产 工 程 项 目 周 工 作 计 划批准: 编号:期编报单位上报日期编 制 人编制日期部门审核审核日期一 、 本 周 大...
补 7第 * * 周监理工作周报 工程名称*********市政工程起止日期*****年**月**日—*****年**月**日施工单位监理单位陕...
工 程 监 理 周 报JL—14 编号:工程名称(地段)建设单位施工单位监理单位通信工程建设监理有限公司本周完成的主要工作量及完成率:质...
Xx 项目xx 工程(合同编号:PX—JZ/2024—002)工 程 周 报 表(xx 年 3 月 30 日~xx 年 4 月 5 日)20xx—04 期批准: 审...
工 程 周 报工程名称:大连市甘井子区中华路“北部餐饮城商住"项目(23#楼)本周完成工程完成情况及进场材料:1、23#楼龙骨除四楼以上没有...

