下载后可任意编辑常 州 青 龙 邻 里 中 心 项 目2024 年 11 月 第 三 周 ( 11.15 ~11.21 )施工周报 编 制 单 位...
下载后可任意编辑 劲嘉·黔灵铭楼工程施工周报第 1 期(2024 年 2 月 25 日——2024 年 3 月 1 日)施工单位:浙江省东阳市第...
下载后可任意编辑“进度周报”、“施工监理月报”封面修改通知各驻地办、各施工单位:一、“施工、监理月报”封面要求1.采纳彩色厚纸打印,...
。。1 工作日报所属部门:报告人 :岗位:报告日 : 年月日星期 ( ) 今日必须完成工作完成状况存在问题和解决办法工作体会 、 总结...
下载后可任意编辑酒店专业毕业实习周报【10 篇】【导语】实习能帮助大学生树立正确的立业观,适应市场,顺利就业。通过实习,大学生能提前...
工程施工日报项目名称施工单位日期天气:上午:记录人星期下午:今日主要施工内容施工人员管理人员安装工校正工电焊工普工小计机械电焊机安...
施工周报(周进度计划)工程工程: xxxxxxxxxxxxxxxxxxxxxxxx工程施工单位: xxxxxxxxx 集团有限公司日期: 2017年 6 月 27日至 20...
编号: ***-***-*** ********** 工 程第*** 周工程周报编制人员:审批人员:编制单位: **********(施工单位 ) 报送日期:主送单位...
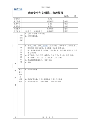
下载后可任意编辑格式文本建筑安全与文明施工监理周报编号: 号工程项目地 址施工单位项目经理电话监理单位总 监电话建设单位联系人电话...
下载后可任意编辑安全监察周报【第 9 期】主办:丰汇煤业安监部 综合办 2024 年(第 45 周)现将本周安全隐患排查、整改情况及全公...
下载后可任意编辑海 峡 国 际 社 区 三 期 工 程(第01 次) 安全周报项 目 经 理: 下载后可任意编辑总监理工程师: 甲 ...
下载后可任意编辑尊敬的卢总,王总:鉴于最近两周由贵公司承建的各项工程周报中安全部分填报内容不够详实,无法真实反映出监理项目部在现场...
下载后可任意编辑 安 全 周 报(2024年 03 月 14 日 至 2024 年 03 月 20 日 ) 审 核 : 田 明 亮校 核 : 陈 培...
云计算产业周报 (2012 年 7 月版第 4 期) 成都云计算实验室 本 期 观 察 云 计 算 既 然 是 一 次 IT 革 命 , ...
云计算产业周报 (2012 年 7 月版第 3 期) 成都云计算实验室 本 期 观 察 本 周 新 疆 克 拉 玛 依 云 计 算 产 ...
201214校友周报天津大学
成都极地海洋世界工程项目住宅板块二期弱电工程工 作 周 报(四十四)北京亚洲卫星通信技术有限公司2012 年 4 月 16 日地盘:成都...
1 《英语周报》2009-2010 学年上学期广州专版六年级版英语练习题听力部分 Module 1 阶段测试题 听力部分 一、听读句子两次,选出句...
香山· 院项目工程周报(第 15 期)2017 年 10 月 22 日~2017年 10 月 28 日江西中盛和置业有限公司工程技术部编制一、工程概...
项目周报总期第三 期2017年2月10日- 2017 年2月14日一、 项目概述项目名称XXX项目项目合同编号2019项目经理XXX所属部门XXX部二、 项目...

